Датчики линейных перемещений RC13 и RC35
| Номер в ГРСИ РФ: | 74759-19 |
|---|---|
| Категория: | Датчики перемещений |
| Производитель / заявитель: | Фирма "MEGATRON Elektronik AG & Co.", Германия |
Датчики линейных перемещений RC13 и RC35 (далее - датчики) предназначены для измерений линейных перемещений.
Информация по Госреестру
| Основные данные | ||||||||||||||||
|---|---|---|---|---|---|---|---|---|---|---|---|---|---|---|---|---|
| Номер по Госреестру | 74759-19 | |||||||||||||||
| Наименование | Датчики линейных перемещений | |||||||||||||||
| Модель | RC13 и RC35 | |||||||||||||||
| Характер производства | Единичное | |||||||||||||||
| Идентификатор записи ФИФ ОЕИ | 7bbb1b70-b6de-ce72-fc96-94104e3bea9e | |||||||||||||||
| Испытания |
|
|||||||||||||||
Производитель / Заявитель
Фирма "MEGATRON Elektronik AG & Co.", Германия
ГЕРМАНИЯ
Поверка
| Межповерочный интервал / Периодичность поверки |
2 года
|
| Зарегистрировано поверок | |
| Найдено поверителей | |
| Успешных поверок (СИ пригодно) | 18 (100%) |
| Неуспешных поверок (СИ непригодно) | 0 (0 %) |
| Актуальность информации | 29.03.2026 |
Поверители
Скачать
|
74759-19: Описание типа
2023-74759-19.pdf
|
Скачать | 292.9 КБ | |
|
74759-19: Методика поверки
2022-mp74759-19.pdf
|
Скачать | 1.6 MБ |
Описание типа
Назначение
Датчики линейных перемещений RC13 и RC35 (далее - датчики) предназначены для измерений линейных перемещений.
Описание
Принцип действия датчиков основан на преобразовании линейных перемещений штока датчика в выходной электрический сигнал (напряжение постоянного тока).
Датчики построены на основе потенциометрической схемы измерений и имеют индивидуальную статическую характеристику преобразования (ИСХ) вида:
у = а+Ьх, где у - значение выходного сигнала, В; а - смещение нуля ИСХ, В; b - угловой коэффициент ИСХ, В/мм; х - значение входного сигнала, мм.
Индивидуальные значения коэффициентов a и b заносятся в паспорт каждого датчика.
Датчики состоят из цилиндрического алюминиевого корпуса, штока с передним расположением без пружинного возврата, кабеля для подачи напряжения питания и снятия выходного сигнала с датчика, чувствительного элемента (потенциометра). Основными элементами конструкции датчика являются линейный потенциометр, выполненный с использованием технологии токопроводящего пластика и токосъемник, который связан со штоком.
Крепление датчика к объекту осуществляется с помощью шаровых шарниров на корпусе и штоке датчика.
Датчики выпущены в следующих модификациях: RC13-150-G-1, RC35-175-K-R5K и RC35-450-K-R5K, которые отличаются диапазоном измерений и габаритными размерами.
Общий вид датчиков представлен на рисунке 1.
а) б)
а) модификация RC13-150-G-1; б) модификации RC35-175-K-R5K и RC35-450-K-R5K
Рисунок 1 - Общий вид датчиков
Для защиты датчиков модификаций RC35-175-K-R5K и RC35-450-K-R5K от несанкционированного доступа осуществляется пломбирование их корпуса.
Знак поверки наносится на пломбировочную мастику на винтах, скрепляющих корпус датчика в соответствии с рисунком 2.
Пломбирование датчиков модификации RC13-150-G-1 не предусмотрено.
места нанесения знака поверки
Рисунок 2 - Схема пломбировки от несанкционированного доступа, обозначение места нанесения знака поверки для датчиков модификаций RC35-175-K-R5K и RC35-450-K-R5K
Программное обеспечение
отсутствует.
Технические характеристики
Таблица 1 - Метрологические характеристики
|
Наименование характеристики |
Значение |
|
Диапазон измерений линейных перемещений, мм: - модификация RC13-150-G-1 - модификация RC35-175-K-R5K - модификация RC35-450-K-R5K |
от 40 до 120 от 10 до 140 от 130 до 320 |
|
Пределы допускаемой абсолютной погрешности измерений линейных перемещений, мм |
±0,03 |
Таблица 2 - Основные технические характеристики
|
Наименование характеристики |
Значение | ||
|
RC13-150-G-1 |
RC35-175-K-R5K |
RC35-450-K-R5K | |
|
Полное сопротивление, кОм |
6±1,2 |
5±1 |
5±1 |
|
Напряжение питания постоянного тока, В |
5±0,0025 | ||
|
Диапазон изменения выходного сигнала напряжения постоянного тока, В |
от 1,2 до 4,0 |
от 0,1 до 4,0 |
от 1,3 до 3,5 |
|
Скорость перемещения штока датчика, м/с, не более |
10 |
5 |
5 |
|
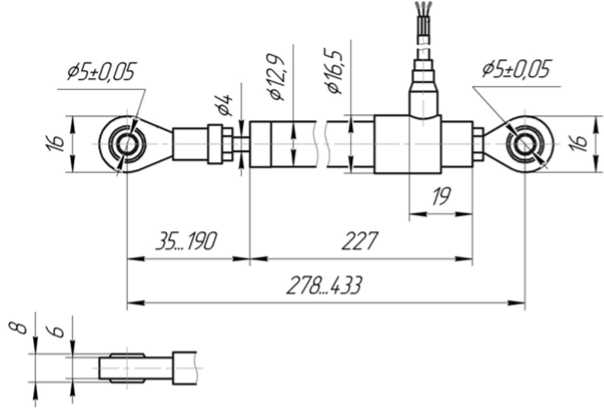
Габаритные и присоединительные размеры датчиков, мм, не более |
согласно рисункам 3-5 | ||
|
Длина кабеля, м |
1 | ||
|
Количество жил кабеля, шт. |
3 | ||
|
Масса, кг, не более |
0,12 |
0,55 |
0,95 |
|
Температура окружающей среды при эксплуатации, °С |
от +10 до +40 | ||
Рисунок 3 - Габаритные и присоединительные размеры датчика модификации RC13-150-G-1
Рисунок 4 - Габаритные и присоединительные размеры датчика модификации RC35-175-K-R5K
Рисунок 5 - Габаритные и присоединительные размеры датчика модификации RC35-450-K-R5K
Знак утверждения типа
наносится на корпус датчика в виде наклейки, на титульные листы руководства по эксплуатации и паспорта печатным способом.
Комплектность
Таблица 3 - Комплектность датчиков
|
Наименование |
Обозначение |
Количество |
|
Датчик линейных перемещений |
RC13-150-G-1 |
2 шт. |
|
Датчик линейных перемещений |
RC35-175-K-R5K |
2 шт. |
|
Датчик линейных перемещений |
RC35-450-K-R5K |
2 шт. |
|
Датчик линейных перемещений RC13-150-G-1. Паспорт |
RC13-150-G-1 ПС |
2 экз. |
|
Датчик линейных перемещений RC35-175-K-R5K. Паспорт |
RC35-175-K-R5K ПС |
2 экз. |
|
Датчик линейных перемещений RC35-450-K-R5K. Паспорт |
RC35-450-K-R5K ПС |
2 экз. |
|
Датчик линейных перемещений RC13-150-G-1. Руководство по эксплуатации |
RC13-150-G-1 РЭ |
2 экз. |
|
Датчик линейных перемещений RC35-175-K-R5K. Руководство по эксплуатации |
RC35-175-K-R5K РЭ |
2 экз. |
|
Датчик линейных перемещений RC35-450-K-R5K. Руководство по эксплуатации |
RC35-450-K-R5K РЭ |
2 экз. |
|
ГСИ. Датчики линейных перемещений RC13 и RC35. Методика поверки |
МП 366-18 |
1 экз. |
Поверка
осуществляется по документу МП 366-18 «ГСИ. Датчики линейных перемещений RC13 и
RC35. Методика поверки», утвержденному ФБУ «Томский ЦСМ» 25.12.2018.
Основные средства поверки приведены в таблице 4.
Таблица 4 - Основные средства поверки_______________________________________________
|
Наименование и тип средства поверки |
Регистрационный номер |
Основные метрологические характеристики | |
|
диапазон измерений, номинальное значение |
погрешность, класс точности | ||
|
Меры длины концевые плоскопараллельные (набор №1) |
17726-03 |
номинальные значения длины мер от 0,5 до 100 мм |
класс точности 2 |
|
Меры длины концевые плоскопараллельные (набор №9) |
9291-91 |
номинальные значения длины мер от 100 до 1000 мм |
класс точности 2 |
|
Прибор для поверки вольтметров программируемый В1-13 |
6014-77 |
диапазон выходного напряжения постоянного тока от 10 мкВ до 10 В |
5 = ±(0,001+ +0,0004-U/Ux) % |
|
Мультиметр цифровой прецизионный Fluke 8508A |
25984-14 |
предел измерений напряжения постоянного тока 20 В |
Д = ±(3,5-10-6-D+ +0,2-10-6-E) В |
|
* Регистрационный номер в Федеральном информационном фонде по обеспечению единства измерений. Примечание - В таблице приняты следующие обозначения: 6 - относительная погрешность измерений; Д - абсолютная погрешность измерений; ип - предел установки напряжения постоянного тока, В; их - установленное напряжение постоянного тока, В; D - измеренное значение, В; Е - предел измерений, В | |||
Допускается применение аналогичных средств поверки, обеспечивающих определение метрологических характеристик поверяемых средств измерений с требуемой точностью.
Знак поверки наносится в паспорте датчика, для датчиков модификаций RC35-175-K-R5K и RC35-45O-K-R5K знак поверки наносится также на датчик согласно рисунку 2.
Сведения о методах измерений
приведены в эксплуатационных документах.
Нормативные документы
Техническая документация MEGATRON Elektronik AG&Co


