Установка поверочная трубопоршневая двунаправленная Smith-100
| Номер в ГРСИ РФ: | 75030-19 |
|---|---|
| Производитель / заявитель: | Фирма "Smith Meter Inc." An FMC Corporation subsidiary, США, Германия |
Установка поверочная трубопоршневая двунаправленная Smith-100 (далее - ТПУ) предназначена для воспроизведения, хранения и передачи единицы объема измеряемой среды при поверке и контроле метрологических характеристик преобразователей расхода, входящих в состав системы измерений количества и показателей качества нефти № 804 (далее - СИКН), на месте их эксплуатации.
Информация по Госреестру
| Основные данные | |||||||
|---|---|---|---|---|---|---|---|
| Номер по Госреестру | 75030-19 | ||||||
| Наименование | Установка поверочная трубопоршневая двунаправленная | ||||||
| Модель | Smith-100 | ||||||
| Характер производства | Единичное | ||||||
| Идентификатор записи ФИФ ОЕИ | 961606f1-24fc-433d-a995-08d739b4dc33 | ||||||
| Испытания |
|
||||||
Производитель / Заявитель
Фирма "Smith Meter Inc." An FMC Corporation subsidiary, США
СОЕДИНЕННЫЕ ШТАТЫ
Поверка
| Межповерочный интервал / Периодичность поверки |
2 года
|
| Зарегистрировано поверок | |
| Найдено поверителей | |
| Успешных поверок (СИ пригодно) | 5 (100%) |
| Неуспешных поверок (СИ непригодно) | 0 (0 %) |
| Актуальность информации | 24.05.2026 |
Поверители
Скачать
|
75030-19: Описание типа
2023-75030-19.pdf
|
Скачать | 144.3 КБ | |
|
75030-19: Методика поверки
2022-mp75030-19.pdf
|
Скачать | 6.9 MБ |
Описание типа
Назначение
Установка поверочная трубопоршневая двунаправленная Smith-100 (далее - ТПУ) предназначена для воспроизведения, хранения и передачи единицы объема измеряемой среды при поверке и контроле метрологических характеристик преобразователей расхода, входящих в состав системы измерений количества и показателей качества нефти № 804 (далее - СИКН), на месте их эксплуатации.
Описание
Принцип действия ТПУ заключается в повторяющемся вытеснении шаровым поршнем известного объема измеряемой среды из измерительного участка. Шаровый поршень совершает движение под действием потока измеряемой среды, проходящей через измерительный участок.
ТПУ состоит из следующих основных частей, смонтированных на стальной сварной раме: корпуса с измерительным и разгонными участками, шарового поршня, детекторов положения поршня (далее - детекторы), четырехходового переключающего крана, средств измерений давления и температуры, электрического привода. ТПУ выполнена в стационарном исполнении. Общий вид ТПУ представлен на рисунке 1.
В составе ТПУ применены средства измерений температуры и давления утвержденного типа, указанные в таблице 1.
аблица 1
|
Наименование и тип средства измерений |
Регистрационный номер в Федеральном информационном фонде по обеспечению единства измерений |
|
Преобразователи давления измерительные 3051 |
14061-99 |
|
Преобразователи измерительные 244 к датчикам температуры |
14684-00 |
|
Термопреобразователи сопротивления платиновые серии 65 |
22257-01 |
Рисунок 1 - Общий вид ТПУ
При поверке и контроле метрологических характеристик преобразователей расхода, входящих в состав СИКН, определяется соответствие числа импульсов, поступивших с преобразователя расхода, величине вытесненного из ТПУ объема измеряемой среды. Срабатывание детекторов ТПУ приводит к запуску и остановке таймера устройства обработки информации. При этом в устройстве обработки информации производится отсчет импульсов, поступающих от преобразователя расхода. Через известные вместимость измерительного участка ТПУ и количество импульсов определяется коэффициент преобразования преобразователя расхода.
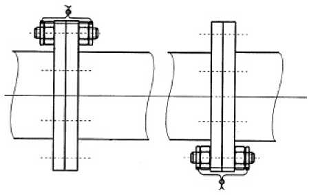
Для исключения возможности несанкционированного вмешательства, которое может привести к изменению вместимости ТПУ, на фланцевых соединениях измерительного участка и корпусах детекторов предусмотрены места для установки пломб (см. рисунок 2), несущих на себе знак поверки (оттиск клейма поверителя).
Фланцы измерительного участка ТПУ
Детектор
Рисунок 2 - Схема установки пломб
Программное обеспечение отсутствует.
Технические характеристики
Основные метрологические и технические характеристики ТПУ приведены в таблицах 2 и 3.
Таблица 2 - Метрологические характеристики
|
Наименование характеристики |
Значение характеристики |
|
Номинальное значение вместимости измерительного участка при температуре 20 °С и избыточном давлении 0 МПа, м3 |
1,516965 |
|
Рабочий диапазон расхода, м3/ч |
от 10 до 100 |
|
Пределы допускаемой относительной погрешности определения вместимости измерительного участка, % |
±0,1 |
Таблица 3 - Основные технические характеристики
|
Наименование характеристики |
Значение характеристики |
|
Диаметр измерительного участка, мм |
203,2 |
|
Толщина стенок измерительного участка, мм |
8,1788 |
|
Измеряемая среда |
нефть по ГОСТ Р 518582002 «Нефть. Общие технические условия» |
|
Параметры измеряемой среды: | |
|
- максимальное давление измеряемой среды, МПа, не более |
4,5 |
|
- температура измеряемой среды, °С |
от +5 до +40 |
|
- вязкость измеряемой среды, м11;тс |
от 0,4 до 300 |
|
Параметры электрического питания: | |
|
- напряжение переменного тока, В |
220±22/380±38 |
Окончание таблицы 3
|
Наименование характеристики |
Значение характеристики |
|
- частота переменного тока, Гц |
50±1 |
|
Потребляемая мощность, кВ • А, не более |
2 |
|
Условия эксплуатации: | |
|
- температура окружающей среды, °С |
от -17,8 до +60 |
|
- атмосферное давление, кПа |
от 96 до 104 |
|
- относительная влажность окружающего воздуха, % |
от 30 до 95 |
|
Габаритные размеры, мм, не более: - длина - ширина - высота |
10058 2286 2235 |
|
Масса, кг, не более |
10000 |
|
Средний срок службы, лет, не менее |
10 |
Знак утверждения типа
наносится в правом нижнем углу титульного листа руководства по монтажу, эксплуатации и обслуживанию типографским способом.
Комплектность
Комплектность приведена в таблице 4.
Таблица 4
|
Наименование |
Количество |
|
Установка поверочная трубопоршневая двунаправленная Smith-100 |
1 шт. Зав. № 1172 |
|
Запчасти |
1 комплект |
|
Комплект кабелей |
1 комплект |
|
Руководство по эксплуатации |
1 экз. |
|
Паспорт |
1 экз. |
|
МП 0828-14-2018 «Инструкция. ГСИ. Установка поверочная трубопоршневая двунаправленная Smith-100. Методика поверки» |
1 экз. |
|
МИ 2974-2006 «Рекомендация. ГСИ. Установки поверочные трубопоршневые 2-го разряда методика поверки трубопоршневой поверочной установкой 1-го разряда с компаратором» |
1 экз. |
Поверка
осуществляется по документам:
МП 0828-14-2018 «Инструкция. ГСИ. Установка поверочная трубопоршневая двунаправленная Smith-100. Методика поверки», утвержденная ФГУП «ВНИИР» 02 октября 2018 г.,
МИ 2974-2006 «Рекомендация. ГСИ. Установки поверочные трубопоршневые 2-го разряда методика поверки трубопоршневой поверочной установкой 1-го разряда с компаратором».
Основное средство поверки:
- рабочий эталон 1-го разряда в соответствии с частью 2 Государственной поверочной схемы для средств измерений массы и объема жидкости в потоке, объема жидкости и вместимости при статических измерениях, массового и объемного расходов жидкости, с пределами допускаемой относительной погрешности ± 0,05 %.
Допускается применение аналогичных средств поверки, обеспечивающих определение метрологических характеристик поверяемых СИ с требуемой точностью.
Знак поверки наносится на свидетельство о поверке ТПУ, а также на свинцовые (пластмассовые) пломбы, установленные на проволоке, согласно рисунку 2.
Сведения о методах измерений
отсутствуют.
Нормативные документы
Приказ Росстандарта от 7 февраля 2018 г. N 256 «Об утверждении Государственной поверочной схемы для средств измерений массы и объема жидкости в потоке, объема жидкости и вместимости при статических измерениях, массового и объемного расходов жидкости»

