Микроамперметры, миллиамперметры и вольтметры щитовые Ц42300, Ц42302, Ц42702, Ц42703, Ц42704
| Номер в ГРСИ РФ: | 37284-08 |
|---|---|
| Категория: | Вольтметры |
| Производитель / заявитель: | ОАО "Электроприбор", г.Чебоксары |
Для измерения силы тока и напряжения в цепях однофазного переменного тока и применяются в различных сферах промышленности.
Информация по Госреестру
| Основные данные | |
|---|---|
| Номер по Госреестру | 37284-08 |
| Действует | по 26.12.2017 |
| Наименование | Микроамперметры, миллиамперметры и вольтметры щитовые |
| Модель | Ц42300, Ц42302, Ц42702, Ц42703, Ц42704 |
| Код идентификации производства |
ОС
СИ не соответствует критериям подтверждения производства на территории
РФ в соответствии с постановлением №719
|
| Характер производства | Серийное |
| Идентификатор записи ФИФ ОЕИ | dab74288-2205-b976-a429-e5c34cc5300f |
| Год регистрации | 2008 |
| Общие данные | |
|---|---|
| Технические условия на выпуск | ГОСТ 8711-93 и ТУ 25-7504.133-2007 |
| Класс СИ | 34.01.01 |
| Год регистрации | 2008 |
| Страна-производитель | Россия |
| Примечание | 26.12.2012 продлен срок свидетельстваВзамен № 16788-98 |
| Центр сертификации СИ | |
| Наименование центра | ГЦИ СИ ВНИИМС |
| Адрес центра | 119361, г.Москва, Озерная ул., 46 |
| Руководитель центра | Кононогов Сергей Алексеевич |
| Телефон | (8*095) 437-55-77 |
| Факс | 437-56-66 |
| Информация о сертификате | |
| Срок действия сертификата | 26.10.2017 |
| Номер сертификата | 30905 |
| Тип сертификата (C - серия/E - партия) | С |
| Дата протокола | Приказ 1177 п. 15 от 26.12.201204 от 28.03.08 п.50 |
Производитель / Заявитель
ОАО "Электроприбор", РОССИЯ, г. Чебоксары
Россия
428000, пр.И.Яковлева, 3. тел. (8352) 39-99-12; 39-98-22; факс 55-50-02; 56-25-62 www.elpribor.ru
Поверка
| Методика поверки / информация о поверке | ГОСТ 8.497-83 |
| Межповерочный интервал / Периодичность поверки |
6 месяцев
при 24 час. работе
1 год
при 16 час
2 года
при 8 час
|
| Зарегистрировано поверок |
91421
|
| Найдено поверителей | |
| Успешных поверок (СИ пригодно) | 90934 (99%) |
| Неуспешных поверок (СИ непригодно) | 487 (1 %) |
| Актуальность информации | 02.04.2026 |
Поверители
Скачать
|
37284-08: Описание типа
2021-37284-08.pdf
|
Скачать | 549 КБ | |
|
37284-08: Методика поверки
2021-mp37284-08.pdf
|
Скачать | 655.9 КБ |
Описание типа
Назначение
Микроамперметры, миллиамперметры и вольтметры Ц42300, Ц42302, Ц42702, Ц42703, Ц42704 (далее по тексту - приборы) предназначены для измерения силы тока и напряжения в цепях однофазного переменного тока и применяются в различных сферах промышленности.
Описание
Приборы представляют собой щитовые приборы магнитоэлектрической системы с выпрямителем, со стрелочным указателем и креплением подвижной части на растяжках и кернах (Ц42300, Ц42302) и кернах (Ц42702, Ц42703, Ц42704), равномерной шкалой, нулевой отметкой на краю диапазона измерений.
Принцип действия приборов основан на выпрямлении переменного тока полупроводниковыми диодами и взаимодействии магнитного поля постоянного магнита и выпрямленным током, протекающим по подвижной рамке измерительного механизма.
Конструктивно приборы выполнены в пластмассовых корпусах, защищающих измерительный механизм от загрязнений, повреждений и попадания пыли. Приборы Ц42300, Ц42302 имеют два исполнения: пылезащищенное и пылебрызгозащищенное по ГОСТ 22261.
По условиям эксплуатации приборы относятся к группе 5 ГОСТ 22261-94 и предназначены для работы при температуре окружающей среды от минус 40 до плюс 50 °С (приборы Ц42300, Ц42302 - от минус 30 до плюс 50 °С) и относительной влажности 95 % при температуре 35 °С.
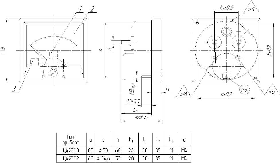
Фотографии, общий вид приборов, места нанесения маркировки и клейм показаны на рисунках 1-5.
а)
Рисунок 1 - Микроамперметры, миллиамперметры и вольтметры щитовые Ц42300 (а), Ц42302 (б).
б)
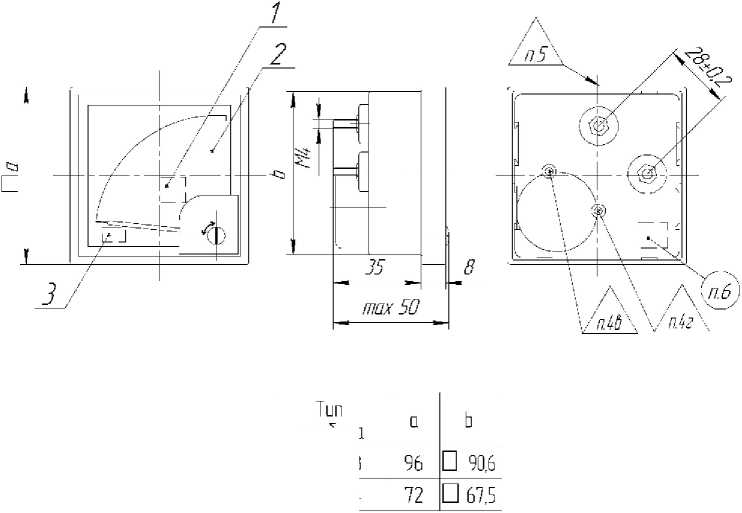
в) г) д)
Рисунок 2 - Микроамперметры, миллиамперметры, амперметры и вольтметры щитовые Ц42702 (в), Ц42703 (г), Ц42704 (д).
Обозначение на рисунке приборов:
1 - единица измерения,
2 - шкала,
3 - информация об исполнении приборов,
4 в — клеймо ОТК (место клеймения заполняется мастикой),
4 г — поверительное клеймо (место клеймения заполняется мастикой),
5 - клеймо ВП (краска штемпельная),
6 - дата выпуска (краска штемпельная).
Рисунок 3 - Общий вид, маркировка, клеймение микроамперметров, миллиамперметров и вольтметров Ц42300, Ц42302
прибора Ц42703 Ц42704
Обозначение на рисунке приборов:
1 - единица измерения,
2 - шкала,
3 - информация об исполнении приборов,
4 в - клеймо ОТК (место клеймения заполняется мастикой),
4 г - доверительное клеймо (место клеймения заполняется мастикой),
5 - клеймо ВП (краска штемпельная),
6 - дата выпуска (краска штемпельная).
Рисунок 4 - Общий вид, маркировка, клеймение микроамперметров, миллиамперметров и вольтметров Ц42703, Ц42704
П120
Обозначение на рисунке приборов:
1 - единица измерения,
2 - шкала,
3 - информация об исполнении приборов,
4 в - клеймо ОТК (место клеймения заполняется мастикой),
4 г - поверительное клеймо (место клеймения заполняется мастикой),
5 - клеймо ВП (краска штемпельная),
6 - дата выпуска (краска штемпельная).
Рисунок 5 - Общий вид, маркировка, клеймение микроамперметров, миллиамперметров и вольтметров Ц42702
Технические характеристики
Наименование и тип прибора, диапазоны измерений и способ включения приведены в таблице 1.
Пределы допускаемых значений основной приведенной погрешности:
для приборов Ц42300 ± 2,5 %;
для микроамперметров Ц42302 ± 1,5 или ± 2,5 %;
для миллиамперметров и вольтметров Ц42302 ± 2,5 %;
для приборов Ц42702, Ц42703, Ц42704 ± 1,5 %.
Нормирующее значение при установлении приведенной погрешности принимается рав-
ным верхнему пределу диапазона измерений.
Таблица 1
|
Наименование и тип прибора |
Единицы величин |
Диапазоны измерений* |
Способ включения |
|
Микроамперметры Ц42300 Ц42302 |
мкА |
0-25**; 0-50; 0-100; 0-200; 0-300; 0-500 |
Непосредственный |
|
Миллиамперметры Ц42300 Ц42302 |
мА |
0-1; 0-5; 0-10; 0-15; 10-30; 15-50; 30100; 50-150; 100-300; 150-500; 3001000 | |
|
Вольтметры Ц42300, Ц42302 |
В |
0,5-3; 1-7,5; 2-15; 0-30; 0-50; 0-75; 0150; 0-250; 0-300; 0-500; 0-600 | |
|
Миллиамперметры Ц42702 |
мА |
10; 20;30; 50; 100; 250;500 | |
|
Вольтметры Ц42702 Ц42703 Ц42704 |
В |
10; 15; 30; 50; 75;100;150; 250; 300; 400; 500; 600 | |
|
В |
400***; 450; 500; 600; 750 |
Через трансформатор напряжения со вторичным напряжением 100 В | |
|
кВ |
3,5; 4; 6; 7,5; 12,5; 15; 17,5; 20; 25; 40; 125; 150; 175; 200; 250;400;600 |
Примечания:
* Для приборов Ц42702, Ц42703, Ц42704 указаны верхние пределы диапазонов измерений, нижний предел - нулевая отметка шкалы.
* * Только для микроамперметров Ц42302
* **Кроме Ц42702
По согласованию с потребителем возможно изготовление приборов с другими пределами диапазонов измерений
Предел допускаемой вариации показаний приборов не более полуторакратного значения предела допускаемой приведенной основной погрешности.
Пределы допускаемых дополнительных погрешностей, вызванных:
- изменением положения прибора от нормального положения в любом направлении на 5 °, не более половины предела допускаемого значения основной приведенной погрешности;
- отклонением частоты на +10 % от нормальной частоты или от нормальной области частот или вызываемое отклонением частоты от пределов нормальной области частот до любой частоты в рабочей области частот не более предела допускаемого значения основной приведенной погрешности;
- влиянием внешнего однородного магнитного поля, синусоидально изменяющегося во времени с частотой, одинаковой с частотой тока, напряженностью 0,4 кА/м, не более + 6,0 % от нормирующего значения;
- отклонением температуры окружающего воздуха от нормальной до плюс 50 °С или до минус 40 °С (для Ц42300, Ц42302 - минус 30 °С ) на каждые 10 °С изменения температуры, не более ± 1,2 % для приборов класса точности 1,5 и ± 2,0 % для приборов класса точности 2,5;
- отклонением относительной влажности от нормальной до 95 % (98 % для приборов изготавливаемых для эксплуатации в условиях тропического климата) при температуре плюс 35 °С, не более предела допускаемого значения основной приведенной погрешности.
Нормальная область частот приборов Ц42702, Ц42703, Ц42704 от 50 до 1000 Гц.
Нормальная область частот микроамперметров, миллиамперметров, вольтметров
Ц42300, Ц42302 от 45 до 1000 Гц.
Рабочая область частот микроамперметров, миллиамперметров Ц42300, Ц42302
от 30 до 45 Гц, от 1000 до 20000 Гц;
вольтметров - от 30 до 45 Гц, от 1000 до 10000 Гц.
Рабочие условия эксплуатации:
температура, °С от минус 40 до плюс 50;
(для Ц42300, Ц42302 от минус 30 до плюс 50)
относительная влажность при температуре плюс 35 °С, %, не более 95.
Габаритные размеры масса приведены в таблице 2
Таблица 2
|
Тип приборов |
Габаритные размеры, мм, не более |
Масса, кг, не более |
|
Ц42302 |
60х60х50 |
0,12 |
|
Ц42300 |
80х80х50 |
0,14 |
|
Ц42704 |
72х72х60 |
0,25 |
|
Ц42703 |
96х96х56 |
0,3 |
|
Ц42702 |
120х120х50 |
0,35 |
Норма средней наработки до отказа, ч
Ц42300, Ц42302 39000;
Ц42702, Ц42703, Ц42704 50000.
Средний срок службы приборов лет, не менее 12.
Знак утверждения типа
Знак утверждения типа наносится на титульный лист Руководства по эксплуатации и паспорт прибора типографским способом.
Комплектность
В комплект поставки входят:
- прибор Ц42300 (Ц42302, Ц42702, Ц42703, Ц42704) - 1 шт.;
- комплект монтажных частей - 1 компл.;
- паспорт - 1 экз.
- руководство по эксплуатации на партию приборов (по согласованию с заказчиком) - 1 экз.
Поверка
производится в соответствии с ГОСТ 8.497-83. ГСИ. Амперметры, вольтметры, ваттметры, варметры. Методика поверки.
Перечень основного оборудования для поверки:
- амперметр Э525, класса точности 0,5, пределы измерений от 0,5 до 1 А;
- амперметр Э535, класса точности 0,5, пределы измерений от 5 до 20 мА;
- амперметр Э536, класса точности 0,5, пределы измерений от 0 до 200 мА;
- вольтметр Э541, класса точности 0,5, пределы измерений от 1,5 до 15,0 В;
- вольтметр Э515, класса точности 0,5, пределы измерений от 7,5 до 60,0 В;
- вольтметр Э545, класса точности 0,5, пределы измерений от 75 до 600,0 В;
- универсальная пробойная установка УПУ-10, испытательное напряжение от 0,3 до
10,0 кВ, с погрешностью ± 10,0 %.
Нормативные документы
ГОСТ 22261-94. Средства измерений электрических и магнитных величин. Общие технические условия.
ГОСТ 8711-93. Приборы аналоговые показывающие электроизмерительные прямого действия и вспомогательные части к ним. Часть 2. Особые требования к амперметрам и вольтметрам.
ГОСТ 8.497-83. ГСИ. Амперметры, вольтметры, ваттметры, варметры. Методика поверки.
ТУ 25-7504.133-2007. Микроамперметры, миллиамперметры, амперметры и вольтметры щитовые. Технические условия.
Рекомендации к применению
- при выполнении работ по оценке соответствия промышленной продукции и продукции других видов, а также иных объектов установленным законодательством Российской Федерации обязательным требованиям.
Другие Вольтметры




