47687-11: МИП-02ХХХ Преобразователи измерительные многофункциональные - Производители, поставщики и поверители

Преобразователи измерительные многофункциональные МИП-02ХХХ

ALL-Pribors default picture
Номер в ГРСИ РФ: 47687-11
Производитель / заявитель: ЗАО "РТСофт", г.Москва
Скачать
47687-11: Описание типа
2011-47687-11.pdf
Скачать 211.5 КБ
Свидетельство об утверждении типа СИ Открыть ...
Нет данных о поставщике
Поверка
Преобразователи измерительные многофункциональные МИП-02ХХХ поверка на: www.ktopoverit.ru
КтоПоверит
Онлайн-сервис метрологических услуг

Для измерений параметров (частоты, напряжений, токов, мощностей, и т.д.) 3 проводных и 4 проводных электрических сетей переменного трехфазного тока с номинальной частотой 50 Гц; измерений и учета активной и реактивной энергии за установленные интервалы времени в трехфазных сетях переменного тока в соответствии с требованиями ГОСТ Р 52323 2005 для счетчиков активной энергии класса 0,2S и требованиями ГОСТ Р 52425 2005 для счетчиков реактивной энергии класса 1; измерений показателей качества электроэнергии (ПКЭ) в соответствии с ГОСТ 13109 97, ГОСТ Р 51317.4.15 99 и их статистической обработки; измерения нормированных сигналов напряжения и тока в диапазонах по ГОСТ 26.011; регистрации в аварийных режимах мгновенных значений измеряемых токов в диапазоне 40IН и напряжений в диапазоне 3UН; регистрации и обработки дискретной телесигнализации и формирования сигналов дискретного вывода; передачи, с метками времени, измеренных, вычисленных, зарегистрированных параметров по стандартным интерфейсам на верхний уровень системы.

Информация по Госреестру

Основные данные
Номер по Госреестру 47687-11
Действует по 16.09.2016
Наименование Преобразователи измерительные многофункциональные
Модель МИП-02ХХХ
Характер производства Серийное
Идентификатор записи ФИФ ОЕИ 84b5ddf6-14b4-dfc9-8c95-53934c206f71
Год регистрации 2011
Информация устарела
Общие данные
Технические условия на выпуск ЛКЖТ2.721.004 ТУ
Класс СИ 34.01.05
Год регистрации 2011
Страна-производитель  Россия 
Примечание 09.07.2012 заменен на 47687-12
Центр сертификации СИ
Наименование центра ГЦИ СИ ВНИИМС
Адрес центра 119361, г.Москва, Озерная ул., 46
Руководитель центра Кононогов Сергей Алексеевич
Телефон (8*095) 437-55-77
Факс 437-56-66
Информация о сертификате
Срок действия сертификата 16.09.2016
Номер сертификата 43774
Тип сертификата (C - серия/E - партия) С
Дата протокола Приказ 4992 от 16.09.11 п.03
Производитель / Заявитель

ЗАО "РТСофт", РОССИЯ, г.Черноголовка

 Россия 

142432 Московская обл., Ногинский р-он, Северный пр-д, д.1 (Школьный б-р, д.1а) Тел. (495) 742-68-28; Факс 742-68-29, E-mail: rtsoft@rtsoft.msk.ru

Поверка

Методика поверки / информация о поверке ЛКЖТ2.721.004 МИ
Межповерочный интервал / Периодичность поверки
8 лет
Зарегистрировано поверок
Найдено поверителей
Успешных поверок (СИ пригодно) 119 (100%)
Неуспешных поверок (СИ непригодно) 0 (0 %)
Актуальность информации 19.04.2026
Найти результаты поверки
Указан в паспорте или на самом приборе

Поверители

КтоПоверит
Онлайн-сервис метрологических услуг
Преобразователи измерительные многофункциональные МИП-02ХХХ поверка на: www.ktopoverit.ru
КтоПоверит
Онлайн-сервис метрологических услуг

Скачать

47687-11: Описание типа
2011-47687-11.pdf
Скачать 211.5 КБ
Свидетельство об утверждении типа СИ Открыть ...

Описание типа

Назначение

Преобразователи измерительные многофункциональные МИП-02ХХХ (в дальнейшем - преобразователь МИП-02) предназначены для:

- измерений параметров (частоты, напряжений, токов, мощностей, и т.д.) 3-проводных и 4-проводных электрических сетей переменного трехфазного тока с номинальной частотой 50 Гц;

- измерений и учета активной и реактивной энергии за установленные интервалы времени в трехфазных  сетях переменного  тока в  соответствии  с  требованиями

ГОСТ Р 52323-2005 для  счетчиков активной  энергии  класса 0,2S  и требованиями

ГОСТ Р 52425-2005 для счетчиков реактивной энергии класса 1;

- измерений показателей качества электроэнергии (ПКЭ) в соответствии с ГОСТ 13109-97, ГОСТ Р 51317.4.15-99 и их статистической обработки;

- измерения нормированных сигналов напряжения и тока в диапазонах по ГОСТ 26.011;

- регистрации в аварийных режимах мгновенных значений измеряемых токов в диапазоне 401Н и напряжений в диапазоне 3иН;

- регистрации и обработки дискретной телесигнализации и формирования сигналов дискретного вывода;

- передачи, с метками времени, измеренных, вычисленных, зарегистрированных параметров по стандартным интерфейсам на верхний уровень системы.

Описание

Преобразователь МИП-02 является микропроцессорным программируемым измерительно-вычислительным устройством, состоящим из электронного блока и встроенного в него программного обеспечения.

Основным интерфейсом для передачи данных на верхний уровень является IEEE 802.3 (Ethernet) со скоростью передачи 100 Мбит/с. Основным протоколом передачи данных является ГОСТ Р МЭК 60870-5-104-2004.

Синхронизация времени в МИП-02 осуществляется от системы GPS или ГЛОНАСС, а также средствами протокола ГОСТ Р МЭК 60870-5-104-2004.

Для конфигурирования преобразователя на месте эксплуатации используется интерфейс Ethernet, а также, для некоторых параметров, служебный интерфейс RS-232.

Рабочая конфигурация преобразователя, архив счетчика электроэнергии, статистические данные ПКЭ и другие служебные данные хранятся в энергонезависимой памяти преобразователя.

Питание преобразователя осуществляется от однофазной сети 220В/50 Гц или от сети постоянного тока с номинальным напряжением 220 В. По согласованию с заказчиком, преобразователи могут выпускаться в исполнении с питанием 24 В постоянного тока.

Для установки в шкафы и стойки преобразователи выпускаются в корпусе «Евромеханика» 19 дюймов 1U (2U) по ГОСТ 28601.3 (МЭК 60297). Преобразователи для настенной установки или установки на 35-мм рейку DIN 50022 выпускаются с габаритными размерами, выбранными разработчиком.

Преобразователь МИП-02 может иметь в своем составе следующие измерительные каналы:

ТИ100В - канал телеизмерения (ТИ), предназначенный для измерения действующего значения переменного напряжения с номинальными напряжениями (Uh) 57,7 В и 100,0 В в

лист № 2 всего листов 16 соответствии с ГОСТ Р 52320-2005.

ТИ220В - канал телеизмерения (ТИ), предназначенный для измерения действующего значения переменного напряжения с номинальными напряжениями (Uh) 200,0 В и 220,0 В в соответствии с ГОСТ Р 52320-2005.

ТИ5А - канал телеизмерения (ТИ), предназначенный для измерения действующего значения переменного тока с номинальными токами (1н) 1 А и 5 Ав соответствии с ГОСТ Р 52320-2005.

U0100B - канал телеизмерения (ТИ), предназначенный для измерения напряжения нулевой последовательности 3U0 в трехфазной сети с номинальными напряжениями 57,7 В и 100,0 В.

U0220B - канал телеизмерения (ТИ), предназначенный для измерения напряжения нулевой последовательности 3U0 в трехфазной сети с номинальными напряжениями 200,0 В и 220,0 В.

IN5A - канал телеизмерения (ТИ), предназначенный для измерения тока нулевого провода (IN) в трехфазной сети с номинальными токами 1 А и 5 А.

РАС100В - канал регистрации аварийных событий (РАС), предназначенный для измерения действующего значения напряжения и регистрации его мгновенных значений в диапазоне 3Uh для номинальных напряжений 57,7 В и 100,0 В.

РАС1А - канал регистрации аварийных событий (РАС), предназначенный для измерения действующего значения тока и регистрации его мгновенных значений в диапазоне 401н с номинальным током 1 А.

РАС5А - канал регистрации аварийных событий (РАС), предназначенный для измерения действующего значения тока и регистрации его мгновенных значений в диапазоне 401н с номинальным током 5 А.

Преобразователи МИП-02 различных вариантов исполнения имеют следующее обозначение: «Преобразователь МИП-02ХХХ-хх.хх ЛКЖТ2.721.004 ТУ».

Таблица 1 - Расшифровка условного обозначения МИП-02ХХХ-хх.хх

МИП-02

X

X

X

-хх.хх

нет

для исполнений УХЛ4 (от 5 до 55 °С)

E

для исполнений УХЛ3.1 (от минус 30 до плюс 60 °С)

нет

ПКЭ не измеряются

A

ПКЭ с расширенным набором

Т

ПКЭ по ГОСТ 13109-97, ГОСТ Р 51317.4.15-99

нет

IEEE 802.3 (Ethernet) - 1 шт.

С

IEEE 802.3 (Ethernet) - 2 шт.

-хх.хх

согласно таблицам (Таблица 2, Таблица 3)

Перечень исполнений преобразователей представлен в таблицах 2 -3

Таблица 2 - Исполнения МИП-02ХХХ-3х.хх

Характеристики

Исполнения МИП-02ХХХ-3х.хх

-30.02

-30.10

-30.11

-30.30

-30.31

Каналы измерения напряжения типа ТИ___В, коли

чество и тип

3

ТИ100В

3

ТИ100В

3

ТИ220В

3

ТИ100В

3

ТИ220В

Канал измерения напряжения нулевой последовательности U0, количество и тип

1 и0100В

1 и0220В

1 и0100В

1 и0220В

Каналы измерения тока типа ТИ_А, количество и тип

3

ТИ5А

3

ТИ5А

3

ТИ5А

3

ТИ5А

3

ТИ5А

Канал измерения тока нулевого провода IN, количество и тип

1

IN5A

1

IN5A

1

IN5A

1

IN5A

Каналы ТС ~/= 24В

24

Каналы ДВ ~/= 24 В

1

2

Подключение к GPS/ГЛОНАСС

есть

есть

Сервисный интерфейс

RS-232

RS-232

Питание

~/= 220 В

~/= 220 В

Степень защиты

IP40

IP54

Конструкция

п.к. 160^160x77 мм

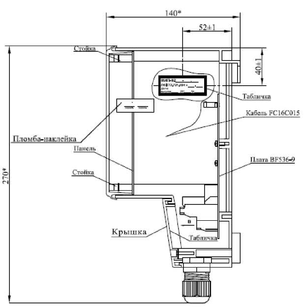
п.к. 269x270x140 мм

Рисунок 1 - Общий вид исполнений МИП-02ХХХ-30.0Х и МИП-02ХХХ-30.1Х

Рисунок 2 - Общий вид исполнения МИП-02ХХХ-30.3Х

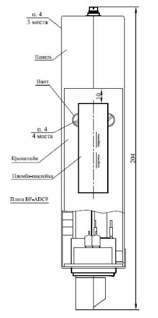
Рисунок 3 - Общий вид исполнения МИП-02ХХХ-4Х.ХХ

Рисунок 4 - Схема установки пломб на преобразователе МИП-02 исполнений МИП-02ХХХ-30.0Х и МИП-02ХХХ-30.1Х

всего листов 16

Рисунок 5 - Схема установки пломб на преобразователе МИП-02 исполнения МИП-02ХХХ-30.3Х

Рисунок 6 - Схема установки пломб на преобразователе МИП-02 исполнения МИП-02ХХХ-4Х.ХХ

Таблица 3 - Исполнения МИП-02ХХХ-4х.хх

Характеристики

Исполнения МИП-02ХХХ-4х.хх

-40.01

-41.01

-41.02

-42.01

-42.02

Каналы измерения напряжения типа ТИ_ _В, количество и тип

6

ТИ100В

3

ТИ100В

_

3

ТИ100В

_

Каналы измерения тока типа ТИ_А, количество и тип

6

ТИ5А

3

ТИ5А

_

3

ТИ5А

_

Каналы измерения напряжения типа РАС___В, количество и

тип

_

3

РАС 100

В

6

РАС 100

В

3

РАС 100В

6

РАС 100В

Каналы измерения тока типа

РАС_А, количество и тип

_

3

РАС5А

6

РАС5А

3

РАС1А

6

РАС1А

Каналы ТС ~/= 24В(220 В) с КУ типов FM-8DI-1(2) или аналогового ввода с КУ типов FM-8AINU(B)

32 (4x8)

Подключение к GPS/ГЛОНАСС

есть

Сервисный интерфейс

RS-232

Питание

~/= 220 В

Степень защиты

IP40

Конструкция

«Евромеханика» 19 дюймов 1U, по ГОСТ 28601.2 (МЭК 60297)

Программное обеспечение

Все преобразователи МИП-02ХХХ содержат встроенное микропрограммное обеспечение (МПО), которое обеспечивает их надежную работу, прием и передачу данных, измерение и вычисление требуемого набора параметров согласно техническим условиям (ТУ).

Встроенное в преобразователи МИП-02 программное обеспечение представляет собой целостный файл расширения *.ldr, который не поддается преднамеренным или непреднамеренным изменениям.

В зависимости от исполнения преобразователи МИП-02ХХХ имеют один или два физических интерфейса IEEE802.3 (Ethernet 10/100Base-T4) для передачи данных и интерфейс по RS-422 для связи с приемником GPS или ГЛОНАСС.

Интерфейс Ethernet обеспечивает обмен данными на скорости 100 Мбит/с.

Интерфейс RS-422 должен обеспечивает скорость приема/передачи не менее 38400 бит/сек. Для связи с приемником системы GPS используется протокол TSIP. Для связи с приемником системы ГЛОНАСС используется протокол BINARYt. Требуемые рабочие настройки устанавливаются при конфигурировании и хранятся в энергонезависимой памяти.

Для наладки и конфигурирования преобразователи МИП-02ХХХ имеют служебный интерфейс RS-232 или USB.

Преобразователи имеют флэш-память объемом не менее 1 Мбайт для хранения рабочей конфигурации, архивов счетчиков энергии, калибровочных коэффициентов измерительных каналов и другой необходимой информации.

Обеспечена возможность автоматического тестирования аппаратной части преобразователей через служебный интерфейс RS-232 или USB.

Обеспечена возможность передачи диагностического сообщения по сети Ethernet.

Инициализация и измерения по включению питания.

Интервал времени от включения питания до завершения инициализации и начала выполнения измерений не более 3 с.

Основные функции МПО:

- измерение и вычисление параметров трехпроводных и четырехпроводных электрических сетей переменного трехфазного тока с номинальной частотой 50 Гц;

- измерение и вычисление электрической энергии согласно требованиям ГОСТ Р 52323-2005 для счетчиков активной энергии класса 0,2S и требованиям ГОСТ Р 52425-2005 для счетчиков реактивной энергии класса 1;

- измерение и регистрацию показателей качества электрической энергии согласно требованиям     ГОСТ 13109-97,      ГОСТ Р 51317.4.15-99,      ГОСТ Р 51317.4.7-2008,

ГОСТ Р 51317.4.30-2008;

- прием команд (запросов от управляющего ПО);

- передача данных одному или нескольким компьютерам верхнего уровня системы;

- и др.

Таблица 4 - Идентификационные данные программного обеспечения

Наименование программного обеспечения

Идентификационное наименование программного обеспечения

Номер версии (идентификационный номер) программного обеспечения

Цифровой идентификатор программного обеспечения (контрольная сумма исполняемого кода)

Алгоритм вычисления цифрового идентификатора программного обеспечения

mip 02 - 536 - v0-2-273.ldr

mip02-536-v0-2-

273

0-2-273

8BF9

CRC-16

Метрологические характеристики преобразователей МИП-02, указанные в таблицах

5 и 6, нормированы с учетом ПО.

Уровень защиты ПО соответствует уровню С по МИ 3286-2010.

Технические характеристики

Основные метрологические и технические характеристики преобразователей МИП-02 приведены в таблицах 5-13.

Таблица 5 - Характеристики каналов измерений напряжения ТИ и РАС

Параметр

Типы каналов измерений напряжения

ТИ100В

ТИ220В

и0100В

и0220В

РАС100

В

Диапазон измерений напряжения, В

от 5 до 170

от 15 до 380

от 0,1 до

40

от 0,1 до

90

от 15 до 380

Пределы допускаемой основной относительной погрешности 6, %

± 0,15

± 0,15

± 0,2

± 0,2

± 0,2

Допускаемый температурный коэффициент, % / °C

± 0,02

± 0,02

± 0,01

± 0,02

± 0,02

Перегрузка, длительно (в течение 1 с)

200

(250)

440

(500)

200

(250)

440

(500)

440

(500)

Мощность потребления входной цепью, не более, В А (напряжение, В)

0,2 (100)

0,2 (220)

0,1 (40)

0,1 (90)

0,2 (220)

Сопротивление изоляции, не менее, МОм

100 (5)[1]

Электрическая прочность изоляции, не менее

2000 В переменного тока

Сечение внешних присоединительных проводов, мм2

от 0,5 до 2,0

Примечание [1] — В скобках указана величина сопротивления для крайних значений температуры и влажности.

Таблица 6 - Характеристики каналов измерений тока ТИ и РАС

Параметр

Типы каналов измерений тока

ТИ5А

IN5A

РАС1А

РАС5А

Диапазон измерений, А

от 0,011н до

1,421н

от 0,01 до 0,251н

от 0,4 до 40А

от 2 до 200А

Стартовый ток (чувствительность), А

0,0011н

_

_

_

Пределы основной относительной погрешности 6, %

± 0,2 ( ±0,4)

[1]

± 0,2 ( ±0,4)

[1]

± 1,0

± 1,0

Допускаемый ТК, % / °C

± 0,02

± 0,02

± 0,03

± 0,03

Перегрузка, длительно (в течение 1 с), А

10 (100)

10 (100)

10 (100)

15 (250)

Мощность потребления входной цепью, не более, В А (ток, А)

0,2 (5)

0,2 (5)

0,2 (10)

0,2 (10)

Сопротивление изоляции, не менее, МОм

100 (5)

Электрическая прочность изоляции, не менее

2000 В переменного тока

Сечение внешних присоединительных проводов, мм2

от 1,0 до 4,0

Примечание [1] — В скобках указан предел погрешности 6, для токов в диапазоне 0,011н < I < 0,0511н.

Таблица 7 - Характеристики каналов измерений мощности и энергии

Параметры активной мощности, энергии [1]

Параметры реактивной мощности, энергии [1]

Диапазон

cos ф

5, в %

Диапазон

sin ф

5, в %

0,0011н

1

±20

0,001Ih

1

±20

0,011н < I <

0,051н

1

±0,4

0,02Ih <I< 0,05Ih

1

±0,7

0,051н < I <

1,21н

1

±0,2

0,05Ih <I<

1,2Ih

1

±0,5

0,02Ih < I <

0,11н

0,5 < | cos ф | < 1

±0,5

0,05Ih <I< 0,1Ih

0,5 < | sin ф | < 1

±0,5

0,11н < I < 1,21н

0,5 < | cos ф | < 1

±0,3

0,1Ih < I < 1,2Ih

0,5 < | sin ф | < 1

±0,5

0,11н < I < 1,2Ih

0,25 < | cos ф | < 0,5

±0,5

0,05Ih <I<

1,2Ih

0,25 < | sin ф | < 0,5

±0,7

Допускаемый температурный коэфс бочих темт

шциент каналов измерения мощности в диапазоне ра-тератур - 0,04 % / °C. (% от 5)

Примечание [1] — Для измерения мощности и энергии, с указанными метрологиче-

скими характеристиками, используются каналы типов ТИ100В, ТИ220В, ТИ5А. В зависимости от исполнения предел допускаемой основной относительной погрешности нормируется при номинальном напряжении Uh = 100 В, Uh = 57 В или Uh = 220 В для диапазонов тока с номинальными значениями 1Н = 5 А и 1Н = 1 А.

Таблица 8 - Характеристики каналов измерений фазового угла между током и напряжением основной частоты

Диапазон измерений

Пределы допускаемой основной абсолютной (Д) погрешности

±180°

±0,1° при 0,01Ih < I < 0,05Ih

±0,05° при 0,05Ih < I < 1,2Ih

Таблица 9 - Характеристики каналов измерений частоты основной гармоники

Диапазон измерений

Пределы допускаемой основной абсолютной (Д) погрешности

от 42 до 69 Гц

±0,001 Гц при синхронизации от системы GPS (ГЛОНАСС)

±0,002 Гц без синхронизации от системы GPS (ГЛОНАСС)

Таблица 10 - Характеристики каналов измерений угла между фазными напряжениями основной частоты

Диапазон измерений

Пределы допускаемой основной абсолютной (Д) погрешности

±180°

±0,05°

Таблица 11 - Характеристики каналов изме

рений симметричных составляющих

Параметр

Диапазон измерений

Пределы основной допускаемой погрешности:

приведенной (у), %; относительной (6), %.

Канал напряжения типа ТИ: напряжение нулевой U0, прямой Ui, обратной U2 последовательностей, В

0 - U max [1]

±0,2 (у), при (U0, U1, U2) < 5

±0,2 (6), при (Uo, Ui, U2) > 5

Канал напряжения типа РАС: напряжение нулевой U0, прямой U1, обратной U2 последовательностей, В

0 - U max [1]

±0,2 (у), при (Uo, Ui, U2) < 5

±0,2 (6), при (Uo, Ui, U2) > 5

Канал тока типа ТИ:

ток нулевой I0, прямой 11, обратной I2 последовательностей, А

0 - I max [1]

±0,005 (y), при (Io, I1, I2) < 0,05Ih ±0,2 (6), при (Io, Ii, I2) > 0,051Ih

Канал тока типа РАС

ток нулевой I0, прямой 11, обратной I2 последовательностей, А

0 - I max [1]

±0,03 (y), при (Io, Ii, I2) < 0,25Ih ±1,0 (6), при (Io, Ii, I2) > 0,251Ih

Примечание [1] — Верхний предел диапазона измерения действующего значения

напряжения или тока.

Таблица 12 - Характеристики каналов измерений ПКЭ для исполнений МИП-02ХАХ-хх.хх

Показатель КЭ, единица измерения

Диапазон измерений

Пределы основной допускаемой погрешности: абсолютной (A), %; относительной (6), %.

Установившееся отклонение напряжения 6U^ %

от 10 до 170

±0,2 (A)

Размах изменения напряжения 6Ut, %

от 0,3 до 80

±8,0 (A)

Доза фликера, кратковременная PSt, длительная PL, отн. ед.

от 0,2 до 20

±5 (6)

Коэффициент искажения синусоидальности напряжения KU, %

от 0,1 до 620 [1]

±0,05 (A), при Ku < 2,5 ±2,0 (6), при Ku > 2,5

Коэффициент n-ой (2 - 40) гармонической составляющей напряжения KU(n), %

от 0,05 до 100

±0,03 (A), при Ku < 3 ±1,0 (6), при KU > 3

Фазовый угол n-ой (2 - 40) гармонической составляющей напряжения Ф^^

±180°

±3° (A), при 0,2 < KU(n) < 1 ±1° (a), при 1 < KU(n) < 2,5 ±0,5° (A), при 2,5 < Ku(n)

Коэффициент несимметрии напряжений по обратной последовательности K2U, %

от 0 до 25

±0,15 (A)

Коэффициент несимметрии напряжений по нулевой последовательности K0U, %

от 0 до 25

±0,15 (A)

Отклонение частоты Af, Гц

±8

±0,001; ±0,002 [2] (A)

Продолжение таблицы 13

Показатель КЭ, единица измерения

Диапазон измерений

Предел основной допускаемой погрешности: абсолютной (Д), %; относительной (6), %.

Длительность провала Д tn, с

от 0,01 до 60

±0,01 (Д)

Коэффициент временного перенапряжения Кпер U, отн. ед.

от 1,1 до 1,7

±0,01 (Д)

Частота повторения изменений напряжения

FSUt, (мин -1)

от 0,5 до 4000

±0,1 [3] (Д)

Глубина провала напряжения 6Un, %

от 10 до 100

±0,3 [4] (Д)

Длительность временного перенапряжения Д tnEP, с

от 0,01 с до 12 ч

±0,01 (Д)

Коэффициент искажения синусоидальности кривой тока KI, %

от 2 до 300, при 0,01 Ih < I < 0,1 Ih [1]

±0,2 (Д), при 2 < Ki < 10

±2,0 (б), при Ki > 10

от 0,1 до 300, при 0,1 Ih < I <

1,2 Ih [1]

±0,05 (Д), при Ki < 2,5 ±2,0 (6), при Ki > 2,5

Коэффициент n-ой (2 - 40) гармонической составляющей тока KI(n), %

от 0 до 100, при

0,01 Ih < I < 0,1 Ih

±0,1 (Д), при 2 < Ki < 10

±1,0 (6), при KI > 10

от 0 до 100, при 0,1 Ih < I < 1,2 Ih

±0,03 (Д), при 0,2 < K|(n) < 3 ±1,0 (6), при KI(n) > 3

Фазовый угол n-ой (2 - 40) гармонической составляющей тока Ф1(П)

±180°, при 0,01 Ih < I < 0,1 Ih

±2° (Д), при 2 < K|(n) < 10

±0,5° (Д), K|(n) > 10

±180°, при 0,1 Ih < I < 1,2 Ih

±5° (Д), при 0,2 < KI(n) < 1

±1° (Д), при 1 < KI(n) < 3 ±0,5° (Д), при KI(n) > 3

Примечания:

[1] — Действующее значение измеряемого сигнала должно быть в пределах диапа-

зона измерений.

[2] — При отсутствии сигнала PPS системы синхронизации времени (GPS, ГЛОНАСС).

[3] — Интервал измерения 10 мин, для колебаний напряжения с формой меандра.

[4] — Погрешность нормируется для длительности провала не менее 80 мс и глубины не более 90%.

лист № 12

всего листов 16

Таблица 143 - Характеристики каналов измерений ПКЭ для исполнений МИП-02ХТХ-хх.хх

Показатель КЭ, единица измерения

Диапазон измерений

Предел основной допускаемой погрешности: абсолютной (A), %; относительной (6), %.

Установившееся отклонение напряжения 6Uy, %

от 10 до 170

±0,2 (A)

Размах изменения напряжения 6Ut, %

от 0,3 до 80

±8,0 (A)

Доза фликера, кратковременная PSt, длительная PLt, отн. ед.

от 0,2 до 20

±5 (6)

Коэффициент искажения синусоидальности напряжения KU, %

от 0,1 до 300

±0,05 (A), при KU < 2,5 ±2,0 (6), при KU > 2,5

Коэффициент n-ой (от 2 до 40) гармонической составляющей напряжения KU(n), %

от 0,05 до 100

±0,03 (A), при KU < 3

±1,0 (6), при KU > 3

Коэффициент несимметрии напряжений по обратной последовательности K2U, %

от 0 до 25

±0,15 (A)

Коэффициент несимметрии напряжений по нулевой последовательности K0U, %

от 0 до 25

±0,15 (A)

Отклонение частоты Af, Гц

±8

±0,001; ±0,002 (A) [1]

Длительность провала A tn, с

от 0,01 до 60

±0,01 (A)

Коэффициент временного перенапряжения КПЕР U, отн. ед.

от 1,1 до 1,7

±0,01 (A)

Частота повторения изменений напряжения F6Ut, (мин -1)

от 0,5 до 4000

±0,1 (A) [2]

Глубина провала напряжения 6ПП, %

от 10 до 100

±0,3 (A) [3]

Длительность временного перенапряжения A ШЕР, с

от 0,01 с до 12 час

±0,01 (A)

Коэффициент искажения синусоидально-

от 2 до 300, при 0,01 IH <

I < 0,1 IH

±0,2 (A), при 2 < KI < 10

±2,0 (6), при KI > 10

сти кривой тока KI, %

от 0,1 до 300, при 0,1 IH < I < 1,2 IH

±0,05 (A), при KI < 2,5 ±2,0 (6), при KI > 2,5

Коэффициент n-ой (от 2 до 40) гармониче-

от 0 до 100, при 0,01 IH <

I < 0,1 IH

±0,1 (A), при 2 < KI < 10

±1,0 (6), при KI > 10

ской составляющей тока KI(n), %

от 0 до 100, при 0,1 IH < I < 1,2 IH

±0,03 (A), при 0,2 < KI(n) < 3

±1,0 (6), при KI(n) > 3

Примечания:

[1] — При отсутствии сигнала PPS системы синхронизации времени (GPS, ГЛО-

НАСС).

[2] — Интервал измерения 10 мин, для колебаний напряжения с формой меандра.

[3] — Погрешность нормируется для длительности провала не менее 80 мс и глубины не более 90%.

Таблица 14 - Технические характеристики каналов ТИТ

Параметр

Тип КУ аналогового ввода

FM-8AINB

FM-8AINU

Количество каналов

8

8

Входные диапазоны измерения [ 1 ]

± 5 мА, ± 10 В

0 - 20 мА, 0 - 10 В

Основная приведенная погрешность у , в %

± 0,12

± 0,12

Допускаемый ТК, в % / °C (% от 6) [2]

± 0,01

± 0,01

Входное сопротивление канала тока, не более, Ом

30

30

Входное сопротивление канала напряжения, не менее, кОм

50

50

Перегрузка, длительно (в течение 1 с)

±0,1 А (±0,2 А), ±30 В (±70 В)

±0,1 А (±0,2 А), ±30 В (±70 В)

Примечания:

[1] — Диапазон задается индивидуально для каждого канала путем установки

замыкателей.

[ 2] — Допускаемый температурный коэффициент (ТК) в диапазоне рабочих температур за пределами нормальных.

Технические характеристики преобразователей МИП-02.

Напряжение питания от однофазной сети 220 В переменного тока частотой 50 Гц или постоянного тока 220 В.

Потребляемая мощность не более 20 В • А.

Преобразователи исполнений МИП-02ХХХ-4х.хх выпускаются в корпусе «Евромеханика» 19 дюймов 1U, по ГОСТ 28601.3 (МЭК 60297), габариты не более 483x45x205 мм.

Преобразователи исполнений МИП-02ХХХ-3х.хх выпускаются в пластмассовом или металлическом корпусе для настенной установки или на 35-мм рейку DIN 50022 с габаритными размерами согласно конструкторской документации.

Преобразователи МИП-02ХХХ имеют независимые от внешнего питания часы реального времени.

Часы обеспечивают:

- отсчет времени при выключенном питании в течение, не менее 24 ч;

- стабильность хода, при выключенном питании, не хуже  ±5 с в сутки;

- стабильность хода, при включенном питании, без подстройки по сигналу PPS, не хуже ±2 с в сутки.

Масса не более 3-х кг.

Климатическое исполнение по ГОСТ 15150  УХЛ4, УХЛ3.1.

Нормальные условия применения:

- температура окружающей среды от 15 до 35 °С;

- относительная влажность воздуха от 45 до 80 %;

- атмосферное давление от 84 до 106,7 кПа;

- напряжение питания переменного тока от 210 до 230 В, частота от 49 до 51 Гц, или постоянного тока от 210 до 230 В.

Рабочие условия применения:

- температура окружающего воздуха для исполнений УХЛ4 в диапазоне от 5 до 55 °С, для исполнений УХЛ3.1 в диапазоне от минус 30 до плюс 60 °С;

- относительная влажность воздуха не более 80 % при 25 °С, без конденсации влаги;

- атмосферное давление от 84 до 106,7 кПа (от 630 до 800 мм рт. ст.);

- тип атмосферы по ГОСТ 15150 не хуже типа II (промышленная, не содержащая токопроводящей пыли, невзрывоопасная);

лист № 14 всего листов 16 - напряжение питания переменного тока от 110 до 242 В, частота от 47 до 63 Гц, или постоянного тока от 160 до 340 В.

Предельные рабочие условия эксплуатации:

диапазон температур для исполнения УХЛ4 от 1 до 55 °С;

диапазон температур для исполнения УХЛ3.1 от минус 30 до плюс 60 °С;

относительная влажность, без конденсации влаги, при 25 °С - 98%;

атмосферное давление в диапазоне     от 73,3 до 106,7 кПа (от 550 до 800 мм рт.ст.).

Степень защиты по ГОСТ 14254 (МЭК 60529):

исполнения МИП-02ХХХ-30.0х, -30.1х, -31.xx, -4x.xx

исполнения МИП-02ХХХ-30.3х

Стойкость к внешним воздействующим механическим факторам по ГОСТ 17516.1-90:

группа механического исполнения

устойчивость к вибрации частотой от 0,5 до 100 Гц, с ускорением до 0,5g;

устойчивость к одиночным ударам длительностью от 2 до 20 мс, с ускорением до 3 g.

Средний срок службы, с проведением ремонта, не менее 20 лет.

Средняя наработка на отказ не менее 100 000 ч.

По требованиям безопасности СИ соответствует ГОСТ Р 52319-2005 (МЭК 61010-1:2001).

По защите от поражения электрическим током, в соответствии с ГОСТ 12.2.007.0, СИ соответствует классу «I». СИ имеет заземляющий контакт разъёма питания. Значение сопротивления между каждой металлической нетоковедущей частью изделия доступной прикосновению, которая может стать опасной для жизни, и заземляющим контактом разъёма питания не превышает 0,1 Ом.

Знак утверждения типа

наносится путем установки на корпус преобразователя металлографической таблички (или методом шелкографии) и на титульные листы эксплуатационной документации типографским методом.

Комплектность

В комплект поставки входят:

- преобразователь МИП-02ХХХ-хх.хх соответствующего исполнения    1 шт.;

- принадлежности согласно ЛКЖТ2.721.00Х-ХХ.ХХ ФО          1 комплект;

- интерфейсный кабель RS-232                                          1 шт.

Комплект эксплуатационных документов по ГОСТ2.601-2006 в составе:

- руководство по эксплуатации (РЭ) ЛКЖТ2.721.004 РЭ;

- формуляр (ФО) ЛКЖТ2.721.004 ФО;

- методика поверки (МИ) ЛКЖТ2.721.004 МИ.

Поверка

осуществляется по документу ЛКЖТ2.721.004 МИ «Преобразователь измерительный многофункциональный МИП-02ХХХ. Методика поверки», утвержденному ФГУП «ВНИИМС» 15.02.2011 г.

Перечень основного и вспомогательного оборудования для поверки:

Таблица 15 - Эталоны и средства измерений______________________________________________

___________________Наименование, тип__________________________________________________

Ф4103-М1. Измеритель сопротивления цепи заземления

Мегомметр Ф-4102/2. Испытательное напряжение до 2500 В, измерение сопротивления изо

ляции от 1 до 1000 МОм.____________________________________________________________

Образцовый эталонный трехфазный ваттметр-счетчик ЦЭ6802.

Класс точности измерений: активной мощности ±0,05%; реактивной мощности ±0,1%.

Многофункциональный калибратор переменного напряжения и тока «Ресурс-К2».

Погрешность воспроизведения напряжения ±[0,05 + 0,01(Uh / U -1|)].

Погрешность воспроизведения тока ±[0,05 + 0,01(|Ih / I -1)].___________________________________

Калибратор FLUKE 5520A

Воспроизведение переменного напряжения до 1000 В, тока от 0 до 20 А.

Погрешность воспроизведения ±0,06%.

Эталон-калибратор электрической мощности FLUKE 6100A/E/80A

Воспроизведение переменного напряжения до 1000 В, тока от 0 до 80 А.

Воспроизведение эталонных сигналов для определения ПКЭ, проверки счетчиков энергии.

Частотомер HP53131A.

Диапазон измерения фазы от 0 до 360°. Разрешающая способность 10 нс. Погрешность измерения частоты 50 Гц ±0,0002%.

Калибратор токов и напряжений П320. Диапазон воспроизведения:

напряжения от 0 до 10 В, тока от 0 до 5 мА, от 0 до 20 мА. Погрешность ± 0,01%,

Сведения о методах измерений

Метод измерений приведен в Руководстве по эксплуатации на преобразователи измерительные многофункциональные МИП-02ХХХ ЛКЖТ2.721.004 РЭ.

Нормативные документы

1) ГОСТ 13109-97 Электрическая энергия. Совместимость технических средств электромагнитная. Нормы качества электрической энергии в системах электроснабжения общего назначения.

2) ГОСТ 15150-69 Машины, приборы и другие технические изделия. Исполнения для различных климатических районов. Категории, условия эксплуатации, хранения и транспортирования в части воздействия климатических факторов внешней среды.

3) ГОСТ Р 51317.4.15-99 Совместимость технических средств электромагнитная. Фликкерметр. Требования и методы испытаний

4) ГОСТ Р 52320-2005 Аппаратура для измерения электрической энергии переменного тока. Общие требования и условия испытаний. Часть 11. Счетчики электрической энергии.

5) ГОСТ Р 52323-2005 Аппаратура для измерения электрической энергии переменного тока. Частные требования. Часть 22. Статические счетчики активной энергии классов точности 0,2S и 0,5S.

6) ГОСТ Р 52425-2005 Аппаратура для измерения электрической энергии переменного тока. Частные требования. Часть 23. Статические счетчики реактивной энергии.

7) ГОСТ Р 52931-2008 Приборы контроля и регулирования технологических процессов. Общие технические условия.

8) ЛКЖТ2.721.004 ТУ Преобразователи измерительные многофункциональные МИП-02ХХХ. Технические условия.

Рекомендации к применению

• осуществление производственного контроля за соблюдением установленных за

конодательством Российской Федерации требований промышленной безопасности к эксплуатации опасного производственного объекта;

• осуществление торговли и товарообменных операций;

• выполнение работ по оценке соответствия промышленной продукции и продук

ции других видов, а также иных объектов установленным законодательством Российской Федерации обязательным требованиям;

Смотрите также

Для измерений параметров (частоты, напряжений, токов, мощностей, и т.д.) 3 проводных и 4 проводных электрических сетей переменного трехфазного тока с номинальной частотой 50 Гц; измерений и учета активной и реактивной энергии за установленные интерва...
Default ALL-Pribors Device Photo
Для измерения амплитуд эхосигналов отраженных от дефектов, времени прохождения ультразвуковых колебаний и координат дефектов. Является портативным многоканальным прибором и предназначен для автоматизированного ультразвукового контроля полых осей коле...
Default ALL-Pribors Device Photo
4769-75
БВ-4102 Подналадчики к плоскошлифовальным станкам
Завод измерительных приборов, РОССИЯ, г.Челябинск
Default ALL-Pribors Device Photo
47690-11
РАНК-1 Тахометры электронные
ООО "Стайер-С", РОССИЯ, г.Москва
Для бесконтактного измерения частоты вращения коленчатого вала четырехтактных двигателей внутреннего сгорания автотранспортных средств.
Default ALL-Pribors Device Photo
47691-11
КНС-10.2 Комплекты светофильтров
ФГУП "ВНИИ оптико-физических измерений" (ВНИИОФИ), РОССИЯ, г.Москва
Для измерений спектрального коэффициента направленного пропускания (далее - СКНП) при поверке (калибровке) фотометрической шкалы и шкалы длин волн фотометров и спектрофотометров в соответствии с ГОСТ 8.557-2007 и МИ 2060-90.