Подсистемы контроля вибрации дополнительного оборудования СКВ ДО
| Номер в ГРСИ РФ: | 63697-16 |
|---|---|
| Производитель / заявитель: | ООО НПП "Вибробит", г.Ростов-на-Дону |
Подсистемы контроля вибрации дополнительного оборудования (СКВ ДО) предназначены для измерения среднеквадратического значения виброскорости и частоты вращения элементов насосного и вентиляторного, либо любого другого оборудования.
Информация по Госреестру
| Основные данные | |
|---|---|
| Номер по Госреестру | 63697-16 |
| Действует | по 12.04.2026 |
| Наименование | Подсистемы контроля вибрации дополнительного оборудования |
| Модель | СКВ ДО |
| Код идентификации производства |
ОС
СИ не соответствует критериям подтверждения производства на территории
РФ в соответствии с постановлением №719
|
| Характер производства | Серийное |
| Идентификатор записи ФИФ ОЕИ | 7338d0b3-b28a-9a8c-9b58-431b818b1335 |
Производитель / Заявитель
ООО НПП "Вибробит", РОССИЯ, г.Ростов-на-Дону
Поверка
| Межповерочный интервал / Периодичность поверки |
2 года
|
| Зарегистрировано поверок |
1038
|
| Найдено поверителей | |
| Успешных поверок (СИ пригодно) | 1038 (100%) |
| Неуспешных поверок (СИ непригодно) | 0 (0 %) |
| Актуальность информации | 28.12.2025 |
Поверители
Скачать
|
63697-16: Описание типа
2016-63697-16.pdf
|
Скачать | 269.4 КБ | |
|
63697-16: Методика поверки
2016-mp63697-16.pdf
|
Скачать | 673.1 КБ |
Описание типа
Назначение
Подсистемы контроля вибрации дополнительного оборудования (СКВ ДО) предназначены для измерения среднеквадратического значения виброскорости и частоты вращения элементов насосного и вентиляторного, либо любого другого оборудования.
Описание
Подсистемы контроля вибрации дополнительного оборудования (СКВ ДО) (далее подсистемы или СКВ ДО) являются проектно-компонуемыми изделиями (системы вида ИС-1 согласно ГОСТ Р 8.596-2002).
СКВ ДО измеряют и контролируют следующие параметры:
- среднеквадратичное значение (СКЗ) виброскорости;
- частоту вращения.
СКВ ДО выполняют:
- расчет дополнительных параметров в реальном масштабе времени;
- передачу измеренных и рассчитанных параметров по цифровым интерфейсам связи на сервер сбора данных для архивирования, виброналадки и вибродиагностики оборудования;
- сравнение параметра с заданными уровнями и формирование дискретных сигналов при их превышении для реализации защиты контролируемого оборудования от превышения вибрации выше установленного уровня (аварийные уставки);
- сигнализацию о превышении допустимых уровней вибрации;
- формирование опорного импульса частоты вращения агрегата;
- передачу по запросу измеренных и рассчитанных параметров на средства отображения информации, в систему верхнего уровня;
- формирование и передача по запросу массива данных для осциллографирования параметра;
- регистрацию фаз вибрации;
- оценку вибросостояния, выявление неисправностей оборудования на ранней стадии развития (зарождающиеся дефекты) и отслеживание их развития, с целью предотвращения внезапных (аварийных) отказов;
- накопление информации по сигнализации, результатам измерений и оценке вибросостояния, отображение ее на входящие в состав подсистемы средства визуализации.
Технические средства (ТС) СКВ ДО, реализующие измерительные функции системы -измерительные каналы (из состава оборудования «Аппаратура «Вибробит 400») комплексов виброконтрольных, являются средствами измерений, включены в Государственный реестр средств измерений России под № 57879-14.
Измерительные каналы СКЗ виброскорости состоят из:
- датчиков пьезоэлектрических IPS400.317;
- цифровых измерительных преобразователей DT400.010.
Измерительные каналы частоты вращения состоят из:
- датчиков вихретоковых IES400.010;
- цифровых измерительных преобразователей DT400.010.
Измерительные каналы объединяются в комплексы виброконтрольные (КВ), состоящих из (в зависимости от комплектации):
- шкафа виброконтрольного, в состав которого входят:
- цифровые измерительные преобразователи DT400.010;
- конвертеры интерфейсов IC400.001;
- плата коммутационная;
- блоки логики;
- реле, клеммы, сигнальные лампы и др.
- датчиков пьезоэлектрических IPS400.317;
- датчиков вихретоковых IES400.010;
- коробок соединительных.
Цифровые измерительные преобразователи DT400.010 непрерывно выполняют измерения СКЗ виброскорости и частоты вращения, передают данные в конвертеры интерфейса IC400.001 по цифровому интерфейсу CAN2.0B, формируют логическую сигнализацию на дискретных выходах.
Конвертеры интерфейсов IC400.001 передают поток данных от цифровых измерительных преобразователей DT400.010 в технологическую локальную вычислительную сеть Ethernet СКВ ДО.
Локальная вычислительная сеть (ЛВС) Ethernet СКВ ДО организуется по проводным и оптоволоконным линиям связи с помощью коммутаторов ЛВС, входящих в состав СКВ ДО.
Питание КВ осуществляется напряжением +24 В постоянного тока от стоек питания. Для каждого контролируемого агрегата в стойках питания СКВ ДО предусмотрено по два модуля питания МП24 (из состава аппаратуры «Вибробит 300», Госреестр № 50586-12).
Сбор, хранение, обработку и передачу результатов измерения в АСВД осуществляет стойка агрегатная СКВ ДО, состоящая из коммутационного оборудования, серверов баз данных, веб серверов, источников бесперебойного питания, автоматических включателей резерва. В состав стойки агрегатной входят автоматизированные рабочие места (АРМ) оператора для визуального контроля измеряемых параметров контролируемых процессов.
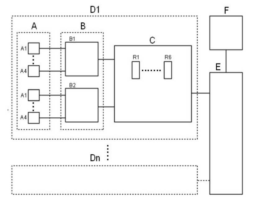
Структурная схема СКВ ДО и внешний вид основных компонентов представлены на рисунках 1 - 7.
A - Датчики пьезоэлектрические типа IPS400.317 и вихретокового типа ES400.010.
Количество и тип подключаемых датчиков зависит от типа объекта контроля.
B - Коробки соединительные КС-3 и/или КС-4. Количество и тип подключаемых коробок
соединительных зависит от типа объекта контроля (одна или две коробки).
С - Шкаф виброконтрольный - возможен один из типов: КВ-6ВО-1ЧВ, КВ-6ВО, КВ-5ВО,
КВ-4ВО, КВ-3ВО в зависимости от типа объекта контроля.
R1...R6 - Цифровые измерительные преобразователи DT400.010 установленные в шкафах виброконтрольных (С). Количество установленных преобразователей: от 3 до 6 в зависимости от типа шкафа виброконтрольного.
D1... Dn - Комплексы виброконтрольные, состоящие из узлов A, B и C. Возможные следующие типы: КВ-6ВО-1ЧВ, КВ-6ВО, КВ-5ВО, КВ-4ВО, КВ-3ВО в зависимости от типа объекта контроля. Общее количество комплексов виброконтрольных зависит от количества объектов контроля.
E - Штатные компоненты СКВ ДО, включающие в себя: коммутаторы ЛВС, стойки
питания, стойку агрегатную и кабельные линии связи.
F - Персональный компьютер (ПК) АРМ оператора.
Рисунок 1 - Структурная схема подсистем контроля вибрации дополнительного оборудования (СКВ ДО)
Рисунок 2 - Внешний вид стойки агрегатной
Рисунок 3 - Внешний вид стойки питания
Рисунок 4 - Внешний вид шкафа комплекса виброконтрольного
Рисунок 5 - Внешний вид датчика пьезоэлектрического типа IPS400.317
Рисунок 6 - Внешний вид датчика вихретокового типа ES400.010
Рисунок 7 - Внешний вид измерительного преобразователя DT400.010
На корпусе измерительного преобразователя DT400.010 расположена защитная пломба, предохраняющая его от несанкционированного вскрытия. Защитная пломба представляет собой наклейку с предупреждающей информацией: «Повреждение наклейки лишает гарантии». Наклейка устанавливается в нижней части корпуса измерительного преобразователя, скрепляя две его половины, как показано на рисунке 8.
Рисунок 8 - Защитная пломба на корпусе измерительного преобразователя
Программное обеспечение
Программное обеспечение (ПО) «Вибробит Web.Net.Monitoring» является верхним уровнем СКВ ДО и осуществляет анализ и обработку полученных данных с нижних уровней, предоставление полученной информации оператору, а так же управление и мониторинг работы системы в режиме реального времени.
«Вибробит Web.Net.Monitoring» имеет несколько форм защиты от преднамеренных и непреднамеренных изменений как на программном, так и на физическом уровне. Идентификационные данные (признаки) метрологически значимой части программного обеспечения приведены в таблице 1.
Таблица 1
|
Идентификационные данные (признаки) |
Значение |
|
Идентификационное наименование ПО |
Вибробит Web.Net.Monitoring» ВШПА.421412.990 |
|
Номер версии (идентификационный номер) ПО |
Не ниже 2.5 |
|
Цифровой идентификатор ПО |
39c58148d103094cf4d7d8a48c8ec31d |
|
Алгоритм вычисления цифрового идентификатора ПО |
MD5 |
|
Другие идентификационные данные (если имеются) |
- |
Метрологически значимая часть программного обеспечения и измеренные данные защищены с помощью специальных средств защиты от непреднамеренных и преднамеренных изменений. Стойка агрегатная, стойки питания, коммутаторы ЛВС, комплексы виброконтрольные закрываются на ключ и опечатываются, помещения, в которых размещаются компоненты СКВ ДО, имеют систему ограничения доступа. Доступ к компонентам СКВ ДО имеет только персонал, имеющий допуск к работе с данной СКВ ДО.
Уровень защиты ПО от преднамеренных и непреднамеренных воздействий по Р 50.2.077-2014 соответствует уровню «высокий».
Технические характеристики
Метрологические и технические характеристики, включая показатели точности, подсистем контроля вибрации дополнительного оборудования (СКВ ДО) поканально представлены ниже.
|
Таблица 2 - Перечень ИК и их мет |
рологические характеристики | ||
|
Наименование ИК |
Единица измерения |
Диапазон измерения |
Значение границ интервала погрешности ИК в рабочих условиях применения компонентов для вероятности Р = 0,95 |
|
СКЗ виброскорости в диапазоне частот от 2 Гц до 1000 Гц. |
мм/с |
0,3 - 16; 0,4 - 20; 0,6 - 32 |
основной относительной погрешности измерения ±6 % |
|
Частота вращения |
об/мин |
1 - 12 000 |
основной абсолютной погрешности измерения ±1 об/мин |
Таблица 3 - Технические характеристики СКВ ДО
|
Наименование характеристики |
Значение характеристики |
|
Потребляемая мощность при одновременном включении всех составных частей СКВ ДО, не более, кВ •А |
50 |
|
Номинальная потребляемая мощность в зависимости от комплектации системы и без учета мощности потребления компьютерного оборудования, не более, кВ •А |
15 |
|
Параметры электропитания стойки агрегатной, стоек питания, коммутаторов ЛВС: | |
|
Напряжение переменного тока, В |
220±10% |
|
Частота переменного тока, Гц |
50±2,5 % |
|
Параметры электропитания комплексов виброконтрольных: | |
|
Напряжение питания постоянного тока, В |
от 18 до 36 |
|
Потребляемая мощность, не более, Вт |
30 |
|
Рабочие условия эксплуатации стойки агрегатной: | |
|
Температура окружающей среды, °С |
от +10 до +35 |
|
Относительная влажность воздуха, не более, % (без конденсации влаги) |
80 |
|
Атмосферное давление, мм рт.ст. |
от 630 до 800 |
|
Рабочие условия эксплуатации стоек питания, коммутаторов ЛВС, шкафов комплексов виброконтрольных: | |
|
Температура окружающей среды, °С |
от +10 до +35; от +5 до +45 (не более 15 суток) |
Продолжение таблицы 3
|
Наименование характеристики |
Значение характеристики |
|
Относительная влажность воздуха, не более, % (без конденсации влаги) |
80; 98 (не более 15 суток) |
|
Атмосферное давление, мм рт.ст. |
от 630 до 800 |
|
Масса СКВ ДО, не более, кг |
6000 |
|
Масса стойки агрегатной, стойки питания, не более, кг |
400 |
|
Масса комплекса виброконтрольного, коммутатора ЛВС, не более, кг |
80 |
|
Габаритный размер стойки агрегатной, не более, мм (г*в*ш) |
600x2000x1000 |
|
Габаритный размер стойки питания, не более, мм (г*в*ш) |
600x2000x600 |
|
Габаритные размеры коммутатора ЛВС, шкафа питания и коммутации, не более, мм (г*в*ш) |
600x478x473 |
|
Габаритный размер шкафа комплекса виброконтрольного, не более, мм (в*шхг) |
400x455x215 |
|
Средний срок службы, не менее, лет |
30 |
Примечание - Рабочие условия применения датчиков, цифровых измерительных преобразователей, входящих в состав СКВ ДО, в соответствии с технической документацией.
Знак утверждения типа
наносится на титульный лист руководства по эксплуатации и формуляра СКВ ДО методом печати.
Комплектность
Комплектность подсистем контроля вибрации дополнительного оборудования
(СКВ ДО) представлена в таблице 4.
Таблица 4
|
Обозначение |
Наименование |
Кол-во |
|
ВШПА.421412.400.004 |
Подсистема контроля вибрации дополнительного оборудования (СКВ ДО)* |
1 экз. |
|
ВШПА.421412.400.004ФО |
Формуляр |
1 экз. |
|
ВШПА.421412.400.004РЭ |
Руководство по эксплуатации |
1 экз. |
|
ВШПА.421412.400.004МП |
Методика поверки |
1 экз. |
* Вариант исполнения подсистемы определяется заказной спецификацией (договором на поставку).
Поверка
осуществляется в соответствии с документом ВШПА.421412.400.004МП «Подсистемы контроля вибрации дополнительного оборудования (СКВ ДО). Методика поверки», утвержденным ФБУ «Ростовский ЦСМ» 28.01.2016 г.
Место нанесения поверительного клейма в виде оттиска - свидетельство о поверке, эксплуатационная документация. Место нанесения поверительного клейма в виде наклейки -свидетельство о поверке.
При проведении поверки применяется следующее поверочное оборудование:
- станция для калибровки преобразователей вибрации 9155 (Госреестр № 45699-10);
- вибропреобразователь ускорения 8305 (Госреестр № 14923-09);
- усилитель измерительный 2635 (Госреестр № 7111-79);
- вольтметр универсальный цифровой В7-78 (Госреестр № 25232-03);
- генератор сигналов специальной и произвольной формы DG1022 (Госреестр № 36589-07);
- глубиномер микрометрический ГМ100 (Госреестр № 319-05).
Сведения о методах измерений
ВШПА.421412.400.004 РЭ «Подсистемы контроля вибрации дополнительного оборудования (СКВ ДО). Руководство по эксплуатации», раздел «Методика выполнения измерений».
Нормативные документы
- ГОСТ Р 8.596-2002 «ГСИ. Метрологическое обеспечение измерительных систем. Основные положения»;
- ГОСТ ИСО 10816-3-2002 «Вибрация. Контроль состояния машин по результатам измерений вибрации на невращающихся частях. Часть 3. Промышленные машины номинальной мощностью более 15 кВт и номинальной скоростью от 120 до 15000 мин-1»;
- ВШПА.421412.400.004 ТУ «Подсистема контроля вибрации дополнительного оборудования (СКВ ДО). Технические условия».
Смотрите также






