Термометры электроконтактные ТКП-100
| Номер в ГРСИ РФ: | 68475-17 |
|---|---|
| Категория: | Термометры |
| Производитель / заявитель: | ООО НПП "ЭЛЕМЕР", г.Москва |
Термометры электроконтактные ТКП-100 (далее по тексту - ТКП или прибор) предназначены для измерений и контроля температуры твердых, жидких, газообразных и сыпучих сред.
Информация по Госреестру
| Основные данные | |
|---|---|
| Номер по Госреестру | 68475-17 |
| Действует | по 30.08.2027 |
| Наименование | Термометры электроконтактные |
| Модель | ТКП-100 |
| Код идентификации производства |
ОС
СИ не соответствует критериям подтверждения производства на территории
РФ в соответствии с постановлением №719
|
| Характер производства | Серийное |
| Идентификатор записи ФИФ ОЕИ | 4fdece1d-95f1-73c9-2ea9-dc9ca2443050 |
Производитель / Заявитель
Общество с ограниченной ответственностью Научно-производственное предприятие «ЭЛЕМЕР» (ООО НПП «ЭЛЕМЕР»), г. Москва, г. Зеленоград
Поверка
| Межповерочный интервал / Периодичность поверки |
4 года
2 года
для термометров с верхним пределом диапазона измерений +500 °С
|
| Зарегистрировано поверок | |
| Найдено поверителей | |
| Успешных поверок (СИ пригодно) | 814 (99%) |
| Неуспешных поверок (СИ непригодно) | 11 (1 %) |
| Актуальность информации | 28.12.2025 |
Поверители
Скачать
|
68475-17: Описание типа
2024-68475-17.pdf
|
Скачать | 411.9 КБ | |
|
68475-17: Методика поверки
2017-mp68475-17.pdf
|
Скачать | 2.4 MБ |
Описание типа
Назначение
Термометры электроконтактные ТКП-100 (далее по тексту - ТКП или прибор) предназначены для измерений и контроля температуры твердых, жидких, газообразных и сыпучих сред.
Описание
Принцип действия ТКП, состоящего из первичного преобразователя температуры -термопреобразователя сопротивления (ТС) и электронного блока, основан на зависимости сопротивления платинового термочувствительного элемента (ЧЭ) ТС с номинальной статической характеристикой преобразования (НСХ) типа «Pt100» по ГОСТ 6651-2009 от температуры. Электронный блок ТКП осуществляет аналого-цифровое преобразование параметров электрического сигнала, поступающего от ТС, и передачу его в микропроцессорный модуль, который обеспечивает управление всеми схемами прибора. В зависимости от значения измеренного
сигнала ТКП может осуществлять регулирование и управление различными исполнительными устройствами.
ТКП являются переконфигурируемыми приборами. Просмотр и изменение параметров конфигурации ТКП производится посредством кнопочной клавиатуры, расположенной на лицевой панели. Индикация значений измеряемой температуры, в том числе и в виде дискретной графической шкалы с указанием положения уставок относительно диапазона измерений, а также значений уставок и параметров конфигурации происходит на многофункциональном четырехразрядном дисплее. Также на дисплее отображается информация о срабатывании реле каналов сигнализации.
ТКП имеют две уставки и два электромеханических вибростойких реле каналов сигнализации, тип и значение уставок выбираются потребителем.
ТКП являются:
- по числу преобразуемых входных сигналов - одноканальными;
- по числу каналов сигнализации - двухканальными.
ТКП имеют исполнения:
- общепромышленное ТКП-100/М1, ТКП-100/М2;
- атомное (повышенной надежности) для эксплуатации на объектах АС и объектах ядерного топливного цикла (ОЯТЦ) ТКП-100А/М1, ТКП-100А/М2.
В зависимости от варианта электрического присоединения к цепям питания и цепям сигнализации ТКП имеют модификации:
- ТКП-100/М1 с разъемами 2РМГ14 и 2РМГ22;
- ТКП-100/М2 с разъемами GSP 311, GSSNA 300.
Фотографии общего вида ТКП с первичными преобразователями представлены на рисунке 1.
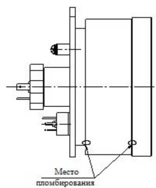
Схема пломбировки от несанкционированного доступа представлена на рисунке 2.
ТС-1088/1
ТС-1088/7
ТС-1088/2, ТС-1088/5
ТС-1088/8
ТС-1288/2
ТС-1388/5ТКП
ТС-1088/3, ТС-1088/6 ТС-1088/4
ТС-1088/9
ТС-1288/5
ТС-1288/10
Рисунок 1 - Общий вид ТКП-100/М1, ТКП-10/М2
ТКП-100/М1
ТКП-100/М2
Рисунок 2 - Схема пломбировки от несанкционированного доступа
Программное обеспечение
Программное обеспечение (ПО) ТКП состоит только из встроенной в микропроцессорный модуль метрологически значимой части ПО. ПО ТКП является фиксированным, незагружаемым и может быть изменено только на предприятии-изготовителе, что соответствует уровню защиты «высокий» (в соответствии с рекомендацией по метрологии Р 50.2.077-2014). Метрологические характеристики ТКП оценены с учетом влияния на них встроенного ПО.
Таблица 1 - Идентификационные данные внутреннего программного обеспечения
|
Идентификационные данные (признаки) |
Значение |
|
Идентификационное наименование ПО |
TKP-150M_ МСИС_Р1С 18F2525_v8_89_ 2017-03-10.hex |
|
Номер версии (идентификационный номер) ПО |
не ниже 8.89 |
|
Цифровой идентификатор ПО |
по номеру версии |
Технические характеристики
Таблица 2 - Основные метрологические характеристики
|
Наименование характеристики |
Значение | ||
|
Диапазон измерений температуры, °С |
от -50 до +200 |
от -50 до +200 |
от 0 до +500 |
|
Поддиапазоны измерений температуры, °С |
от -50 до +200 от -25 до +35 от -25 до +75 |
от -50 до +200 от 0 до +50 от 0 до +100 от +25 до +125 от +50 до +150 от +100 до +200 |
от 0 до +500 от +100 до +250 от +200 до +300 |
|
Наименование характеристики |
Значение | ||||||
|
Пределы допускаемой основной приведенной погрешности измерений температуры, уо, % (от диапазона измерений) |
±(1,0+*) |
±(0,5+*) |
±(0,25+*) |
±(0,25+*) |
±(1,0+*) |
±(0,5+*) |
±(0,25+*) |
|
Класс точности |
1,0 |
0,5 |
0,25 |
0,25 |
1,0 |
0,5 |
0,25 |
|
Длина монтажной части, мм, не менее |
20, 30, 40, 50, 60, 80 |
100 |
120 |
120 |
120 |
160 |
200 |
|
Пределы допускаемой дополнительной погрешности измерений температуры от изменения температуры окружающей среды в диапазоне рабочих температур, на каждые 10 ОС, %/10 ОС |
±0,25 | ||||||
|
Нормальные условия измерений: - температура окружающей среды, ос - относительная влажность, % - атмосферное давление, кПа |
от +15 до +25 от 30 до 80 от 84 до 106,7 | ||||||
|
Примечание - * - Одна единица наименьшего разряда, выраженная в процентах от диапазона измерений | |||||||
Таблица 3 - Основные технические характеристики
|
Наименование характеристики |
Значение |
|
Параметры электрического питания: - номинальное напряжение постоянного тока, В - номинальное напряжение переменного тока, В - частота переменного тока, Гц |
24; 36 220 50 |
|
Потребляемая мощность, Вт, не более |
5 |
|
Длина монтажной части, мм, не более |
от 20 до 25000 |
|
Масса электронного блока, кг, не более |
0,7 |
|
Наименование характеристики |
Значение |
|
Рабочие условия измерений: - температура окружающей среды*, °С - относительная влажность, % - атмосферное давление, кПа |
от -5 до +50 от -25 до +70 от -40 до +70 95 от 84 до 106,7 |
|
Средняя наработка на отказ, ч, не менее: - для ТКП-100 - для ТКП-100А |
80000 270000 |
|
Средний срок службы, лет, не менее: - для ТКП-100 - для ТКП-100А |
10 30 |
|
Примечание - * - в зависимости от модификации | |
Знак утверждения типа
наносится на табличку, прикрепленную к корпусу термометров электроконтактных ТКП-100, термотрансферным способом и (или) на руководство по эксплуатации типографским способом.
Комплектность
Таблица 4 - Комплектность средства измерений
|
Наименование |
Обозначение |
Количество |
Примечание |
|
Термометр электроконтактный ТКП-100___ |
НКГЖ.405591.022— |
1 шт. |
Исполнение, модификация ТКП-100 в соответствии с заказом |
|
Комплект инструмента и принадлежностей ТКП-100/М1 |
НКГЖ.405.591.052 |
1 шт. | |
|
Комплект инструмента и принадлежностей ТКП-100/М2 |
НКГЖ.405.591.053 |
1 шт. | |
|
Термометры электроконтактные ТКП-100. Руководство по эксплуатации |
НКГЖ.405591.022РЭ |
1 экз. | |
|
Термометры электроконтактные ТКП-100. Паспорт |
НКГЖ.405591.022-ХХПС |
1 экз. | |
|
Термометры электроконтактные ТКП-100. Методика поверки |
НКГЖ.405591.022МП |
1 экз. |
Сведения о методиках (методах) измерений приведены в эксплуатационном документе.
Нормативные документы
ГОСТ Р 52931-2008 Приборы контроля и регулирования технологических процессов.
Общие технические условия;
ГОСТ 6651-2009 ГСИ. Термопреобразователи сопротивления из платины, меди и никеля. Общие технические требования и методы испытаний;
ГОСТ 23125-95 Сигнализаторы температуры. Общие технические условия;
ТУ 4211-091-13282997-2011 Термометры электроконтактные ТКП-100. Технические условия.
Другие Термометры






