Газосигнализаторы СЕНС СГ-А
| Номер в ГРСИ РФ: | 68847-17 |
|---|---|
| Категория: | Газоанализаторы |
| Производитель / заявитель: | ООО НПП "Сенсор", г.Заречный |
Газосигнализаторы СЕНС СГ-А (далее - газосигнализаторы) предназначены для автоматического, непрерывного измерения довзрывоопасной концентрации горючих газов и паров и сигнализации о превышении установленных порогов срабатывания сигнализации.
Информация по Госреестру
| Основные данные | ||||||||||
|---|---|---|---|---|---|---|---|---|---|---|
| Номер по Госреестру | 68847-17 | |||||||||
| Действует | по 05.10.2027 | |||||||||
| Наименование | Газосигнализаторы | |||||||||
| Модель | СЕНС СГ-А | |||||||||
| Модификации |
СЕНС СГ-А1-C3H8 СЕНС СГ-А1-CH4 |
|||||||||
| Приказы |
№122 от
27.01.2026
— О внесении изменений в сведения об утвержденных типах средств измерений
№485 от
17.03.2026
— О внесении изменений в сведения об утвержденных типах средств измерений
|
|||||||||
| Код идентификации производства |
РФ
СИ соответствует критериям подтверждения производства на территории
РФ в соответствии с постановлением №719
|
|||||||||
| Характер производства | Серийное | |||||||||
| Идентификатор записи ФИФ ОЕИ | f5ee710e-088d-903c-9526-7313852598fa | |||||||||
| Испытания |
|
|||||||||
Производитель / Заявитель
ООО НПП «СЕНСОР», РОССИЯ, 442961, Пензенская область, г. Заречный, ул. Промышленная, стр. 5
Поверка
| Методика поверки / информация о поверке |
МП 684-2025 Газосигнализаторы СЭНС СГ-А. Методика поверки. (Для вновь изготавливаемых средств измерений в дополнение к СЕНС.413347.010 МП)
(с 27.01.2026)
СЭНС.413347.010 МП Газосигнализаторы СЭНС СГ-А. Методика поверки.
|
| Межповерочный интервал / Периодичность поверки |
2 года
|
| Зарегистрировано поверок |
13231
|
| Найдено поверителей | |
| Успешных поверок (СИ пригодно) | 12705 (96%) |
| Неуспешных поверок (СИ непригодно) | 526 (4 %) |
| Актуальность информации | 24.05.2026 |
Поверители
Скачать
|
68847-17: Описание типа
2021-68847-17.pdf
|
Скачать | 503.9 КБ | |
|
68847-17: Методика поверки
2017-mp68847-17.pdf
Файл устарел
|
Скачать | 568.9 КБ | |
|
68847-17: Описание типа
2021-68847-17-1.pdf
Файл устарел
|
Скачать | 503.9 КБ | |
|
68847-17: Методика поверки
СЭНС.413347.010 МП
2017-mp68847-17-1.pdf
Файл устарел
|
Скачать | 568.9 КБ | |
|
68847-17: Методика поверки
МП 684-2025
2026-mp68847-17.pdf
Файл устарел
|
Скачать | 2.4 MБ | |
|
68847-17: Описание типа
2026-68847-17.pdf
|
Скачать | 194.1 КБ | |
|
68847-17: Методика поверки
СЭНС.413347.010 МП
2017-mp68847-17-2.pdf
|
Скачать | 568.9 КБ | |
|
68847-17: Методика поверки
МП 684-2025
2026-mp68847-17-1.pdf
|
Скачать | 2.4 MБ | |
|
68847-17: Описание типа
2026-68847-17-1.pdf
Файл устарел
|
Скачать | 194.1 КБ | |
|
68847-17: Описание типа
2021-68847-17-2.pdf
Файл устарел
|
Скачать | 503.9 КБ | |
|
68847-17: Методика поверки
МП 684-2025
2026-mp68847-17-2.pdf
Файл устарел
|
Скачать | 2.4 MБ | |
|
68847-17: Методика поверки
СЭНС.413347.010 МП
2017-mp68847-17-3.pdf
Файл устарел
|
Скачать | 568.9 КБ |
Описание типа
Назначение
Газосигнализаторы СЕНС СГ-А (далее - газосигнализаторы) предназначены для автоматического, непрерывного измерения довзрывоопасной концентрации горючих газов и паров и сигнализации о превышении установленных порогов срабатывания сигнализации.
Описание
Принцип действия газосигнализаторов основан на преобразовании с помощью оптического датчика значений концентрации горючего газа в измерительный сигнал, пропорциональный содержанию определяемого компонента в воздухе, и выработке световых и управляющих сигналов в соответствии с алгоритмом работы газосигнализаторов.
Метод измерений - прямой, инфракрасная абсорбция.
Способ отбора пробы - диффузионный.
Тип газосигнализаторов - стационарный, автоматический, электрический, одноканальный, непрерывного действия, с верхним пределом измерений содержания горючих газов и паров до 100% от нижнего концентрационного предела распространения пламени (воспламенения) (НКПР). Газосигнализаторы являются автономными газоаналитическими приборами.
Газосигнализаторы предназначены для стационарной установки, обеспечивают местную световую индикацию и сигнализацию, обеспечивают, в зависимости от варианта исполнения, вывод информации об измеренной величине концентрации по аналоговому токовому выходу в виде аналогового унифицированного токового выходного сигнала от 4 до 20 мА и по цифровым последовательным интерфейсам:
- линии питания-связи СЕНС, протокол СЕНС;
- RS-485, протокол Modbus, СЕНС;
- HART, протокол HART.
Газосигнализаторы, в зависимости от варианта исполнения, обеспечивают переключение контактов встроенных сигнальных реле при превышении установленных порогов концентрации или возникновения неисправности.
Газосигнализаторы имеют варианты исполнения в зависимости от поверочного компонента в соответствии с таблицей 1.
Таблица 1 - Варианты исполнения в зависимости от поверочного компонента
|
Исполнение |
Поверочный компонент |
Определяемый компонент |
|
СЕНС СГ-А |
пропан (C3H8) |
пропан (C3H8) бутан (С4Н10) гексан (СбНы) |
|
СЕНС СГ-А-СН4 |
метан (CH4) |
— |
|
СЕНС СГ-А1 |
пропан (C3H8) |
пропан (C3H8) бутан (С4Н10) гексан (СбНы) |
|
СЕНС СГ-А1-СН4 |
метан (CH4) |
— |
Общий вид газосигнализаторов представлен на рисунках 1 и 2.
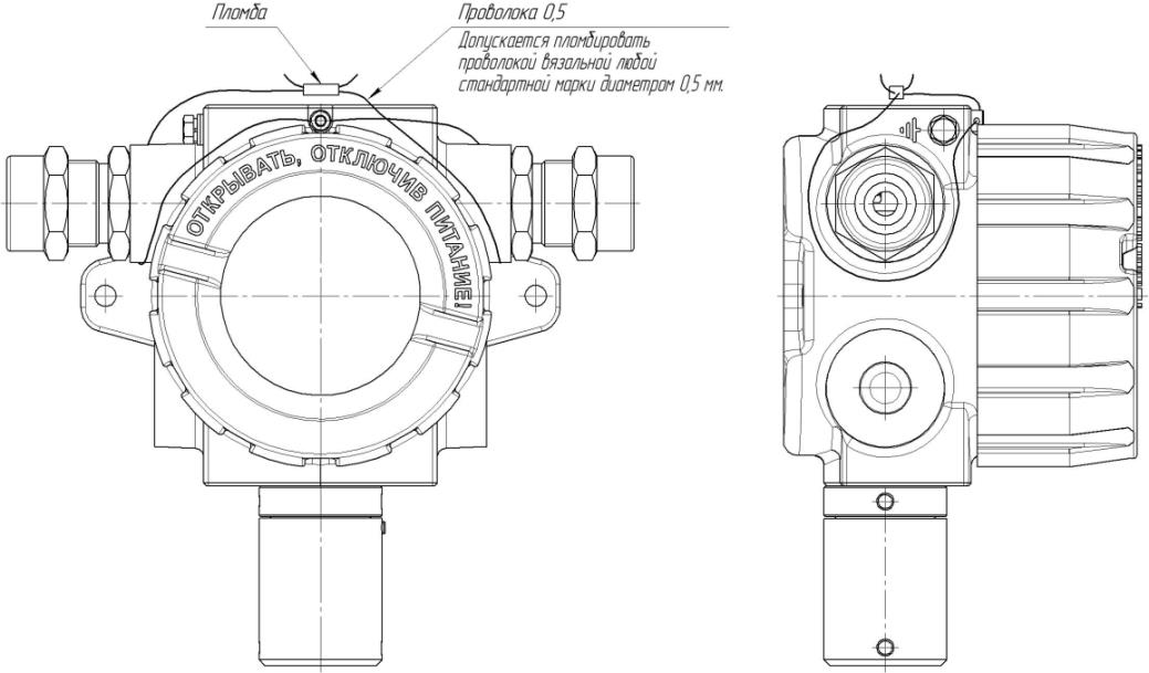
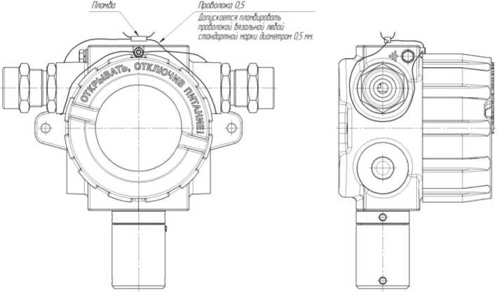
Конструкция газосигнализаторов обеспечивает ограничение доступа к внутренним элементам с целью предотвращения несанкционированного доступа. Схема пломбировки от несанкционированного доступа приведена на рисунках 3 и 4. Степень защиты от проникновения твердых предметов и воды соответствует IP66.
Нанесение знака поверки на газосигнализаторы не предусмотрено. Знак поверки наносится на свидетельство о поверке и/или в паспорт на газосигнализатор.
Рисунок 2- Общий вид газосигнализаторов исполнений СЕНС СГ-А1, СЕНС СГ-А1-СН4.
Рисунок 1 - Общий вид газосигнализаторов исполнений СЕНС СГ-А, СЕНС СГ-А-СН4.
Рисунок 3 - Схема пломбировки газосигнализаторов исполнения СЕНС СГ -А
Рисунок 4 - Схема пломбировки газосигнализаторов исполнения СЕНС СГ-А1.
Программное обеспечение
Газосигнализаторы имеют встроенное программное обеспечение (далее - ПО), разработанное предприятием-изготовителем, которое устанавливается (прошивается) в энергонезависимую память при изготовлении, в процессе эксплуатации данное ПО не может быть
изменено, так как пользователь не имеет к нему доступа.
ПО в целом является метрологически значимым и не может быть изменено преднамеренно или случайно. Метрологически значимые параметры защищены от преднамеренного или случайного изменения.
Уровень защиты встроенного программного обеспечения "средний" в соответствии с Р 50.2.077-2014.
Таблица 2 - Идентификационные данные программного обеспечения
|
Идентификационные данные (признаки) |
Значение |
|
Исполнение СЕНС СГ -А | |
|
Идентификационное наименование ПО |
программа СЕНС СГ-А |
|
Номер версии (идентификационный номер) ПО |
не ниже А900 |
|
Цифровой идентификатор ПО |
- |
|
Исполнение СЕНС СГ -А1 | |
|
Идентификационное наименование ПО |
программа СЕНС СГ-А1 |
|
Номер версии (идентификационный номер) ПО |
не ниже А940 |
|
Цифровой идентификатор ПО |
- |
Технические характеристики
Таблица 3 - Метрологические характеристики
|
Наименование характеристики |
Значение |
|
Диапазон измерений, % НКПР |
от 0 до 100 |
|
Пределы допускаемой основной погрешности измерений: - абсолютной в диапазоне измерений от 0 до 60 % НКПР включ., % НКПР, не более |
±3 |
|
- относительной в диапазоне измерений св. 60 до 100 % НКПР, %, не более |
±5 |
|
Вариация выходного сигнала, % НКПР, не более |
±3 |
|
Пределы допускаемой дополнительной погрешности измерений при изменении температуры в диапазонах: - (от -10 до +40) оС, % НКПР, не более |
±5 |
|
- (от -40 до -10) оС и (от +40 до +60) оС, % НКПР, не более |
±10 |
|
Пределы допускаемой дополнительной погрешности измерений при изменении давления окружающей среды в диапазоне от 80 до 120 кПа при изменении давления на каждые 3,3 кПа, % НКПР, не более |
±1,5 |
|
Пределы допускаемой дополнительной погрешности измерений при изменении относительной влажности окружающей среды от 0 до 98 %, % НКПР, не более |
±5* |
|
Время установления показаний t(90), с, не более |
60 |
|
Нормальные условия измерений - температура окружающей среды, °С |
от +15 до +25 |
|
- относительная влажность, % |
от 30 до 80 |
|
- атмосферное давление, кПа |
от 84,0 до 106,7 |
|
Примечание: | |
* - при температуре +40 °С и относительной влажности 50 %.
Таблица 4 - Основные технические характеристики
|
Наименование характеристики |
Значение |
|
Напряжение питания постоянного тока, В: - исполнение СЕНС СГ -А |
от 4,5 до 18 |
|
- исполнение СЕНС СГ-А1 |
от 4,5 до 30 |
|
Потребляемая мощность, Вт, не более: - исполнение СЕНС СГ -А |
2 |
|
- исполнение СЕНС СГ-А1 |
2,5 |
|
Время процедуры самодиагностики при начальном включении, с, не более |
120 |
|
Количество настраиваемых порогов аварийной сигнализации, шт. |
5 |
|
Габаритные размеры, мм, не более: - исполнение СЕНС СГ -А высота |
110 |
|
ширина |
180 |
|
длина |
250 |
|
- исполнение СЕНС СГ-А1 высота |
189 |
|
ширина |
115 |
|
длина |
255 |
|
Масса, кг, не более: - исполнение СЕНС СГ -А |
2 |
|
- исполнение СЕНС СГ-А1 |
3 |
|
Рабочие условия эксплуатации: - диапазон температур, °С |
от -40 до +60 |
|
- атмосферное давление, кПа |
от 80 до 120 |
|
- верхний предел влажности, % |
98 |
|
Маркировка взрывозащиты: - исполнение СЕНС СГ -А |
1Ex d ib IIB T4 |
|
- исполнение СЕНС СГ-А1 |
1Ex db IIB T6 Gb |
Знак утверждения типа
наносится типографским способом на титульные листы паспорта и руководства по эксплуатации.
Комплектность
Таблица 5 - Комплектность средства измерения
|
Наименование |
Обозначение |
Количество |
|
Газосигнализатор |
СЕНС СГ-А |
1 шт. |
|
Газосигнализатор |
СЕНС СГ-А1 |
1 шт. |
|
Адаптер для подачи ПГС |
- |
по заказу |
|
Магнитный ключ |
- |
1 шт. |
|
Паспорт. Газосигнализатор СЕНС СГ -А |
СЕНС.413347.010 ПС |
1 компл. |
|
Паспорт. Газосигнализатор СЕНС СГ - А1 |
СЕНС.413347.015 ПС |
1 компл. |
|
Руководство по эксплуатации. Газосигнализатор СЕНС СГ-А |
СЕНС.413347.010 РЭ |
1 компл.* |
|
Руководство по эксплуатации. Газосигнализатор СЕНС СГ-А1 |
СЕНС.413347.015 РЭ |
1 компл.* |
|
Методика поверки |
СЕНС.413347.010 МП |
1 компл.* |
|
Примечание. *- на партию газосигнализаторов, поставляемую в один адрес, и дополнительно - по требованию заказчика. | ||
Сведения о методах измерений
приведены в документах
- "ГАЗОСИГНАЛИЗАТОР СЕНС СГ-А. Руководство по эксплуатации", раздел 7 "Описание конструкции, принцип работы, обеспечение взрывозащищенности";
- "ГАЗОСИГНАЛИЗАТОР СЕНС СГ-А1. Руководство по эксплуатации", раздел 7 "Описание конструкции, принцип работы, требования к обеспечению сохранения технических характеристик оборудования, обуславливающих взрывобезопасность".
Нормативные документы
Приказ Росстандарта от 31.12.2020 г. № 2315 Об утверждении Государственной поверочной схемы для средств измерений содержания компонентов в газовых и газоконденсатных средах.
СЕНС.413347.010 ТУ. Газосигнализатор СЕНС СГ-А. Технические условия.
СЕНС.413347.015 ТУ. Газосигнализатор СЕНС СГ-А1. Технические условия.



