Системы измерительные АСН-15
| Номер в ГРСИ РФ: | 70871-18 |
|---|---|
| Производитель / заявитель: | АО "Промприбор", г.Ливны |
Системы измерительные АСН-15 (в дальнейшем - системы) предназначены для автоматизированного измерения количества нефти, нефтепродуктов и других жидкостей в единицах массы и объема, параметров плотности, температуры и давления при отпуске из резервуаров в автомобильные или железнодорожные цистерны, а также для приемки от автомобильных или железнодорожных цистерн в резервуары и перекачки между резервуарами.
Информация по Госреестру
| Основные данные | |
|---|---|
| Номер по Госреестру | 70871-18 |
| Действует | по 23.04.2028 |
| Наименование | Системы измерительные |
| Модель | АСН-15 |
| Код идентификации производства |
ОС
СИ не соответствует критериям подтверждения производства на территории
РФ в соответствии с постановлением №719
|
| Характер производства | Серийное |
| Идентификатор записи ФИФ ОЕИ | 8e844e2e-c9dc-2fb1-9325-dcae849b0b56 |
Производитель / Заявитель
Акционерное общество "Промприбор" (АО "Промприбор"), Орловская обл., г. Ливны; ОАО "Промприбор", г. Ливны (срок свидетельства: 23.04.2023 г.)
РОССИЯ
Поверка
| Межповерочный интервал / Периодичность поверки |
2 года
|
| Зарегистрировано поверок |
2226
|
| Найдено поверителей | |
| Успешных поверок (СИ пригодно) | 2222 (100%) |
| Неуспешных поверок (СИ непригодно) | 4 (0 %) |
| Актуальность информации | 19.04.2026 |
Поверители
Скачать
|
70871-18: Описание типа
2020-70871-18.pdf
|
Скачать | 559.5 КБ | |
|
70871-18: Методика поверки
2020-mp70871-18.pdf
|
Скачать | 7 MБ |
Описание типа
Назначение
Системы измерительные АСН-15 (в дальнейшем - системы) предназначены для автоматизированного измерения количества нефти, нефтепродуктов и других жидкостей в единицах массы и объема или в единицах объема и вычисления массы, параметров плотности и температуры при отпуске из резервуаров в автомобильные или железнодорожные цистерны, при приемке от автомобильных или железнодорожных цистерн в резервуары и перекачки между резервуарами, а также для автоматического ввода реагентов (топливных присадок или иных жидкостей) в основной продукт по заданному процентному соотношению реагента относительно основного продукта.
Описание
Принцип действия систем, оснащенных массовыми расходомерами, при определении количества продукта основан на прямом методе динамических измерений массы и основан на измерении силы Кориолиса, возникающей в трубках массового расходомера при прохождении через них измеряемой среды. Фазовые смещения между частотами колебаний противоположных частей трубок, вызванные силами Кориолиса, пропорциональны массовому расходу, а изменение резонансной частоты собственных колебаний этих трубок - плотности. Объемный расход и объем определяются на базе измеренных значений массового расхода, массы и плотности измеряемой среды. Измерение температуры осуществляется при помощи встроенного термосопротивления.
Принцип действия систем, оснащенных счетчиками жидкости, основан на косвенном методе динамических измерений массы.
Измерительные схемы всех систем включают в себя:
- входной обратный клапан;
- счетчик-расходомер массовый МЛ (регистрационный № 75212-19), или счетчик-расходомер массовый Micro Motion (регистрационный № 45115-16), или расходомер массовый Promass (регистрационный № 15201-11), или расходомер массовый Promass (модификации Promass 300, Promass 500) (регистрационный № 68358-17), или счетчик-расходомер массовый ЭЛМЕТРО-Фломак (регистрационный № 47266-16), или счетчик-расходомер массовый МИР (регистрационный № 68584-17), или счетчик-расходомер массовый ЭМИС-МАСС 260 (регистрационный № 42953-15), или счетчик жидкости СЖ (регистрационный № 59916-15), или плотномер ПЛОТ-3 (регистрационный № 20270-12);
- выходной электроуправляемый отсечной клапан;
- электронасос;
- фильтр или фильтр-газоотделитель, оснащенный поплавковым клапаном сброса газовой смеси, а также электронными датчиками наличия продукта и загрязненности фильтра;
- систему обработки информации (СОИ), включающую в себя блок управления и индикации (БУИ), который опрашивает состояние всех датчиков и передает измерительную информацию на АРМ оператора.
АРМ оператора включает в себя:
- сервер, на котором устанавливается программный продукт «АРМ оператора налива и слива» и базы данных о постах налива продукта, резервуарах, автоцистернах, потребителях и др.;
- монитор;
- клавиатуру для задания доз;
- принтер для распечатки товарно-транспортных накладных (ТТН);
- программный продукт «АРМ оператора налива и слива».
Оператор по коду доступа идентифицируется и получает право проводить процессы налива-слива, используя информацию с верхнего уровня, баз данных и визуализацию на мониторе. По окончании процесса дает команду на распечатку товарно-транспортных накладных по согласованной с заказчиком форме.
Для выдачи информации о качественных характеристиках отпускаемого продукта системы комплектуются по заказу потребителя:
- датчиками температуры ДТ (регистрационный № 70084-17), или термопреобразователями сопротивления платиновыми серий TR, TST (регистрационный № 68002-17), или серии 65 (регистрационный № 22257-11);
- влагомерами сырой нефти ВСН-2 (регистрационный № 24604-12).
Указанные датчики являются самостоятельными измерительными приборами. Измерительная информация с них передается через СОИ оператору АРМ и по требованию заказчика переносится в ТТН, а также хранится в журнале событий.
Схема передачи измерительной информации представлена на рисунке 1.
И з м е р f гте д ы i ы с у ст pt> й ств а;
- массовый расходомер iijiii счетчик жидкости,
-■ датчик температуры или термопреобразователь соиротивления, - датчик давления или преобразователь давления измерительный
АС11-15В/АСН-1513Д, АСН-15Н/АСН-15НД АСН-15ВН/АСН-15В11Д, АСН-15ЖЛ.
АСН-15РА, АСН-15П1, АСП-15П2
исполин тел ь п ы е устро й ства:
- электронасосы,
- фильтры-газоотделители,
- клапаны.
- датчики положения, эд емен то в о бо рудо ван ия
команды управления
масса объём
плотность icMiicpaiypa давление
Верхний уровень
Рисунок 1 - Схема передачи измерительной информации в системе
Системы по функциональному назначению выпускаются в следующих модификациях :
1. Для отпуска продукта в автоцистерны:
- система измерительная верхнего налива - АСН-15В, которая представлена на рисунке 2;
- система измерительная нижнего налива - АСН-15Н, которая представлена на рисунке 3;
- система измерительная комбинированного налива - АСН-15ВН, которая представлена на рисунке 4;
2. Для отпуска продукта в ЖД цистерны - АСН-15ЖД, которая представлена на рисунке 5;
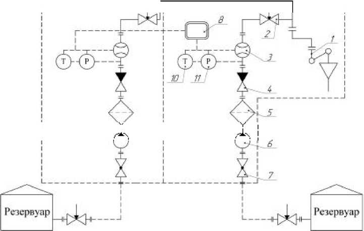
3. Для приемки и отпуска продукта от автоцистерн в резервуары и автоцистерны - АСН-15РА, которая представлена на рисунке 6;
4. Для приемки и перекачки продукта от ЖД цистерн (повагонный учет) или автоцистерн в резервуары - АСН-15П1, которая представлена на рисунке 7;
5. Для приемки и перекачки продукта от ЖД цистерн в резервуары (группо-вой/поколлекторный учет) и между резервуарами - АСН-15П2, которая представлена на рисунке 8;
6. Для дозирования присадок - АСН-15ДУ, которая представлена на рисунке 9.
При комплектовании наливных постов АСН-15В каждая сторона налива может включать в себя от 1 до 5 одиночных систем, соединенных между собой площадкой с лестницами, и комплектуется одним БУИ и комплектом приборов противоаварийной защиты (ПАЗ). Обозначение группового исполнения с двумя системами для одного поста налива - 2АСН-15В, с тремя системами для одного поста налива - 3АСН-15В и т.д. Конструкция АСН-15В позволяет отпуск нескольких продуктов через один наливной рукав без смешивания и измерение количества каждого. Обозначение такого исполнения - ACH-15B/N, где N = 1, 2, 3, 4 - количество продуктов.
При комплектовании наливных постов АСН-15Н система может включать в себя от 1 до 5 одиночных систем, через которые отпускаются разные продукты, и комплектуется одним БУИ и комплектом приборов ПАЗ. Обозначение группового исполнения с двумя системами для одного поста налива - 2АСН-15Н, с тремя системами для одного поста налива - 3АСН-15Н и т.д.
При комплектовании наливных постов АСН-15ВН система может включать в себя от 1 до 5 систем АСН-15В, соединенных между собой площадкой с лестницами и от 1 до 5 систем АСН-15Н, имеющих совмещенные двухканальные измерительные схемы в количестве от 1 до 5 для каждого вида продукта с одним БУИ. Отпуск и измерение количества продукта проводится поочередно через верхние наливные рукава по одному или нескольким продуктам без смешивания или через нижние наливные рукава. Пример обозначения группового исполнения систем АСН-15ВН для одного поста налива - 2АСН-15В / 3АСН-15Н.
При комплектовании наливных постов АСН-15ЖД система может включать в себя от 1 до 72 одиночных систем, подключенных к одному продуктовому трубопроводу. Обозначение группового исполнения 1^72 АСН-15ЖД.
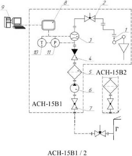
АСН-15РА включает в себя единую измерительную схему для измерения продукта при отпуске в автоцистерну из резервуара и приемке от автоцистерны в резервуар. Операции отпуска и приемки осуществляются поочередно. АСН-15РА включает в себя систему АСН-15В, или систему АСН-15Н, или систему АСН-15ВН с промежуточным резервуаром на входе, имеющим два датчика уровня для регистрации начала и конца измерения.
АСН-15П1 включает в себя единую измерительную схему для измерения продукта при приемке от ЖД цистерны или автоцистерны в резервуар. Перекачка продукта через АСН-15П1 осуществляется собственным насосом. Обозначение систем АСН-15П1 состоит из двух значений: диаметр условного прохода, а через тире производительность . Пример обозначения: АСН-15П1 80-100.
АСН-15П2 включает в себя единую измерительную схему для измерения продукта при приемке от ЖД цистерны в резервуар и перекачке между резервуарами. Перекачка продукта через АСН-15П2 может осуществляться собственным насосом или насосами в установке слива продукта из ЖД цистерн. Обозначение систем АСН-15П2 состоит из двух значений: диаметр условного прохода, а через тире производительность . Пример обозначения: АСН-15П2 150-800.
АСН-15ДУ включает в себя единую измерительную схему для измерения присадки, впрыскиваемой в отпускаемый продукт. АСН-15ДУ состоит из блока дозирования и блока хранения и выдачи присадок. АСН-15ДУ выпускаются в двух исполнениях :
- моноблочное исполнение, в котором блок дозирования и система подачи дозируемых присадок выполнены единым блоком;
- раздельное исполнение, в котором блок дозирования и система подачи дозируемых присадок выполнены раздельными блоками.
При комплектовании систем АСН-15В, АСН-15Н, АСН-15ВН системой АСН-15ДУ, в их условное обозначение вносится литера "Д" с цифрой, обозначающей количество АСН-15ДУ. Пример обозначения системы АСН-15ВН с тремя АСН-15ДУ: АСН-15ВНД3.
I. Стояк наливной {наливной рукав) для верхнего налива
2. Клалая управляемый
3. Массовый расходомер или счетчик жидкости
4. Клапан обратный
5. Фил ьтр-газо сплели тс л к
6. 'Электронасос-моноблок
7. Кран шаровый или задвижка
8. Блок управления и индикации БУИ
9, АРМ оператора налива и слива
10, Датчик температуры или термон реобраз о на гель сопротивления
I I. Датчик давления или преобразователь давления измерительный
без насоса (подача продукта от внешнего насоса)
Резервуар
Рисунок 2 - Система измерительная верхнего налива: АСН-15В1 (с насосом), АСН-15В2 (без насоса), АСН-15В1/2 (с насосом). Измерительная схема
L Стояк наливной (наливной рукав) для нижнего налива
2. Клапан управляемый
3, Массовый расходомер или счетчик жидкой и
4, Клапан обратный
5. Фильтр-гэзоотделнтель
6. Электронасос-моноблок
7. Кран шаровый или задвижка
8, Блок управления и индикации БУИ
9. АРМ оператора налива и слива ] 0. Датчик температурь! или те рм о ц ре сюра з о ватеп ь. сопротивления 11. Датчик давления иля преобразователь д а в л с 11 к я и з и ер иге л ъ 11 ы й
без насоса (подача продукта
оз внешнего насоса)
Рисунок 3 - Система измерительная нижнего налива: АСН-15Н1 (с насосом), АСН-15Н2 (без насоса). Измерительная схема
АСН-15ВН2
I. Стояк наливной (наливной рукав) для верхнего налива
2. Клапан управляемый
3. Стояк наливной (наЛНВНОй рукав)
для нижнего налива
4. Клапан управляемый
5. Массовый расходомер или счетчик жидкости
6, Клапан обратный
7, Ф ил ьтр-газоотдел и тел ь
8. Электронасос-моноблок
9- Кран шаровый ИЛИ Задвижка
10, Блок управления и индикации БУН
11. АРМ оператора налива и слива
12. Датчик температуры иля
тер м о прообраз онатсл ь со 11 рот и яз i с- н и я
13, Датчик давления или преобразователь давления измерительный
ез насоса (подача продукта
от внс।и него насоса)
Рисунок 4 - Система измерительная комбинированного налива: АСН-15ВН1 (с насосом), АСН-15ВН2 (без насоса). Измерительная схема
Рисунок 5 - Система измерительная для налива ЖД цистерн АСН-15ЖД. Измерительная схема
I. Стояк наливной (наливной рукав)
2. Клапан управляемый
3. Массовый расходомер или счетчик жидкости
4. Клапан обратный
5. Фи.тьтр-га-зоотдмнтслЕ»
6. Кран шаровый или задвижка
7. Блок управления и индикации БУИ
8. АРМ оператора налива и слива Датчик температуры или
тер моп реобразовател ь сопрет и влен и я
Рисунок 6 - Система измерительная для приёмки и отпуска продукта от автоцистерн в резервуары и автоцистерны АСН-15РА. Измерительная схема
]. Стояк нал his noil [i ниш is ной pyKtiss)
2. Клапан управляемый
3, Массовый расходомер или счетчик
ЖИДКОСТИ
4. Клапан обратный
5. Фнл ы р -гажю где; m i сл ь
6. Электронасос-моноблок
7. Промежуточный резервуар
У Кран шаровый или задвижка
9. Блок управлении и индикации БУИ И). АРМ оператора налива и слива 11. Датчик температуры или
терм опрейбразовате ль скшротп влени я
12. Датчики уровня в буферной ёмкости
1. Переключатель (манифольд)
2. Массовый расходомер или счетчик
ЖИДКОСТИ
3. Клапан обратный (клапан управляемый)
4. Электронасос-моноблок
5. Емкость приемная
6. Блок управления и индикации БУИ
7. АРМ оператора налива и слива
8. Датчик температуры или
гермо 11 реобраз о в ател ь с о п ро i и вления
9. Датчик давления или преобразователь давления измерительный
] 0, Датчик наличия продукта
Рисунок 7 - Система измерительная для приемки и перекачки продукта от ЖД цистерн (повагонный учет) или автоцистерн в резервуары АСН-15П1. Измерительная схема
Коллектор напирый
Г““ '
Установка слива с насосом УИЛ
АСН-15П2
Коллектор всасывающий
2, Масййвый расходомер или счетчик жидкости
3. Клапан обратный
4. Фпльтр-газоптделитель
5, Электронасос-моноблок
6. Входной кран от установок перекачки с насосом У ПН
7. Входной кран от установок слива УСН
8. Блок управления и индикации БУИ
9. АРМ оператора палила и слива
10. Датчик температуры или
гер и о л реобразователв сопри ги в л ей ия
11. Датчик давлен и я или преобразователь давления измерительный
12. Датчик наличия продукта
Рисунок 8 - Система измерительная для приёмки и перекачки продукта от ЖД цистерн в резервуары (групповой/поколлекторный учет) и между резервуарами АСН-15П2. Измерительная схема
АСН-15ВД, АСН-15НД, ЛСН-15ВНД
I, Клапан управляемый (возможна компоновка комплектно с поз. 2)
2. Массовый расходомер или счетчик жидкости
3. Клапан обратный
4. Фильтр-газ о отделитель
5. Кран шаровый или вентиль
Су. БЛОК управления И индикации БУИ
7. АРМ оператора налива и слива
8. Датчик темп ера гуры или гермойреобразователь сопротивления
9. Датчик давления или преобразователь давления измеритсльн ый
10. Напорный трубопровод
* Месторасположение датчиков поз. 8 и 9 определяется по требованию заказчика
Рисунок 9 - Система измерительная для дозирования присадок АСН-15ДУ. Измерительная схема
Схема пломбировки БУИ от несанкционированного доступа представлена на рисунке 10 (компаундная заливка платы контроллера БУИ).
Пломбирование других составных частей системы осуществляется согласно технической документации на них. Допускается пломбирование осуществлять пломбой ОТК завода-изготовителя системы или пломбой организации, эксплуатирующей систему.
Рисунок 10 - Схема пломбировки БУИ от несанкционированного доступа
Системы, оснащенные массовым расходомером, в режиме отпуска работают следующим образом. После подготовки к операции налива, задания дозы и включения насоса, открывается клапан управляемый, и насос подает жидкость в фильтр или фильтр-газоотделитель, где осуществляется деаэрация жидкости и ее очистка от механических примесей. При прохождении жидкости через массовый расходомер, отпущенное количество измеряется прямым методом динамических измерений массы, значение массы передается в контроллер БУИ. В массовом расходомере также измеряются плотность и температура среды. При оснащении АСН отдельным датчиком температуры или термопреобразователем сопротивления, ее значение получают от этого датчика. Значения этих величин также передаются в контроллер БУИ. Объем жидкости вычисляется в массовом расходомере. Далее жидкость через клапан управляемый и стояк наливной (наливной рукав) попадает в автомобильные или железнодорожные цистерны, а в АСН-15ДУ через клапан управляемый попадает в АСН-15В, АСН-15Н, АСН-15ВН или другую технологическую систему.
Значение массы и объема налитой жидкости отображается на БУИ и ПО "АРМ оператора налива и слива".
Системы, оснащенные счетчиком жидкости, в режиме отпуска и дозирования присадок работают следующим образом. После подготовки к операции налива, задания дозы и включения насоса, открывается клапан управляемый, и насос подает жидкость в фильтр или фильтр-газоотделитель, где осуществляется деаэрация жидкости и ее очистка от механических примесей. При прохождении жидкости через счетчик жидкости, отпущенное количество преобразуется в электрические импульсы с нормированным значением, значение объема передается в контроллер БУИ. При наличии плотномера плотность и температура измеряются плотномером, при его отсутствии температура измеряется датчиком температуры или термопреобразователем сопротивления. Значения этих величин также передаются в контроллер БУИ. При отсутствии в системе канала измерения плотности, данные о значении плотности, полученные другими методами, могут быть введены вручную в ПО "АРМ оператора налива и слива". Массу жидкости вычисляет контроллер БУИ (при наличии плотномера) или ПО "АРМ оператора налива и слива" (при отсутствии плотномера). Далее жидкость через клапан управляемый и стояк наливной (наливной рукав) попадает в автомобильные или железнодорожные цистерны, а в АСН-15ДУ через клапан управляемый попадает в АСН-15В, АСН-15Н, АСН-15ВН или другую технологическую систему.
При наличии плотномера значение массы и объема налитой жидкости отображается на БУИ и ПО "АРМ оператора налива и слива", при его отсутствии - значение массы отображается на ПО "АРМ оператора налива и слива", а значение объема - на БУИ и ПО "АРМ оператора налива и слива".
Системы, оснащенные массовым расходомером, в режиме приёмки и перекачки работают следующим образом. После подготовки к операции приемки или перекачки и включения насоса, открываются клапан управляемый (раздела продукта) и соответствующий клапан управляемый манифольда, и насос подает жидкость из установок УСН или УПН в фильтр-газоотделитель (кроме АСН-15П1), где осуществляется деаэрация жидкости и ее очистка от механических примесей. При прохождении жидкости через массовый расходомер, отпущенное количество измеряется прямым методом динамических измерений массы, значение массы передается в контроллер БУИ. В массовом расходомере также измеряются плотность и температура среды. При оснащении АСН отдельным датчиком температуры или термопреобразователем сопротивления, ее значение получают от этого датчика. Значения этих величин также передаются в контроллер БУИ. Объем жидкости вычисляется в массовом расходомере. Далее жидкость через клапан управляемый и трубопроводы попадает в резервуар.
Значение массы и объема налитой жидкости отображается на БУИ и ПО "АРМ оператора налива и слива".
Системы, оснащенные счетчиком жидкости, в режиме приёмки и перекачки работают следующим образом. После подготовки к операции приемки или перекачки и включения насоса, открываются клапан управляемый (раздела продукта) и соответствующий клапан управляемый манифольда, и насос подает жидкость из установок УСН или УПН в фильтр-газоотделитель (кроме АСН-15П1), где осуществляется деаэрация жидкости и ее очистка от механических примесей. При прохождении жидкости через счетчик жидкости, отпущенное количество преобразуется в электрические импульсы с нормированным значением, значение объема передается в контроллер БУИ. При наличии плотномера плотность и температура измеряются плотномером, при его отсутствии температура измеряется датчиком температуры или термопреобразователем сопротивления. Значения этих величин также передаются в контроллер БУИ. При отсутствии в системе канала измерения плотности, данные о значении плотности, полученные другими методами, могут быть введены вручную в ПО "АРМ оператора налива и слива". Массу жидкости вычисляет контроллер БУИ (при наличии плотномера) или ПО "АРМ оператора налива и слива" (при отсутствии плотномера). Далее жидкость через клапан управляемый и трубопроводы попадает в резервуар.
При наличии плотномера значение массы и объема принятой или перекаченной жидкости отображается на БУИ и ПО "АРМ оператора налива и слива", при его отсутствии - значение массы отображается на ПО "АРМ оператора налива и слива", а значение объема - на БУИ и ПО "АРМ оператора налива и слива".
Программное обеспечение
Программное обеспечение (в дальнейшем - ПО) системы обеспечивает прием и обработку информации от первичных преобразователей и внешних систем управления, а также управление исполнительными устройствами в соответствии с заложенным алгоритмом. ПО состоит из комплекса программных средств, объединенных функционально , но разделенных аппаратно, находящихся в отдельных устройствах.
ПО системы подразделяется на метрологически значимое и метрологически незначимое. Метрологически значимое ПО используется только для получения, преобразования и передачи измерительных данных. ПО, которое используется для обеспечения безопасности и управления технологическим процессом является метрологически незначимым.
Канал прохождения измерительной информации включает в себя массовый расходомер или счетчик жидкости, плотномер, или датчик температуры, или термопреобразователь сопротивления, влагомер, БУИ, ПО «АРМ оператора налива и слива».
ПО, установленное в БУИ, содержит метрологически значимые части.
ПО "АРМ оператора налива и слива", содержит метрологически значимые части при использовании для вычисления массы косвенным методом.
Защита от несанкционированного доступа к микропрограмме БУИ осуществляется путем заливки платы контроллера компаундом, в результате чего доступ к микросхеме невозможен без нарушения компаунда. Кроме того, предусмотрена программная защита от считывания микропрограммы из микроконтроллеров. Защита от несанкционированного доступа к программам на персональном компьютере достигается встроенными средствами операционной системы: идентификацией пользователя с помощью индивидуального имени пользователя и пароля; разделением прав доступа пользователей на уровни: администратора и пользователя.
Метрологически значимые программные продукты, обеспечивающие преобразование параметров среды в цифровой эквивалент:
- микропрограммы массовых расходомеров с коэффициентами калибровки;
- микропрограммы датчиков температуры или термопреобразователей сопротивления с коэффициентами калибровки.
Перечень идентификационных параметров метрологически значимого программного обеспечения приведен в таблице 1.
Таблица 1 - Идентификационные данные программного обеспечения
|
Идентификационные данные (признаки) |
Значение | |
|
Идентификационное наименование ПО |
BUI |
ARM (при наличии ПО "АРМ оператора налива и слива") |
|
Номер версии (идентификационный номер) ПО |
не ниже 01.ХХ.ХХХХ* |
2C |
|
Цифровой идентификатор ПО |
0x6D49 |
99E992D40A2E7FEA5B4C7F3BB E815AC9 |
|
* 01 - версия метрологически значимой части ПО, ХХ.ХХХХ - версия метрологически незначимой части ПО | ||
Уровень защиты ПО "Средний" в соответствии с Р 50.2.077 - 2014.
Технические характеристики
Таблица 2 - Метрологические и технические характеристики
|
Наименование характеристики |
Значение | |||||||||
|
АСН-15ДУ |
АСН-15В, АСН-15ВД, АСН-15Н, АСН-15НД, АСН-15ВН, АСН-15ВНД, АСН-15ЖД, АСН-15РА |
АСН-15П1 | ||||||||
|
1 |
2 |
3 |
4 | |||||||
|
Номинальный диаметр системы, мм |
10 |
25 |
50 |
65 |
80 |
100 |
150 |
40 |
50 |
80 |
|
Номинальный расход (производительность) системы1), м3/ч, не более |
1,8 |
7,2 |
50 |
55 |
80 |
90 |
300 |
30 |
50 |
100 |
|
Диапазон изменений вязкости продукта2), мм2/с: - при комплектации системы счетчиком жидкости - при комплектации системы массовым расходомером |
от 0,55 до 300 от 0,55 до 600 | |||||||||
|
Диапазон измерений: - плотности2), кг/м3 - температуры продукта3), оС |
- от -60 до +250 |
от 500 до 2000 от -60 до +250 | ||||||||
|
Диапазон рабочего давления (гидравлического сопротивления), создаваемого насосом для обеспечения номинального расхода, МПа (кгс/см2) |
от 0,02 (0,2) до 2,5 (25) |
от 0,02 (0,2) до 2,5 (25) |
от 0 до 2,5 (25) | |||||||
|
Пределы допускаемой относительной погрешности измерений при дозировании отпускаемых (принимаемых) продуктов4), %: - массы - объёма |
-- |
при приемке: при отпуске: при приемке: при отпуске: |
±0,2 / ±0,25 / ±0,5 ±0,15 / ±0,25 / ±0,5 ±0,2 / ±0,25 / ±0,5 ±0,15 / ±0,25 / ±0,5 |
±0,2 / ±0,25 / ±0,5 ±0,2 / ±0,25 / ±0,5 | ||||||
|
Пределы допускаемой относительной погрешности измерений объема отпускаемых присадок к теоретически рассчитанному значению для заданных доз не менее 5000 дм3 в диапазоне расходов основного продукта от 20 до 90 м3/ч, % |
±0,5 |
- | ||||||||
|
Пределы допускаемой абсолютной погрешности измерений7): - средней плотности, кг/м3 - средней температуры продукта, оС |
- ±0,5 |
±(от 0,3 до 2,0)4) ±(от 0,2 до 0,5)5) / ±(от 0,5 до 1,0)6) | ||||||||
|
1 |
2 |
3 |
4 | |||||||
|
Пределы допускаемой относительной погрешности системы обработки информации, % |
±0,01 | |||||||||
|
Пределы допускаемой абсолютной погрешности измерений объемной доли воды, %, в диапазоне влагосодержаний (об. доля воды, %)8): | ||||||||||
|
от 0 до 10 % |
- |
±0,4 | ||||||||
|
свыше 10 до 30 % |
- |
±0,8 | ||||||||
|
свыше 10 до 60 % |
- |
±0,8 | ||||||||
|
от 0 до 50 % |
- |
±0,8 | ||||||||
|
свыше 50 до 70 % |
- |
±1,0 | ||||||||
|
свыше 70 до 100 % |
- |
±1,5 | ||||||||
|
Минимальная величина измеряемой дозы, кг (л) |
0,5 (0,5) |
1400 (2000) | ||||||||
|
Количество измерительных линий, шт. |
от 1 до 72 |
от 1 до 5 | ||||||||
|
Напряжение питания, В |
220 '22; 380 37 | |||||||||
|
Потребляемая мощность электродвигателя насоса для одной измерительной линии, кВт, не более |
11 или согласно проекта | |||||||||
|
Габаритные размеры, мм, не более |
в соответствии с проектом | |||||||||
|
Масса, кг, не более |
в соответствии с проектом | |||||||||
|
Диапазон температур окружающей среды в соответствии с ГОСТ 15150-69, °С: - для климатического исполнения У - для климатического исполнения ХЛ - для климатического исполнения УХЛ |
от -45 до +40 от -60 до +40 от -60 до +40 | |||||||||
|
Средний срок службы, лет |
12 | |||||||||
|
Средняя наработка на отказ, ч (м3) |
12000 (1400) |
12000 (2800) |
о о о о о о ci о С| |
12000 (26000) |
о о о о о о ci о |
о о о о о о ci о |
12000 (150000) |
12000 (12000) |
о о о о о о ci о С| |
о о о о о о ci о |
1) Обеспечивается насосом и корректируется при помощи АРМ оператора налива и слива, исходя из условий на месте эксплуатации (протяженности и диаметра всасывающего и напорного трубопроводов, величины их гидравлического сопротивления, высоты расположения резервуаров.
2) Конкретные значения вязкости и плотности определяются типом измеряемого продукта в пределах диапазона температур при эксплуатации.
3) Максимальная температура продукта определяется, исходя из требований безопасности.
4) Назначается по требованию заказчика и указывается в эксплуатационной документации по результатам первичной поверки.
5) Обеспечивается типом применяемого датчика температуры или термопреобразователя сопротивления или плотномера (при их наличии), назначается по требованию заказчика и указывается в эксплуатационной документации по результатам первичной поверки.
6) Обеспечивается измерителем температуры в массовом расходомере, назначается по требованию заказчика и указывается в эксплуатационной документации по результатам первичной поверки.
7) Значение средней плотности и средней температуры продукта рассчитывается контроллером БУИ по данным мгновенных значений массы, объема и температуры, выдаваемых массовым расходомером (датчиком температуры или термопреобразователем сопротивления).
8) При наличии влагомера.
|
Наименование характеристики |
Значение | |||||
|
АСН-15П2 | ||||||
|
1 |
2 | |||||
|
Номинальный диаметр системы, мм |
40 |
50 |
65 |
80 |
100 |
150 |
|
Номинальный расход (производительность) системы1), м3/ч, не более |
45 |
70 |
100 |
180 |
350 |
800 |
|
Диапазон изменений вязкости продукта2), мм2/с: - при комплектации системы счетчиком жидкости - при комплектации системы массовым расходомером |
от 0,55 до 300 от 0,55 до 600 | |||||
|
Диапазон измерений: - плотности2), кг/м3 - температуры продукта3), оС |
от 500 до 2000 от -60 до +250 | |||||
|
Диапазон рабочего давления (гидравлического сопротивления), создаваемого насосом для обеспечения номинального расхода, МПа (кгс/см2) |
от 0 до 2,5 (25) | |||||
|
Пределы допускаемой относительной погрешности измерений при дозировании отпускаемых (принимаемых) продуктов4), %: - массы - объёма |
±0,2 / ±0,25 / ±0,5 ±0,2 / ±0,25 / ±0,5 | |||||
|
Пределы допускаемой абсолютной погрешности измерений7): - средней плотности, кг/м3 - средней температуры продукта, оС |
±(от 0,3 до 2,0)4) ±(от 0,2 до 0,5)5) / ±(от 0,5 до 1,0)6) | |||||
|
Пределы допускаемой относительной погрешности системы обработки информации, % |
±0,01 | |||||
|
Пределы допускаемой абсолютной погрешности измерений объемной доли воды, %, в диапазоне влагосодержаний (об. доля воды, %)8): | ||||||
|
от 0 до 10 % |
±0,4 | |||||
|
свыше 10 до 30 % |
±0,8 | |||||
|
свыше 10 до 60 % |
±0,8 | |||||
|
от 0 до 50 % |
±0,8 | |||||
|
свыше 50 до 70 % |
±1,0 | |||||
|
свыше 70 до 100 % |
±1,5 | |||||
|
1 |
2 | |||||
|
Минимальная величина измеряемой дозы, кг (л) |
1400 (2000) | |||||
|
Количество измерительных линий, шт. |
1 | |||||
|
Количество резервуаров, присоединяемых к АСН-15П2 с одним продуктом, шт. |
от 1 до 9 | |||||
|
Количество сливаемых ЖД цистерн, обслуживаемых одним АСН-15П2, шт. |
от 1 до 6; от 1 до 12 | |||||
|
Напряжение питания, В |
220 '22; 380 '58 | |||||
|
Потребляемая мощность электродвигателя насоса для одной измерительной линии, кВт, не более |
15; 37; 55; 75 или согласно проекта | |||||
|
Габаритные размеры, мм, не более |
в соответствии с проектом | |||||
|
Масса, кг, не более |
в соответствии с проектом | |||||
|
Диапазон температур окружающей среды в соответствии с ГОСТ 15150-69, °С: - для климатического исполнения У - для климатического исполнения ХЛ - для климатического исполнения УХЛ |
от -45 до +40 от -60 до +40 от -60 до +40 | |||||
|
Средний срок службы, лет |
12 | |||||
|
Средняя наработка на отказ, ч (м3) |
12000 (12000) |
о о о о о о ci о С| |
12000 (26000) |
о о о о о о ci о |
о о о о о о ci о |
12000 (150000) |
|
1) Обеспечивается насосом и корректируется при помощи А ции (протяженности и диаметра всасывающего и напорного ты расположения резервуаров. 2) Конкретные значения вязкости и плотности определяются типом 3) Максимальная температура продукта определяется, исходя 4) Назначается по требованию заказчика и указывается в эксг 5) Обеспечивается типом применяемого датчика температуры ил назначается по требованию заказчика и указывается в эксплуа 6) Обеспечивается измерителем температуры в массовом рас плуатационной документации по результатам первичной пов 7) Значение средней плотности и средней температуры про; чений массы, объема и температуры, выдаваемых массовым тивления). 8) При наличии влагомера. |
РМ оператора налива и слива, исходя из условий на месте эксплуата-трубопроводов, величины их гидравлического сопротивления, высо- I измеряемого продукта в пределах диапазона температур при эксплуатации. из требований безопасности. тлуатационной документации по результатам первичной поверки. и термопреобразователя сопротивления или плотномера (при их наличии), 1тационной документации по результатам первичной поверки. ходомере, назначается по требованию заказчика и указывается в экс-ерки. [укта рассчитывается контроллером БУИ по данным мгновенных зна-расходомером (датчиком температуры или термопреобразователем сопро- | |||||
Знак утверждения типа
наносится на маркировочные таблички систем, расположенные на каркасах, методом штемпелевания (металлофото, шелкографии, наклейки), титульные листы эксплуатационной документации типографским способом.
Комплектность
Таблица 3 - Комплектность средства измерений
|
Наименование |
Обозначение |
Количество |
Примечание |
|
Система измерительная в составе: |
АСН-15 |
1 шт. |
в соответствии с заказом |
|
- массовый расходомер или счетчик жидкости - электронасос - стояк наливной - клапан управляемый - фильтр или фильтр-газоотделитель - клапан обратный - металлоконструкция - комплект монтажных и запасных частей |
Согласно проекта |
от 1 до 72 шт. |
в соответствии с заказом |
|
- датчик температуры или термопреобразователь сопротивления или - плотномер |
Согласно проекта |
от 0 до 72 шт. |
в соответствии с заказом |
|
Комплект эксплуатационной документации |
Руководство по эксплуатации, формуляр, схема электромонтажная, схема электрическая принципиальная, техдокументация на комплектующие |
1 экз. | |
|
Методика поверки |
МП 208-001-2018 с изменением № 1 |
1 экз. |
Примечание: Комплект поставки определяется по согласованию с заказчиком в соответствии с техническим заданием или опросным листом.
Поверка
осуществляется по документу МП 208-001-2018 "ГСИ. Системы измерительные АСН-15. Методика поверки" с изменением №1, утверждённому ФГУП "ВНИИМС" 21.11.2019 г.
Основные средства поверки:
- вторичный эталон (часть 2) в соответствии с приказом Росстандарта от 07.02.2018 г. №256 (установка поверочная средств измерений объема и массы УПМ 2000 вместимостью 2000 дм3, диапазон измерений от 0 до 2000 кг, погрешность при измерении массы ±0,04 %, при измерении объема ±0,05 % (регистрационный № 45711-16);
- мерник эталонный 2-го разряда М2р-2-0,1 вместимостью 2 дм3, погрешность ±0,1 % (регистрационный № 18585-14);
- термометр электронный ExT-0,1 (регистрационный № 48184-11), диапазон измерений от минус 40 до 130 °С, погрешность ±0,1 °С, ц.д. 0,01 °С;
- анализатор плотности жидкостей DMA 4100M (регистрационный № 39787-08), диапазон измерений (0.. .2) г/см3, погрешность ±1,0-10-4 г/см3.
Допускается применение аналогичных средств поверки, обеспечивающих определение метрологических характеристик поверяемых СИ с требуемой точностью.
Знак поверки наносится в формуляр, по требованию заказчика оформляется свидетельство о поверке.
Сведения о методах измерений
приведены в эксплуатационном документе.
Нормативные документы
ГОСТ Р 8.595-2004 ГСИ. Масса нефти и нефтепродуктов. Общие требования к методикам выполнения измерений
ТУ 4213-309-05806720-2017 Системы измерительные АСН-15. Технические условия
Приказ Минэнерго России от 15.03.2016 г. №179. Об утверждении перечня измерений, относящихся к сфере государственного регулирования обеспечения единства измерений, выполняемых при учете используемых энергетических ресурсов, и обязательных метрологических требований к ним, в том числе показателей точности измерений
Приказ Росстандарта от 07.02.2018 г. №256 Об утверждении Государственной поверочной схемы для средств измерений массы и объема жидкости в потоке, объема жидкости и вместимости при статических измерениях, массового и объемного расходов жидкости
Смотрите также








