Дефектоскопы внутритрубные магнитные
| Номер в ГРСИ РФ: | 72594-18 |
|---|---|
| Категория: | Дефектоскопы |
| Производитель / заявитель: | АО "Транснефть - Диаскан", г.Луховицы |
Дефектоскопы внутритрубные магнитные (далее - дефектоскопы) предназначены для измерения толщины стенки трубы методом магнитной дефектоскопии и координаты выявленных дефектов вдоль оси трубы при проведении внутритрубного диагностирования магистральных нефтепроводов и нефтепродуктопроводов.
Информация по Госреестру
| Основные данные | ||||||||||||||||||||||||||||||||||
|---|---|---|---|---|---|---|---|---|---|---|---|---|---|---|---|---|---|---|---|---|---|---|---|---|---|---|---|---|---|---|---|---|---|---|
| Номер по Госреестру | 72594-18 | |||||||||||||||||||||||||||||||||
| Наименование | Дефектоскопы внутритрубные магнитные | |||||||||||||||||||||||||||||||||
| Модификации |
6-МСК.00-00.000 6-МСК.01-00.000-01 8-МСК.01-00.000 8-МСК.01-00.000-01 12-МСК.01-00.000-01 14-МСК.01-00.000-01 16-МСК.00-00.000 20-МСК.01-00.000-01 42-МСК.01-00.000-01 48-МСК.01-00.000-01 |
|||||||||||||||||||||||||||||||||
| Приказы |
№2316 от
28.10.2025
— О внесении изменений в сведения об утвержденных типах средств измерений
|
|||||||||||||||||||||||||||||||||
| Код идентификации производства |
ОС
СИ не соответствует критериям подтверждения производства на территории
РФ в соответствии с постановлением №719
|
|||||||||||||||||||||||||||||||||
| Характер производства | Единичное | |||||||||||||||||||||||||||||||||
| Идентификатор записи ФИФ ОЕИ | 57b2e566-f378-4270-2499-082a4c09b8ec | |||||||||||||||||||||||||||||||||
| Испытания |
|
|||||||||||||||||||||||||||||||||
Производитель / Заявитель
АО «Транснефть - Диаскан», РОССИЯ, Московская область, г. Луховицы, ул. Куйбышева, 7
РОССИЯ
Поверка
| Методика поверки / информация о поверке |
МП 651-24-052 Государственная система обеспечения единства измерений. Дефектоскопы внутритрубные магнитные. Методика поверки
(с 28.10.2025)
МП 033.Д4-18 Дефектоскопы внутритрубные магнитные. Методика поверки
(по 28.10.2025)
|
| Межповерочный интервал / Периодичность поверки |
1 год
|
| Зарегистрировано поверок | |
| Найдено поверителей | |
| Успешных поверок (СИ пригодно) | 12 (100%) |
| Неуспешных поверок (СИ непригодно) | 0 (0 %) |
| Актуальность информации | 29.03.2026 |
Поверители
Скачать
|
72594-18: Описание типа
2018-72594-18.pdf
|
Скачать | 569.7 КБ | |
|
72594-18: Методика поверки
2018-mp72594-18.pdf
Файл устарел
|
Скачать | 831.5 КБ | |
|
72594-18: Описание типа
2025-72594-18.pdf
|
Скачать | 804.1 КБ | |
|
72594-18: Методика поверки
МП 651-24-052
2025-mp72594-18.pdf
|
Скачать | 6.6 MБ | |
|
72594-18: Методика поверки
МП 033.Д4-18
2018-mp72594-18-1.pdf
|
Скачать | 831.5 КБ |
Описание типа
Назначение
Дефектоскопы внутритрубные магнитные (далее - дефектоскопы) предназначены для измерения толщины стенки трубы методом магнитной дефектоскопии и координаты выявленных дефектов вдоль оси трубы при проведении внутритрубного диагностирования магистральных нефтепроводов и нефтепродуктопроводов.
Описание
Дефектоскопы являются модульными измерительными приборами неразрушающего контроля. Конструктивно дефектоскопы состоят:
в исполнении 6-МСК.00-00.000 из батарейной, дополнительной батарейной, одометрической, соединительной, магнитной секции и секции электроники;
в исполнении 6-МСК.01-00.000-01 из секций электроники, магнитной
и одометрической;
в исполнении 8-МСК.01-00.000 и 8-МСК.01-00.000-01 из секций батарейной, электроники, соединительной, магнитной, одометрической;
в исполнении 12-МСК.01-00.000-01 и 14-МСК.01-00.000-01 из секций батарейной, магнитной и одометрической;
в исполнении 16-МСК.00-00.000 и 20-МСК.01-00.000-01 из секций батарейной и магнитной;
в исполнении 42-МСК.01-00.000-01 и 48-МСК.01-00.000-01 из секции магнитной.
Секция магнитная состоит магнитопровода и внешнего устройства измерительной системы продольного намагничивания, состоящей из кольца с установленными на нем блоками датчиков, блоками магнитов, пластинами щеточными и мультиплексором.
Принцип действия магнитной секции дефектоскопа основан на методе регистрации рассеяния магнитного потока. Магнитная секция комплекса оснащена постоянными магнитами, создающими в теле трубы магнитное поле, которое насыщает металл стенок трубопровода. Во время движения дефектоскопа вдоль трубопровода датчики, установленные между полюсами магнитной измерительной системы, регистрируют любое изменение магнитного потока, вызванное изменением толщины стенки трубы или несплошностью металла трубы.
К настоящему типу средств измерений относятся дефектоскопы, указанные в таблице 1:
Таблица 1 - Типоразмеры дефектоскопов внутритрубных магнитных
|
№ п/п |
Обозначение исполнения дефектоскопов |
Заводской номер |
Типо |
размеры |
|
мм |
дюйм | |||
|
1. |
6-МСК.00-00.000 |
201770 |
159,0 |
6 |
|
2. |
6-МСК.01-00.000-01 |
2150140 |
159,0 |
6 |
|
168,3 |
6 API | |||
|
3. |
8-МСК.01-00.000 |
107391 |
219,0 |
8 |
|
273,0 |
10 | |||
|
4. |
8-МСК.01-00.000-01 |
2150150 |
219,0 |
8 |
|
273,0 |
10 | |||
|
5. |
12-МСК.01-00.000-01 |
107337 |
325,0 |
12 |
|
323,8 |
12 API | |||
|
6. |
14-МСК.01-00.000-01 |
107217 |
377,0 |
14 |
|
355,6 |
14 API | |||
|
7. |
16-МСК.00-00.000 |
2122800 |
426,0 |
16 |
|
8. |
20-МСК.01-00.000-01 |
211920 |
530,0 |
20 |
|
9. |
42-МСК.01-00.000-01 |
211900 |
1067,0 |
42 |
|
1020,0 |
40 | |||
|
10. |
48-МСК.01-00.000-01 |
211890 |
1220,0 |
48 |
Дефектоскопы помимо типоразмера отличаются наличием дополнительного, не метрологического, оборудования и количеством секций.
Так как каждый дефектоскоп предназначен для диагностирования магистральных нефтепроводов и нефтепродуктопроводов нескольких диаметров, для лучшего прохождения изгибов трубопровода имеется комплект сменных секций и манжет разных размеров, которые устанавливаются перед проведением диагностирования.
Нанесение знака поверки на дефектоскоп не предусмотрено.
Заводской номер наносится на дефектоскоп гравировкой или ударным методом в виде цифрового обозначения на бирку, закреплённую на корпусе дефектоскопа.
Пломбирование дефектоскопов не предусмотрено.
Фотография общего вида дефектоскопов внутритрубных магнитных представлена на рисунке 1.
Рисунок 1 - общий вид дефектоскопов.
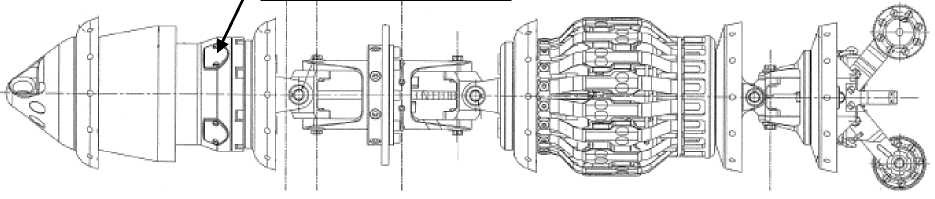
Чертежи общего вида и места нанесения заводского номера дефектоскопов представлены на рисунках 2-7.
Место нанесения
заводского номера
Рисунок 2 - Чертеж общего вида дефектоскопа внутритрубного магнитного 6-МСК.00-00.000
Место нанесения заводского номера
Рисунок 3 - Чертеж общего вида дефектоскопа внутритрубного магнитного
6-МСК.01-00.000-01
Рисунок 4 - Чертеж общего вида дефектоскопа внутритрубного магнитного
8-МСК.01-00.000 и 8-МСК.01-00.000-01
Место нанесения заводского номера
Рисунок 5 - Чертеж общего вида дефектоскопа внутритрубного магнитного 12-МСК.01-00.000-01 и 14-МСК.01-00.000-01
Место нанесения заводского номера
Рисунок 6 - Чертеж общего вида дефектоскопа внутритрубного магнитного 16-МСК.00-00.000 и 20-МСК.01-00.000-01
Место нанесения заводского номера
Рисунок 7 - Чертеж общего вида дефектоскопа внутритрубного магнитного
42-МСК.01-00.000-01 и 48-МСК.01-00.000-01
Программное обеспечение
Программное обеспечение «Терминал» (ПО), служит для подготовки и настройки оборудования перед пропуском дефектоскопа по трубопроводу, отображения результатов измерения на экране персонального компьютера, передачи данных пропуска на внешние накопители.
Идентификационные данные ПО приведены в таблице 2.
Таблица 2 - Идентификационные данные ПО
|
Идентификационные данные (признаки) |
Значение | |||||
|
Наименование дефектоскопа |
6- МСК.00-00.000 |
6-МСК.01-00.000-01 |
8-МСК.01-00.000 |
8-МСК.01-00.000-01 |
12- МСК.01-00.000-01 |
14-МСК.01-00.000-01 |
|
Идентификационное наименование ПО |
Терминал ВИП |
Терминал ВИП |
Терминал ВИП |
Терминал ВИП |
Терминал ВИП серии МСК.01 |
Терминал ВИП серии МСК.01 |
|
Номер версии (идентификационный номер) ПО |
22.0437.18 и выше |
22.0869.05 и выше |
22.0437.18 и выше |
22.0437.18 и выше |
22.0392.04 и выше |
22.0392.04 и выше |
|
Цифровой идентификатор ПО |
- |
- |
- |
- |
- |
- |
П Продолжение таблицы 2
|
Идентификационные данные (признаки) |
Значение | |||
|
Наименование дефектоскопа |
16-МСК.00-00.000 |
20-МСК.01-00.000-01 |
42-МСК.01-00.000-01 |
48-МСК.01-00.000-01 |
|
Идентификационное наименование ПО |
Терминал ВИП серии МСК.01 |
Терминал ВИП серии МСК.01 |
Терминал ВИП серии МСК.01 |
Терминал ВИП серии МСК.01 |
|
Номер версии (идентификационный номер) ПО |
22.0392.04 и выше |
22.0392.04 и выше |
22.0392.04 и выше |
22.0392.04 и выше |
|
Цифровой идентификатор ПО |
- |
- |
- |
- |
Уровень защиты ПО соответствует типу «средний» согласно Р 50.2.077-2014.
Технические характеристики
Таблица 3 - Метрологические характеристики
|
Наименование характеристики |
Типоразмеры |
Значение | |
|
мм |
дюйм | ||
|
Диапазоны измерений координат дефекта (вдоль оси трубы) для исполнений дефектоскопов, мм: • 6-МСК.00-00.000; |
159,0 |
6 |
от 251 до 18000 |
|
• 6-МСК.01-00.000-01; |
159,0 |
6 |
от 170 до 18000 |
|
168,3 |
6 API | ||
|
• 8-МСК.01-00.000; |
219,0 |
8 |
от 251 до 18000 |
|
273,0 |
10 |
от 383 до 18000 | |
|
• 8-МСК.01-00.000-01; |
219,0 |
8 |
от 278 до 18000 |
|
273,0 |
10 | ||
|
• 12-МСК.01-00.000-01; |
325,0 |
12 |
от 282 до 18000 |
|
323,8 |
12 API | ||
|
• 14-МСК.01-00.000-01 |
377,0 |
14 |
от 282 до 18000 |
|
355,6 |
14 API | ||
|
• 16-МСК.00-00.000 |
426,0 |
16 |
от 282 до 18000 |
|
• 20-МСК.01-00.000-01 |
530,0 |
20 |
от 282 до 18000 |
|
• 42-МСК.01-00.000-01; |
1067,0 |
42 |
от 496 до 18000 |
|
1020,0 |
40 | ||
|
• 48-МСК.01-00.000-01 |
1220,0 |
48 |
от 496 до 18000 |
|
Пределы допускаемой абсолютной погрешности измерений координат дефекта (вдоль оси трубы), мм |
±(34+0,0083-L), где L - измеренная координата дефекта (вдоль оси трубы), мм | ||
П Продолжение таблицы 3
|
Наименование характеристики |
Типоразмеры |
Значение | |
|
мм |
дюйм | ||
|
Диапазоны измерений толщины стенки трубопровода магнитным методом для исполнений дефектоскопов, мм: • 6-МСК.00-00.000; |
159,0 |
6 |
от 4 до 9 |
|
• 6-МСК.01-00.000-01; |
159,0 |
6 |
от 4 до 9 |
|
168,3 |
6 API | ||
|
• 8-МСК.01-00.000; |
219,0 |
8 |
от 6 до 12 |
|
273,0 |
10 |
от 7 до 13 | |
|
• 8-МСК.01-00.000-01; |
219,0 |
8 |
от 6 до 12 |
|
273,0 |
10 |
от 7 до 13 | |
|
• 12-МСК.01-00.000-01; |
325,0 |
12 |
от 6 до 14 |
|
323,8 |
12 API | ||
|
• 14-МСК.01-00.000-01; |
377,0 |
14 |
от 7 до 14 |
|
355,6 |
14 API | ||
|
• 16-МСК.00-00.000 |
426,0 |
16 |
от 6 до 15 |
|
• 20-МСК.01-00.000-01; |
530,0 |
20 |
от 6 до 16 |
|
• 42-МСК.01-00.000-01; |
1067,0 |
42 |
от 11 до 25 |
|
1020,0 |
40 |
от 10 до 27 | |
|
• 48-МСК.01-00.000-01 |
1220,0 |
48 |
от 10 до 27 |
|
Пределы допускаемой относительной погрешности измерений толщины стенки трубопровода магнитным методом, % |
± 30 | ||
аблица 4 - Технические характеристики
|
Наименование характеристики |
Значение |
|
Наружный диаметр обследуемого трубопровода, мм |
от 159 до 1220 |
|
Рабочая среда эксплуатации |
нефть, нефтепродукты, газ, вода и неагрессивные жидкости |
|
Максимальное давление в трубопроводе, МПа |
14 |
|
Допустимая скорость движения дефектоскопа, м/с |
от 0,2 до 4,0 |
|
Допустимая овальность трубопровода, % от Dh, не более: |
от 6 до 15 |
|
Максимальная протяженность участка, обследуемого за один пропуск, при средней скорости движения 1 м/с, км |
от 60 до 350 |
|
Длина дефектоскопа, мм, не более |
3360 |
|
Масса дефектоскопа, включая батареи питания и транспортировочно-запасовочное устройство, кг, не более |
4600 |
|
Температура среды эксплуатации, °С |
от - 15 до + 50 |
|
Температура хранения, °С |
от 0 до + 35 |
|
Температура транспортирования, °С |
от - 40 до + 50 |
Знак утверждения типа
наносится на титульном листе руководства по эксплуатации в правом верхнем углу методом печати.
Комплектность
Таблица 5 - Комплектность дефектоскопа 6-МСК.00-00.000
|
Наименование |
Обозначение |
Количество |
|
Дефектоскоп внутритрубный магнитный |
6-МСК.00-00.000 |
1 шт. |
|
Транспортно-запасовочное устройство (ТЗУ) |
6-МСК.00-28.000 |
1 компл. |
|
Комплект вспомогательного оборудования |
6-МСК.00-14.000 |
1 компл. |
|
Программа интерпретации данных |
RU.18024722.00050 |
1 шт. |
|
Комплект запасных частей |
6-МСК.00-17.000 |
1 компл. |
|
Комплект инструмента и принадлежностей |
6-МСК.00-18.000 |
1 компл. |
|
Комплект терминала |
- |
1 компл. |
|
Комплект эксплуатационных документов |
- |
1 компл. |
Таблица 6 - Комплектность дефектоскопа 6-МСК.01-00.000-01
|
Наименование |
Обозначение |
Количество |
|
Дефектоскоп внутритрубный магнитный |
6-МСК.01-00.000-01 |
1 шт. |
|
Транспортно-запасовочное устройство (ТЗУ) |
6-МСК.01-28.000 |
1 компл. |
|
Комплект сменных частей типоразмера 168 мм (6” API) |
6-МСК.01-13.000 |
1 компл. |
|
Комплект вспомогательного оборудования |
6-МСК.01-14.000 |
1 компл. |
|
Программа интерпретации данных |
RU.18024722.00050 |
1 шт. |
|
Комплект запасных частей |
6-МСК.01-17.000 |
1 компл. |
|
Комплект инструмента и принадлежностей |
6-МСК.01-18.000 |
1 компл. |
|
Комплект терминала |
6-МСК.01-60.000 |
1 компл. |
|
Комплект эксплуатационных документов |
- |
1 компл. |
Таблица 7 - Комплектность дефектоскопа 8-МСК.01-00.000
|
Наименование |
Обозначение |
Количество |
|
Дефектоскоп внутритрубный магнитный |
8-МСК.01-00.000 |
1 шт. |
|
Транспортно-запасовочное устройство (ТЗУ) |
8-МСК.00-29.000 |
1 компл. |
|
Комплект сменных частей типоразмера 273 мм, секция одометрическая |
10-МСК.01-02.000 |
1 компл. |
|
Комплект сменных частей типоразмера 273 мм, секция магнитная |
10-МСК.01-05.000 |
1 компл. |
|
Комплект сменных частей для прохождения отводов 1,5Dy |
8-МСК.01-11.000 |
1 компл. |
|
Комплект сменных частей для прохождения отводов 1,5Dy |
8-МСК.01-12.000 |
1 компл. |
|
Комплект вспомогательного оборудования |
8-МСК.01-14.000 |
1 компл. |
|
Программа интерпретации данных |
RU.18024722.00050 |
1 шт. |
|
Комплект запасных частей |
8-МСК.01-17.000 |
1 компл. |
|
Комплект инструмента и принадлежностей |
8-МСК.01-18.000 |
1 компл. |
|
Комплект оборудования для обслуживания электроники |
8-МСК.01-50.000 |
1 компл. |
|
Комплект терминала |
8-МСК.01-60.000 |
1 компл. |
|
Комплект эксплуатационных документов |
- |
1 компл. |
|
Таблица 8 - Комплектность дефектоскопа 8-МСК.01-00.000-01 | ||
|
Наименование |
Обозначение |
Количество |
|
Дефектоскоп внутритрубный магнитный |
8-МСК.01-00.000-01 |
1 шт. |
|
Транспортно-запасовочное устройство (ТЗУ) |
8-МСК.00-29.000 |
1 компл. |
|
Комплект сменных частей для прохождения отводов 1,5DN |
8-МСК.01-11.000 |
1 компл. |
|
Комплект сменных частей секции батарейной 1,5DN |
8-МСК.01-11.010 |
1 компл. |
|
Комплект сменных частей секции соединительной 1,5DN |
8-МСК.01-11.030 |
1 компл. |
|
Комплект сменных частей секции магнитной 1,5DN |
8-МСК.01-11.050 |
1 компл. |
|
Комплект сменных частей для прохождения отводов 1,5DN |
8-МСК.01-12.000 |
1 компл. |
|
Комплект сменных частей секции соединительной 1,5DN |
8-МСК.01-12.030 |
1 компл. |
|
Комплект сменных частей секции магнитной 1,5DN |
8-МСК.01-11.000 |
1 компл. |
|
Комплект сменных частей типоразмера 273 мм, секция одометрическая |
10-МСК.01-02.000 |
1 компл. |
|
Комплект сменных частей типоразмера 273 мм, секция магнитная |
10-МСК.01-05.000-01 |
1 компл. |
|
Комплект сменных частей секции батарейной |
8-МСК.01-15.010 |
1 компл. |
|
Комплект сменных частей секции электроники |
8-МСК.01-15.020 |
1 компл. |
|
Комплект сменных частей секции соединительной |
8-МСК.01-15.030 |
1 компл. |
|
Комплект вспомогательного оборудования |
8-МСК.01-14.000 |
1 компл. |
|
Программа интерпретации данных |
RU.18024722.00050 |
1 компл. |
|
Комплект запасных частей |
8-МСК.01-17.000 |
1 компл. |
|
Комплект инструмента и принадлежностей |
8-МСК.01-18.000 |
1 компл. |
|
Комплект оборудования для обслуживания электроники |
8-МСК.01-50.000 |
1 компл. |
|
Комплект терминала |
8-МСК.01-60.000 |
1 компл. |
|
Комплект эксплуатационных документов |
- |
1 компл. |
|
Таблица 9 - Комплектность дефектоскопа 12-МСК.01-00.000-01 | ||
|
Наименование |
Обозначение |
Количество |
|
Дефектоскоп внутритрубный магнитный |
12-МСК.01-00.000-01 |
1 шт. |
|
Комплект вспомогательного оборудования |
12-МСК.01-14.000 |
1 компл. |
|
Программа интерпретации данных |
RU.18024722.00050 |
1 компл. |
|
Комплект запасных частей |
12-МСК.01-17.000 |
1 компл. |
|
Комплект инструмента и принадлежностей |
12-МСК.01-18.000 |
1 компл. |
|
Транспортно-запасовочное устройство (ТЗУ) |
12-МСК.00-29.000 или 12-МСК.00-28.000 |
1 компл. |
|
Комплект терминала |
12-МСК.01-60.000 |
1 компл. |
|
Комплект эксплуатационных документов |
- |
1 компл. |
|
Таблица 10 - Комплектность дефектоскопа 14-МСК.01-00.000-01 | ||
|
Наименование |
Обозначение |
Количество |
|
Дефектоскоп внутритрубный магнитный |
14-МСК.01-00.000-01 |
1 шт. |
|
Комплект вспомогательного оборудования |
14-МСК.01-14.000 |
1 компл. |
|
Комплект сменных частей типоразмера 355,6 мм, секция батарейной |
14-МСК.01-13.100 |
1 компл. |
|
Комплект сменных частей типоразмера 355,6 мм, секция магнитной |
14-МСК.01-13.200 |
1 компл. |
|
Комплект сменных частей типоразмера 355,6 мм, секция одометрической |
14-МСК.01-13.300 |
1 компл. |
|
Программа интерпретации данных |
RU.18024722.00050 |
1 компл. |
|
Комплект запасных частей |
14-МСК.01-17.000 |
1 компл. |
|
Комплект инструмента и принадлежностей |
14-МСК.01-18.000 |
1 компл. |
|
Транспортно-запасовочное устройство (ТЗУ) |
14-МСК.01-28.000 или 14-МСК.00-29.000 |
1 компл. |
|
Комплект терминала |
12-МСК.01-60.000 |
1 компл. |
|
Комплект эксплуатационных документов |
- |
1 компл. |
|
Таблица 11 - Комплектность дефектоскопа 16-МСК.00-00.000 | ||
|
Наименование |
Обозначение |
Количество |
|
Дефектоскоп внутритрубный магнитный |
16-МСК.00-00.000 |
1 шт. |
|
Комплект вспомогательного оборудования |
16-МСК.00-14.000 |
1 компл. |
|
Программа интерпретации данных |
RU.18024722.00050 |
1 компл. |
|
Комплект запасных частей |
16-МСК.00-17.000 |
1 компл. |
|
Комплект инструмента и принадлежностей |
16-МСК.00-18.000 |
1 компл. |
|
Комплект сменных частей для прохождения отводов 1,5 Dy |
16-МСК.00-11.000 |
1 компл. |
|
Транспортно-запасовочное устройство (ТЗУ) |
16-МСК.00-28.000 |
1 компл. |
|
Комплект терминала |
48-МСК.01-60.000-03 |
1 компл. |
|
Комплект эксплуатационных документов |
- |
1 компл. |
Таблица 12 - Комплектность дефектоскопа 20-МСК.01-00.000-01
|
Наименование |
Обозначение |
Количество |
|
Дефектоскоп внутритрубный магнитный |
20-МСК.01-00.000-01 |
1 шт. |
|
Транспортно-запасовочное устройство (ТЗУ) |
20-МСК.01-29.000 |
1 компл. |
|
Комплект сменных частей типоразмера 530 мм для прохождения отводов 1,5 Dy |
20-МСК.01-13.000 |
1 компл. |
|
Комплект вспомогательного оборудования |
20-МСК.01-14.000-01 |
1 компл. |
|
Программа интерпретации данных |
RU.18024722.00050 |
1 шт. |
|
Комплект запасных частей |
20-МСК.01-17.000-01 |
1 компл. |
|
Комплект инструмента и принадлежностей |
20-МСК.01-18.000-01 |
1 компл. |
|
Комплект терминала |
48-МСК.01-60.000-02 |
1 компл. |
|
Комплект эксплуатационных документов |
- |
1 компл. |
аблица 13 - Комплектность дефектоскопа 42-МСК.01-00.000-01
|
Наименование |
Обозначение |
Количество |
|
Дефектоскоп внутритрубный магнитный |
42-МСК.01-00.000-01 |
1 шт. |
|
Комплект вспомогательного оборудования |
42-МСК.01-14.000-01 |
1 компл. |
|
Комплект сменных частей |
42-МСК.01-15.000-01 |
1 компл. |
|
Программа интерпретации данных |
RU.18024722.00050 |
1 компл. |
|
Комплект запасных частей |
42-МСК.01-17.000-01 |
1 компл. |
|
Комплект инструмента и принадлежностей |
42-МСК.01-18.000-01 |
1 компл. |
|
Транспортно-запасовочное устройство (ТЗУ) |
42-МСК.01-29.000 |
1 компл. |
|
Комплект терминала |
48-МСК.01-60.000-02 |
1 компл. |
|
Комплект эксплуатационных документов |
- |
1 компл. |
'аблица 14 - Комплектность дефектоскопа 48-МСК.01-00.000-01
|
Наименование |
Обозначение |
Количество |
|
Дефектоскоп внутритрубный магнитный |
48-МСК.01-00.000-01 |
1 шт. |
|
Комплект вспомогательного оборудования |
48-МСК.01-14.000-01 |
1 компл. |
|
Программа интерпретации данных |
RU.18024722.00050 |
1 компл. |
|
Комплект запасных частей |
48-МСК.01-17.000-01 |
1 компл. |
|
Комплект инструмента и принадлежностей |
48-МСК.01-18.000-01 |
1 компл. |
|
Транспортно-запасовочное устройство (ТЗУ) |
48-МСК.01-29.000 |
1 компл. |
|
Комплект терминала |
48-МСК.01-60.000-02 |
1 компл. |
|
Комплект эксплуатационных документов |
- |
1 компл. |
Сведения о методах измерений
приведены в документах: 6-МСК.00-00.000 РЭ «Дефектоскоп внутритрубный магнитный 6-МСК.00-00.000. Руководство по эксплуатации», раздел 2 «Использование по назначению», 6-МСК.01-00.000-01 РЭ «Дефектоскоп внутритрубный магнитный 6-МСК.01-00.000-01. Руководство по эксплуатации», раздел 2 «Использование по назначению», 8-МСК.01-00.000 РЭ «Дефектоскоп внутритрубный магнитный 8-МСК.01-00.000. Руководство по эксплуатации», раздел 2 «Использование по назначению», 8-МСК.01-00.000-01 РЭ «Дефектоскоп внутритрубный магнитный 8-МСК.01-00.000-01. Руководство по эксплуатации», раздел 2 «Использование по назначению», 12-МСК.01-00.000-01 «Дефектоскоп внутритрубный магнитный 12-МСК.01-00.000-01. Руководство по эксплуатации», раздел 2 «Использование по назначению», 14-МСК.01-00.000-01 РЭ «Дефектоскоп внутритрубный магнитный 14-МСК.01-00.000-01. Руководство по эксплуатации», раздел 2 «Использование по назначению», 16-МСК.00-00.000 РЭ «Дефектоскоп внутритрубный магнитный 16-МСК.00-00.000. Руководство по эксплуатации», раздел 2 «Использование по назначению», 20-МСК.01-00.000-01 РЭ «Дефектоскоп внутритрубный магнитный 20-МСК.01-00.000-01. Руководство по эксплуатации», раздел 2 «Использование по назначению», 42-МСК.01-00.000-01 РЭ «Дефектоскоп внутритрубный магнитный 42-МСК.01-00.000-01. Руководство по эксплуатации», раздел 2 «Использование по назначению», 48-МСК.01-00.000-01 РЭ «Дефектоскоп внутритрубный магнитный 48-МСК.01-00.000-01. Руководство по эксплуатации», раздел 2 «Использование по назначению»; ФР.1.27.2024.48384 «Методика (метод) измерений расстояния, пройденного колесом датчика пути (энкодера)».
Нормативные документы
ТУ 4834-093-18024722-2013 Дефектоскопы внутритрубные магнитные типа МСК. Технические условия



