Счетчики жидкости камерные лопастные ВМ
| Номер в ГРСИ РФ: | 92880-24 |
|---|---|
| Категория: | Счетчики жидкости |
| Производитель / заявитель: | Фирма Chongqing Endurance Industry Stock Co., Ltd, Китай |
|
92880-24: Описание типа
2024-92880-24.pdf
|
Скачать | 662 КБ | |
|
92880-24: Описание типа
2025-92880-24.pdf
|
Скачать | 797.9 КБ | |
|
92880-24: Методика поверки
РТ-МП-803-208-2025
2025-mp92880-24.pdf
|
Скачать | 2.6 MБ | |
|
92880-24: Методика поверки
МП 208-054-2024
2024-mp92880-24-1.pdf
|
Скачать | 2.4 MБ | |
|
92880-24: Описание типа
2026-92880-24-1.pdf
|
Скачать | 797.1 КБ |
Счетчики жидкости камерные лопастные ВМ (далее - счетчики) предназначены для измерений объема светлых нефтепродуктов, таких как бензин, керосин, дизельное топливо, авиационный керосин и другие жидкости.
Информация по Госреестру
| Основные данные | ||||||||||||||||
|---|---|---|---|---|---|---|---|---|---|---|---|---|---|---|---|---|
| Номер по Госреестру | 92880-24 | |||||||||||||||
| Действует | по 13.08.2029 | |||||||||||||||
| Наименование | Счетчики жидкости камерные лопастные | |||||||||||||||
| Модель | ВМ | |||||||||||||||
| Модификации |
BM 1 2 3 4 5 6 7 8 9 10, где: 1 - диаметр условного прохода (05-50 мм, 08-80 мм, 10-100 мм, 15-150 мм) 2 - рабочее давление (B-1,0МПа, C-1,6МПа) 3- присоединениек трубопроводу (U-вход и выход счетчика находятся на одной оси и направлены в противоположные стороны, L-вход и выход счетчика направлены фланцами вверх 4 - направление вращения (L-левый вход и правый выход, R-правый вход и левый выход) 5 - исполнение (1-стандартное, 2-с дозатором) 6 - коэффициент добавления присадок насоса (1 -без дозатора 0%; 2-дозатор-0%; 0,1 %; 0,2 %, 0,3 %; 3-дозатор-0%;0,1 %) 7 - передатчик (E-датчик импульсов, F-механический сумматори датчик импульсов, M-механический сумматор) 8 - стрелочный указатель расхода 9 - температурное исполнение (1-до минус 35°C, 2-до минус 45°C) 10 - класс точности (S-Стандарт -0,20, M-Мастер -0,15) на испытания представлены: ВМ05CUL11FW2M ВМ08CDUL11FI2M ВМ10CUL11FW2M ВМ15CUL11FI2M |
|||||||||||||||
| Приказы |
№2666 от
05.12.2025
— О внесении изменений в сведения об утвержденных типах средств измерений
№82 от
20.01.2026
— О внесении изменений в сведения об утвержденных типах средств измерений
|
|||||||||||||||
| Код идентификации производства |
ОС
СИ не соответствует критериям подтверждения производства на территории
РФ в соответствии с постановлением №719
|
|||||||||||||||
| Характер производства | Серийное | |||||||||||||||
| Идентификатор записи ФИФ ОЕИ | 9c6441d5-76fc-8f56-5849-38463880cb16 | |||||||||||||||
| Испытания |
|
|||||||||||||||
Производитель / Заявитель
Chongqing Endurance Industry Stock Co., Ltd, КИТАЙ, No.6 Yangliu Road, New North Zone, Chongqing
Поверка
| Методика поверки / информация о поверке |
МП 208-054-2024 Государственная система обеспечения единства измерений. Счетчики жидкости камерные лопастные BM. Методика поверки
(с 13.08.2024 по 05.12.2025)
РТ-МП-803-208-2025 Государственная система обеспечения единства измерений. Счетчики жидкости камерные лопастные ВМ. Методика поверки
(с 05.12.2025)
|
| Межповерочный интервал / Периодичность поверки |
2 года
Для счетчиков с пределами допускаемой относительной погрешности измерений объема ±0,15 %
5 лет
Для счетчиков с пределами допускаемой относительной погрешности измерений объема ±0,2 %
|
| Зарегистрировано поверок | |
| Найдено поверителей | |
| Успешных поверок (СИ пригодно) | 16 (100%) |
| Неуспешных поверок (СИ непригодно) | 0 (0 %) |
| Актуальность информации | 15.03.2026 |
Поверители
Скачать
|
92880-24: Описание типа
2024-92880-24.pdf
|
Скачать | 662 КБ | |
|
92880-24: Методика поверки
2024-mp92880-24.pdf
Файл устарел
|
Скачать | 2.4 MБ | |
|
92880-24: Описание типа
2025-92880-24.pdf
|
Скачать | 797.9 КБ | |
|
92880-24: Методика поверки
РТ-МП-803-208-2025
2025-mp92880-24.pdf
|
Скачать | 2.6 MБ | |
|
92880-24: Методика поверки
МП 208-054-2024
2024-mp92880-24-1.pdf
|
Скачать | 2.4 MБ | |
|
92880-24: Описание типа
2025-92880-24-1.pdf
Файл устарел
|
Скачать | 797.9 КБ | |
|
92880-24: Описание типа
2024-92880-24-1.pdf
Файл устарел
|
Скачать | 662 КБ | |
|
92880-24: Описание типа
2026-92880-24.pdf
Файл устарел
|
Скачать | 797.1 КБ | |
|
92880-24: Методика поверки
МП 208-054-2024
2024-mp92880-24-2.pdf
Файл устарел
|
Скачать | 2.4 MБ | |
|
92880-24: Методика поверки
РТ-МП-803-208-2025
2025-mp92880-24-1.pdf
Файл устарел
|
Скачать | 2.6 MБ | |
|
92880-24: Описание типа
2026-92880-24-1.pdf
|
Скачать | 797.1 КБ |
Описание типа
Назначение
Счетчики жидкости камерные лопастные ВМ (далее - счетчики) предназначены для измерений объема светлых нефтепродуктов, таких как бензин, керосин, дизельное топливо, авиационный керосин и другие жидкости.
Описание
Принцип действия счетчиков основан на преобразовании перепада давления, возникающего при протекании жидкости между входным и выходным патрубками счетчика, во вращение ротора, находящегося в измерительной камере, которое затем передается через редуктор на счетный механизм. Под давлением жидкости ротор с лопастями приходит в движение, лопасти захватывают определенный объем жидкости и перемещают его к выходу.
Счетчик, в зависимости от модификации, состоит из преобразователя объема, механического сумматора, дозатора с нагнетательным насосом для подачи присадок и датчика импульсов. Преобразователь объема состоит из корпуса с измерительной камерой, ротора с лопастями, подводящего и отводящего патрубков.
Корпус выполнен из стали, ротор из алюминия, боковые крышки выполнены из стали, лопатки - из графитосодержащего материала, обеспечивающего смазывающие свойства при трении их о стенки и ротор. Высокая точность измерений достигается благодаря минимальным внутренним зазорам между движущимися частями счетчика.
Счетчики, в зависимости от вида рабочей среды и выполняемой задачи, отличаются друг от друга диапазонами расходов.
Счетный механизм приводится в исходное положение вручную.
Нагнетательный насос дозатора соединен с ротором счетчика. При вращении ротора нагнетательный насос подает присадку в определенном соотношении к основному объему, измеренному счетчиком. Дозатор имеет несколько режимов дозирования, в зависимости от положения вентилей, входящих в состав дозатора (с соотношением объема присадки к объему счетчика 0; 0,1; 0,2 и 0,3 %).
Дополнительно счетчик может быть оснащен стрелочным указателем расхода, для визуального наблюдения за изменением расхода.
Счетчик может быть окрашен в различные цвета, в зависимости от требований заказчика.
В зависимости от комплектации счетчики выпускаются в следующих модификациях: BM x x x x x x x x x x
1 2 3 4 5 6 7 8 9 10
1. Диаметр условного прохода (05 - 50 мм, 08 - 80 мм, 10 - 100 мм, 15 - 150 мм).
2. Рабочее давление (B - 1,0 МПа, C - 1,6 МПа).
3. Присоединение к трубопроводу (U - вход и выход счетчика находятся на одной оси и направлены в противоположные стороны (рисунки 1, 2, 3, 5, 6), L - вход и выход счетчика направлены фланцами вверх (рисунок 3), для ВМ08 T/DU/DL/H: T - (до 120 м3/ч) фланцы в противоположном направлении, DU - (до 120 м3/ч) вход и выход счетчика находятся на одной оси и направлены в противоположные стороны, DL - (до 120 м3/ч) вход и выход счетчика направлены фланцами вверх, H - (до 120 м3/ч) вход и выход вверх).
4. Направление вращения (L - левый вход и правый выход, R - правый вход и левый выход).
5. Исполнение (1 - стандартное, 2 - с дозатором).
6. Коэффициент добавления присадок насоса (1 - без дозатора 0 %; 2 - дозатор - 0 %; 0,1 %; 0,2 %, 0,3 %; 3 - дозатор - 0 %; 0,1 %).
7. Передатчик (E - датчик импульсов, F - механический сумматор и датчик импульсов, M - механический сумматор).
8. Стрелочный указатель расхода (W - без указателя, I - с указателем).
9. Температурное исполнение (1 - до минус 35 °C, 2 - до минус 45 °C).
10. Класс точности (S - Стандарт - 0,20, M - Мастер - 0,15).
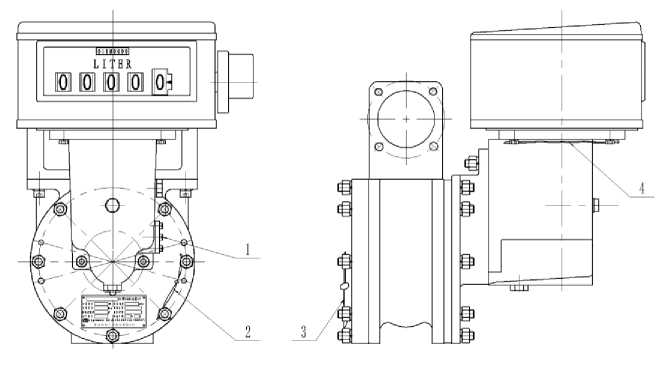
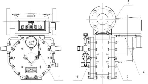
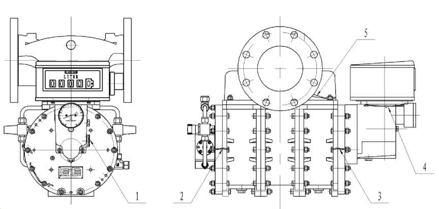
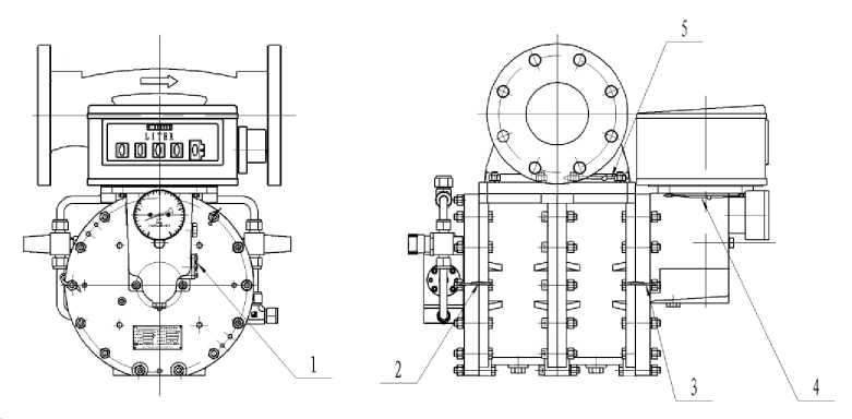
Внешний вид счетчиков показан на рисунках 1-6.
Рисунок 2 - Счетчик с отсчетным устройством и дозатором
Рисунок 1 - Счетчик с отсчетным устройством
Рисунок 4 - Счетчик (фланцы вверх) с отсчетным устройством и датчиком
импульсов
Рисунок 3 - Счетчик с дозатором
Рисунок 6 - Счетчик с отсчетным устройством, дозатором и датчиком
Рисунок 5 - Счетчик с отсчетным устройством, указателем расхода и дозатором
импульсов
Пломбирование счетчиков осуществляется посредством свинцовых пломб, установленных с помощью проволоки, пропущенной через специальные отверстия винтов крепления, расположенных на корпусе счетчика и механическом сумматоре.
Места пломбирования счетчиков показаны на рисунке 7.
Нанесение знака поверки на счетчики не предусмотрено.
Счетчик ВМ05
Счетчик ВМ08 (DU/DL)
Счетчик ВМ08 T
Счетчик ВМ08 H
Счетчик ВМ10
Счетчик ВМ15
Рисунок 7 - Места пломбирования счетчиков. Позиции 1-5
Наименование счетчиков, их заводские номера, основные технические характеристики указываются на маркировочной табличке с помощью металлографической печати (металлографии) или гравировки. Маркировочные таблички крепятся на фланце со стороны счетного механизма. Заводской номер счетчика состоит из буквенно-цифровых символов.
Пример маркировочной таблички представлен на рисунке 8.
Рисунок 8 - Маркировочная табличка
Технические характеристики
Таблица 1
|
Наименование характеристики |
Значение | |||
|
Модификация |
BM05 |
ВМ08 |
ВМ10 |
ВМ15 |
|
Диаметр условного прохода Ду, мм |
50 |
80 |
100 |
150 |
|
Qmin, м3/ч |
3 |
6 |
12 |
20 |
|
Qmax, м3/ч |
30 |
80 120 |
150 |
240 |
|
Минимальный измеряемый объем, дм3 |
50 |
100 |
100 |
1000 |
|
Порог чувствительности, дм3/мин |
3 |
9 |
18 |
26 |
|
Перепад давления при Qmax и вязкости 1 мм2/с, кПа |
20 |
45 |
47 |
50 |
|
Рабочее давление, МПа |
1,0; 1,6 | |||
|
Пределы допускаемой относительной погрешности измерений объема, % |
±0,15; ±0,2 | |||
|
Диапазон температуры, °С: - измеряемой жидкости - окружающей среды |
от -45 до +80 от -40 до +50 | |||
|
Параметры датчика импульсов: - напряжение постоянного тока, В - выходной ток, мА - количество импульсов на 1 оборот |
от 5 до 36 30 200 | |||
|
Параметры счетного механизма: - количество разрядов счетчика разового учета __________ __________ ____ 3 - цена деления счетчика разового учета, дм - количество разрядов счетчика суммарного учета 3 - цена деления счетчика суммарного учета, дм3 |
5 0,1 8 1 | |||
|
Наименование характеристики |
Значение | |||
|
Габаритные размеры (Д*Ш*В), мм, |
385x380 |
440x490 |
440x610 |
440x765 |
|
не более |
x400 |
x517 |
x543 |
x592 |
|
Масса, кг, не более |
40 |
68 |
116 |
169 |
Таблица 2 - Показатели надежности
|
Наименование характеристики |
Значение |
|
Средняя наработка на отказ, ч |
51000 |
|
Срок службы, лет |
13 |
Знак утверждения типа
наносится на титульный лист руководства по эксплуатации и паспорт счетчика типографским способом.
Комплектность
Таблица 3
|
Наименование |
Обозначение |
Количество |
Примечание |
|
Счетчик жидкости камерный лопастной ВМ |
ВМ05, BM08, ВМ10, ВМ15 |
1 шт. |
В зависимости от заказа |
|
Руководство по эксплуатации |
РЭ |
1 экз. | |
|
Паспорт |
ПС |
1 экз. | |
|
Комплект монтажных частей |
— |
1 шт. |
по заказу |
Сведения о методах измерений
приведены в руководстве по эксплуатации счетчика, раздел 1 «Введение» п. 1.3 «Принцип работы и метод измерений».
Нормативные документы
Приказ Росстандарта от 26.09.2022 № 2356 Об утверждении Государственной
поверочной схемы для средств измерений массы и объема жидкости в потоке, объема жидкости и вместимости при статических измерениях, массового и объемного расходов жидкости
Техническая документация изготовителя
Другие Счетчики жидкости





