Изделие ПП СЕВ
| Номер в ГРСИ РФ: | 97270-25 |
|---|---|
| Производитель / заявитель: | ФГУП "Нижегородский завод им.М.В.Фрунзе" (НЗиФ), г.Нижний Новгород |
Изделие ПП СЕВ (далее - ПП СЕВ) предназначено для формирования и хранения шкалы времени стартового комплекса космического ракетного комплекса (далее - КРК) «Байтерек», синхронизированной с национальной шкалой времени Российской Федерации UTC (SU) по сигналам спутниковых навигационных систем (СНС) ГЛОНАСС/GPS, формирования и выдачи синхросигналов и кодов времени.
Информация по Госреестру
| Основные данные | |||||||
|---|---|---|---|---|---|---|---|
| Номер по Госреестру | 97270-25 | ||||||
| Наименование | Изделие | ||||||
| Модель | ПП СЕВ | ||||||
| Приказы |
№2820 от
22.12.2025
— Об утверждении типов средств измерений
|
||||||
| Код идентификации производства |
ОС
СИ не соответствует критериям подтверждения производства на территории
РФ в соответствии с постановлением №719
|
||||||
| Характер производства | Единичное | ||||||
| Идентификатор записи ФИФ ОЕИ | 871f200d-68e0-24fa-db23-a72c06c39c75 | ||||||
| Испытания |
|
||||||
Производитель / Заявитель
АО «ННПО имени М.В. Фрунзе», РОССИЯ, 196128, г. Санкт-Петербург, вн.тер.г. муниципальный округ Московская Застава, ул. Варшавская, д. 5А, литера С, пом.7-Н
Поверка
| Методика поверки / информация о поверке |
МП 651-25-046 Государственная система обеспечения единства измерений. Изделие ПП СЕВ. Методика поверки
(с 22.12.2025)
|
| Межповерочный интервал / Периодичность поверки |
1 год
|
| Зарегистрировано поверок | |
| Найдено поверителей | |
| Успешных поверок (СИ пригодно) | 1 (100%) |
| Неуспешных поверок (СИ непригодно) | 0 (0 %) |
| Актуальность информации | 29.03.2026 |
Поверители
Скачать
|
97270-25: Описание типа
2025-97270-25.pdf
|
Скачать | 330.3 КБ | |
|
97270-25: Методика поверки
МП 651-25-046
2025-mp97270-25.pdf
|
Скачать | 1.4 MБ |
Описание типа
Назначение
Изделие ПП СЕВ (далее - ПП СЕВ) предназначено для формирования и хранения шкалы времени стартового комплекса космического ракетного комплекса (далее - КРК) «Байтерек», синхронизированной с национальной шкалой времени Российской Федерации UTC (SU) по сигналам спутниковых навигационных систем (СНС) ГЛОНАСС/GPS, формирования и выдачи синхросигналов и кодов времени.
Описание
Принцип действия ПП СЕВ основан на формировании собственной шкалы времени на основе высокостабильных колебаний внутреннего рубидиевого стандарта частоты и привязки её к национальной шкале времени Российской Федерации UTC (SU) в автоматическом режиме по сигналам спутниковой радионавигационной системы ГЛОНАСС.
Конструктивно ПП СЕВ состоит из двух комплектов (Комплект А и Комплект Б) работающих совместно и установленных в едином шкафу для размещения оборудования (далее - ШРО). Комплекты обеспечивают взаимное резервирование выходных сигналов опорных частот, сигналов синхрочастот 1 Гц, 1/60 Гц, 1/300 Гц, «Старт», сигналов текущего времени по интерфейсу RS-422/R-S485 и сигналов, передаваемых по локальным вычислительным сетям. Изделие построено по принципу «горячего» резервирования. В состав ПП СЕВ также входит ЗИП (запасные части, инструмент, принадлежности) и эксплуатационная документация, расположенные в отдельном шкафу.
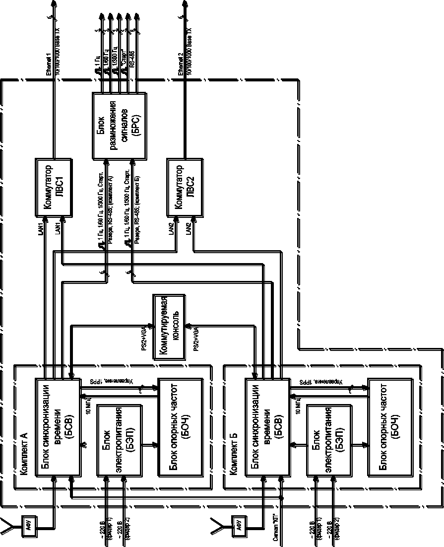
Структурная схема ПП СЕВ приведена на рисунке 1.
ПП СЕВ включает в себя антенно-фидерные устройства (АФУ) и формирующее оборудование, которое установлено в ШРО. Формирующее оборудование содержит два идентичных комплекта (Комплект А и Комплект Б), общее оборудование, а также сервисное оборудование.
В состав каждого комплекта входят:
- блок электропитания БЭП;
- блок опорных частот БОЧ;
- блок синхронизации времени БСВ;
- антенно - фидерное устройство (АФУ).
Рисунок 1 - Структурная схема ПП СЕВ
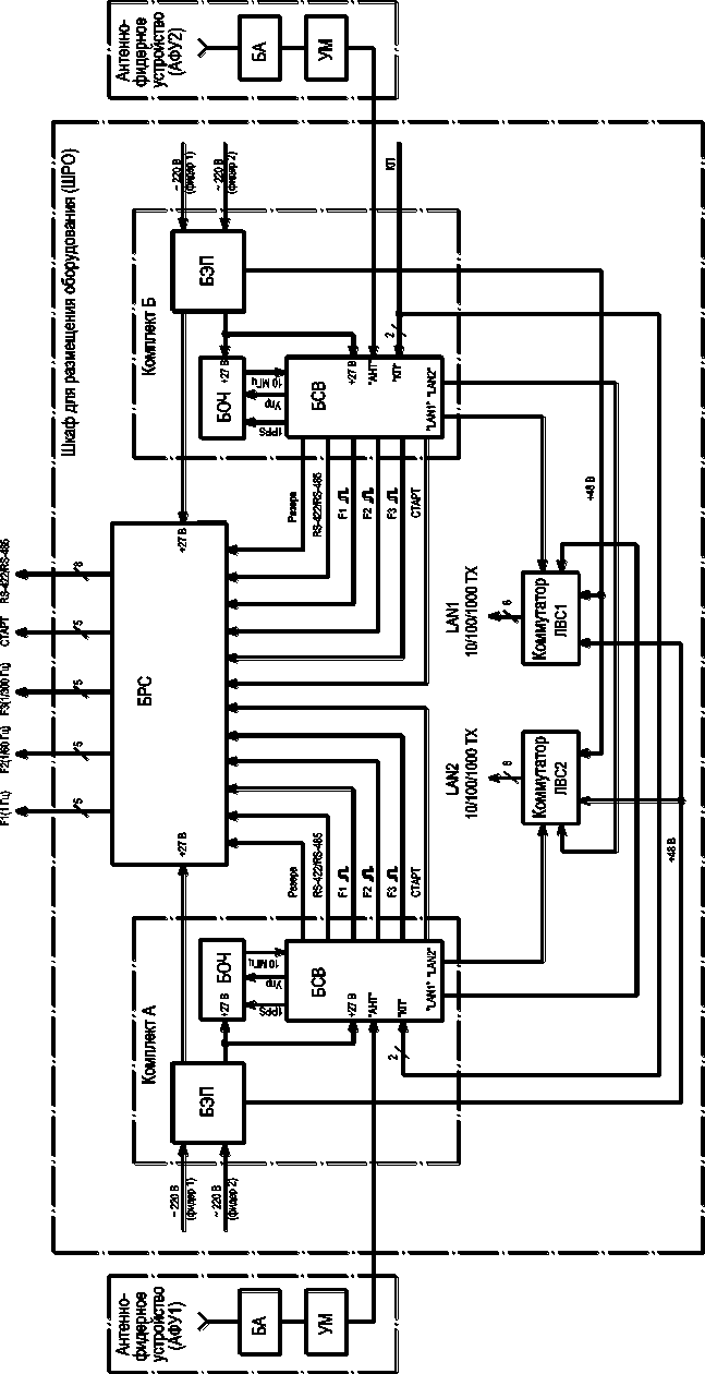
В состав АФУ входят:
- кабель радиочастотный ИТБС.685661.127,
- блок антенный (БА) ШВЕА.464659.004,
- усилитель магистральный (УМ) РТКП.468834.001,
- приспособление монтажное РТКП.686172.001-01.
К общему оборудованию относятся:
- блок размножения сигналов БРС,
- коммутаторы ЛВС1 и ЛВС2.
К сервисному оборудованию относится коммутируемая консоль (из состава комплекта инструмента и принадлежностей).
БЭП обеспечивает формирование на своих выходах постоянного напряжения электропитания «+ 27 В» для обеспечения работоспособности БОЧ, БСВ, БРС и коммутаторов локальных вычислительных сетей (ЛВС).
БОЧ является источником высокостабильных сигналов 5 МГц и 10 МГц. Опорным генератором, в составе БОЧ, является стандарт частоты рубидиевый FE-5650A, с номинальным значением частоты выходного сигнала 10 МГц.
БСВ обеспечивает прием сигналов СНС ГЛОНАСС/GPS, формирование внутренней шкалы времени, синхронизированной с национальной шкалой времени Российской Федерации UTC(SU) по сигналам СНС ГЛОНАСС.
Формирование внутренней шкалы осуществляется путем деления опорной частоты 10 МГц и последующей оцифровки полученных значений текущего времени.
Сигналы СНС ГЛОНАСС/GPS принимаются и усиливаются блоками антенными (БА) и усилителями магистральными (УМ) АФУ.
Синхронизация внутренней шкалы времени со шкалой времени UTC(SU) осуществляется по результатам обработки сигналов СНС ГЛОНАСС встроенным приемником навигационных сигналов K-161-A-H-SMB-O2-O1-13.
Функциональная схема ПП СЕВ представлена на рисунке 2.
БСВ также обеспечивает выдачу сигналов 1 Гц, 1/60 Гц, 1/300 Гц, «Старт», и сигналов интерфейса RS-422/RS-485, которые затем поступают на БРС.
БРС объединяет поступившие с комплектов сигналы, усиливает, размножает и обеспечивает выдачу потребителям сигналов 1 Гц, 1/60 Гц, 1/300 Гц, «Старт» по пяти выходам с панели А1 и сигналов времени по восьми выходам RS-422/RS-485 с панели А11 ШРО.
Выходы любого из комплектов могут находиться в одном из двух состояний: РАБОТА и РЕЗЕРВ. В состоянии РАБОТА выходы находятся в активном состоянии (подключены к линиям связи с аппаратурой потребителя), а в состоянии РЕЗЕРВ выходы находятся в пассивном состоянии (отключены от линий связи с аппаратурой потребителя).
Кроме того, каждый из блоков БСВ Комплекта А и Комплекта Б обеспечивает взаимодействие со средствами вычислительной техники по двум ЛВС Ethernet 10/100/1000 Base-T (LAN1, LAN2), осуществляет синхронизацию внешних средств вычислительной техники по протоколу NTP, а также выдачу сигналов состояния и прием внешних команд управления.
Выходы LAN1 и LAN2 каждого из комплектов объединяются коммутаторами ЛВС1 и ЛВС2 и обеспечивают возможность подключения потребителей к локальной сети Ethernet по технологиям 10 Base-T, 100 Base-T или 1000 Base-T.
Алгоритмы работы комплектов позволяют, на основе анализа сигналов состояния и полученных от внешних средств вычислительной техники команд, осуществлять селективное назначение режима работы каждого из комплектов.
Сервисное оборудование (коммутируемая консоль) в штатной работе не используется. Коммутируемая консоль из комплекта инструмента и принадлежностей используется для дополнительной настройки ПП СЕВ при стыковке с аппаратурой потребителя, вводе ПП СЕВ в эксплуатацию, а также при проведении технического обслуживания.
Рисунок 2 - Функциональная схема ПП СЕВ
Заводской номер в цифровом формате наносятся на переднюю панель на шильдик ударным методом. Способ нанесения заводского номера обеспечивает его сохранность, возможность прочтения и идентификацию экземпляра в процессе эксплуатации.
Нанесение знака поверки на прибор не предусмотрено. Знак поверки заносится в формуляр ПП СЕВ.
Общий вид ПП СЕВ, места нанесения знака поверки, знака утверждения типа, заводского номера и пломбирования представлены на рисунке 3.
Место нанесения заводского номера
Место нанесения знака утверждения типа
Место пломбировки
Рисунок 3 - Общий вид ПП СЕВ, места нанесения знака утверждения типа, заводского номера и пломбирования
К средству измерения данного типа относится изделие ПП СЕВ, заводской № 61325001.
Программное обеспечение
Программное обеспечение (далее - ПО) изделия ПП СЕВ делится на метрологически значимую и незначимую части.
Метрологически незначимая часть ПО предназначена для информационного взаимодействия Изделия ПП СЕВ и Автоматизированной системы управления работами на стартовом комплексе (далее - АСУР СК) КРК «Байтерек».
Метрологически значимая часть ПО встроена внутри двух БСВ. Доступ к метрологически значимой части ПО ограничен путем пломбировки отсека установки внешней карты памяти БСВ (приведено на рисунке 3).
Уровень защиты программного обеспечения от непреднамеренных и преднамеренных изменений «высокий» в соответствии с Р 50.2.077-2014.
Идентификационные данные ПО приведены в таблице 1.
Таблица 1 - Наименование и идентификационные данные ПО
|
Идентификационные данные (признаки) |
Значение | |||
|
Идентификационное наименование ПО |
БСВ Байтерек |
Тест 1 Байтерек |
Тест 2 Байтерек |
Тест 3 Байтерек |
|
Номер версии (идентификационный номер) ПО |
версия не ниже 01.01 |
_ |
_ |
_ |
Метрологические и технические характеристики средства измерений
Таблица 2 - Метрологические характеристики
|
Наименование характеристики |
Значение |
|
Пределы допускаемых смещений формируемой шкалы времени относительно национальной шкалы времени UTC(SU) в режиме синхронизации по сигналам СНС ГЛОНАСС, мкс |
±1 |
|
Предел допускаемого среднего квадратического отклонения (СКО) формируемой шкалы времени при интервале времени измерения 1000 с, нс |
200 |
|
Пределы допускаемой абсолютной погрешности хранения формируемой шкалы времени за сутки, мкс |
±100 |
Таблица 3 - Основные технические характеристики
|
Наименование характеристики |
Значение |
|
Условия эксплуатации: - температура окружающего воздуха, °С |
от +5 до +40 |
|
- относительная влажность воздуха при температуре плюс 20 °С, не более, % |
80 |
|
Потребляемая мощность, не более, В^А |
600 |
|
Габаритные размеры (два шкафа), мм, не более: - длина |
895 |
|
- высота |
1990 |
|
- ширина |
630 |
Знак утверждения типа
наносится на лицевую панель ШРО на шильдик методом наклейки и титульные листы руководства по эксплуатации и формуляра типографским способом.
Комплектность
Таблица 4 - Комплектность
|
Наименование |
Обозначение |
Количество |
|
Изделие ПП СЕВ |
ПП СЕВ |
1 шт. |
|
Составные части изделия | ||
|
1. Шкаф размещения оборудования (ШРО) в составе: |
ИТБС.467882.033 |
1 шт. |
|
1.1 Блок опорных частот БОЧ |
ИТБС.468782.020 |
2 шт. |
|
1.2 Блок синхронизации времени БСВ |
ИТБС.467882.034 |
2 шт. |
|
1.3 Блок размножения сигналов БРС |
ИТБС.468354.052 |
1 шт. |
|
1.4 Блок электропитания БЭП |
ИТБС.436617.004 |
2 шт. |
|
1.5 Промышленный Ethernet- коммутатор NM800-01 |
ИМЕС.465275.002 |
2 шт. |
|
2. Шкаф ЗИП и ЭД в составе: |
ИТБС.461926.123 |
1 шт. |
|
2.1 Комплект запасных частей согласно ИТБС.461211.023 ЗИ |
ИТБС.461923.037 |
1 шт. |
|
2.2 Комплект инструмента и принадлежностей согласно ИТБС.461211.023 ЗИ |
ИТБС.461924.031 |
1 шт. |
|
2.3 Комплект измерительной аппаратуры согласно ИТБС.461211.023 ЗИ |
ИТБС.461925.002 |
1 шт. |
|
2.4 Комплект монтажных частей |
ИТБС.461921.027 |
1 шт. |
|
2.5 Комплект эксплуатационных документов согласно ИТБС.461211.023 ВЭ* |
ИТБС.461211.023 ВЭ |
1 шт. |
|
* Примечание: в комплект входят в том числе руководство по эксплуатации ИТБС.461211.023 РЭ и формуляр ИТБС.461211.023 ФО | ||
Сведения о методах измерений
приведены в разделе 2 «Использование по назначению» документа «Изделие ПП СЕВ. Руководство по эксплуатации. ИТБС.461211.023 РЭ».
Нормативные документы
Государственная поверочная схема для средств измерений времени и частоты (приказ Федерального агентства по техническому регулированию и метрологии (Росстадарта) № 2360 от 26.09.2022 г.);
Технические условия ИТБС.461211.023 ТУ.

