Терморегуляторы РИЗУР-ТБ
- Взрывозащищенное исполнение для использования во взрывоопасных зонах
- Соответствие международным и российским стандартам взрывозащиты
- Надежный биметаллический или цифровой термостат
- Диапазон регулировки температуры от -60 до +50 °C (в зависимости от модели)
- Металлический корпус с высокой степенью защиты IP65
- Возможность подключения нагревательных элементов мощностью до 2000 Вт
- Интегрированное исполнение с клеммным блоком и взрывозащищенными кабельными вводами
- Длительный срок службы — не менее 10 лет эксплуатации
Взрывозащищенные терморегуляторы типа РИЗУР-ТБ предназначены для ограничения, контроля и поддержания необходимой температуры воздушной среды в системах обогрева/охлаждения, защищающих оборудование от высоких/низких температур и существенных температурных колебаний, оказывающих негативное влияние не только на стабильность работы но и срок службы контрольно-измерительного оборудования.
Назначение и область применения
Взрывозащищенные терморегуляторы типа РИЗУР-ТБ производства ООО «НПО РИЗУР» выпускаются по ТУ-3443-003-12189681-2014 и соответствуют требованиям ГОСТ Р МЭК 60079-0-2011, ГОСТ Р МЭК 60079-7-2012, ГОСТ Р МЭК 60079-18-2012 как электрооборудование повышенной надежности против взрыва с видом взрывозащиты «герметизация компаундом (m)», ГОСТ IEC 60079-1-2011 как оборудование с видом взрывозащиты "взрывонепроницаемые оболочки "d", предназначенное для использования во взрывоопасных газовых средах" и имеют маркировку 1Ex mb IIC T6 Gb X или 1Ex db IIC T6 Gb (в зависимости от модификации). Согласно маркировке взрывозащиты, гл. 7.3 ПУЭ и другим нормативным документам, регламентирующим применение электрооборудования во взрывоопасных зонах, обогреватели разрешен к применению во взрывоопасных зонах помещений и наружных установок.
Взрывозащищенные терморегуляторы типа РИЗУР-ТБ предназначены для ограничения, контроля и поддержания необходимой температуры воздушной среды в системах обогрева/охлаждения, защищающих оборудование от высоких/низких температур и существенных температурных колебаний, оказывающих негативное влияние не только на стабильность работы, но и срок службы контрольно-измерительного оборудования.
Терморегулятор РИЗУР-ТБ-F
Терморегулятор РИЗУР-ТБ-FT выпускается во взрывозащищенном исполнении и сконструирован на базе биметаллического термостата. Биметаллический термостат предназначен для размыкания или замыкания силовых и малосигнальных электрических цепей при заданной температуре. Основа термостата – биметаллический диск, тесно связанный с группой электрических контактов и испытывающий деформацию при изменении температуры. Все электрические элементы термостата заключены в металлическую оболочку. Стандартно терморегулятор выпускается с поддержкой температуры воздушной среды в диапазоне 10С/20С. По заказу возможно исполнение для поддержки температуры воздушной среды в другом диапазоне.
В данном терморегуляторе с видом взрывозащиты "взрывонепроницаемая оболочка "d" металлическая оболочка представляет собой взрывонепроницаемый корпус.
В терморегуляторе РИЗУР-ТБ-FT с видом взрывозащиты «герметизация компаундом (m)» все полости корпуса термостата полностью залиты термостойким теплопроводным компаундом.
РИЗУР-ТБ-FT - интегральное исполнение терморегулятора. В данном исполнении терморегулятор располагается в/на металлической оболочке (в зависимости от исполнения по взрывозащите). Данная оболочка также выполняет функцию соединительной коробки, то есть внутри оболочки расположен клеммный блок, а на оболочке размещены взрывозащищенные кабельные вводы для силового кабеля. Данное исполнение возможно со следующими маркировками взрывозащиты: 1Ex mb IIC T6 GbX, 1Ex db IIC T6 Gb X.
Терморегулятор РИЗУР-ТБ-S
Терморегуляторы серии РИЗУР-ТБ-S выпускаются во взрывозащищенном исполнении и сконструированы на базе интеллектуального цифрового модуля управления, состоящего из микроконтроллера, датчика температуры (на базе полупроводниковых материалов) и индикатора, конструктивно расположенных в алюминиевом корпусе. Такая схема позволяет гарантированно поддерживать температуру воздуха в обогреваемом пространстве от -40 до 50 ºС с шагом 1°С. В установившемся режиме микроконтроллер в мягком режиме включает спираль ровно на такую мощность, которая необходима для компенсации потерь при условии сохранения заданной температуры внутри обогреваемого пространства.
ООО «НПО РИЗУР» производит также: терморегулятор РИЗУР-ТБ-ЦСУ

Технические характеристики
|
Модель |
РИЗУР-ТБ-FT |
РИЗУР-ТБ-S, -ST |
|
Зона установки |
Общепромышленные объекты |
|
|
Маркировки взрывозащиты |
1Ex mb llC T6 Gb X |
|
|
Регулировка температуры |
Биметаллический термостат |
Цифровой термостат |
|
Мощность подключаемого нагревательного элемента |
до 1000 Вт |
до 2000 Вт |
|
Напряжение питания |
220 (±15%)В, 24,36-48 В пост./пер. тока (по согласованию с изготовителем) |
|
|
Поддерживаемая температура на поверхности обогревателя |
+90°С (другие значения по согласованию с изготовителем) |
|
|
Поддерживаемая температура в боксе |
+10°С/+20°С (другие значения по согласованию с изготовителем) |
-60...+40°С |
|
Степень защиты терморегулятора |
IP 65 |
|
|
Сигнализация достижения предельных установок температуры |
отсутствует |
|
|
Гарантийный срок эксплуатации |
24 месяца |
|
|
Cредний срок эксплуатации |
Не менее 10 лет |
|
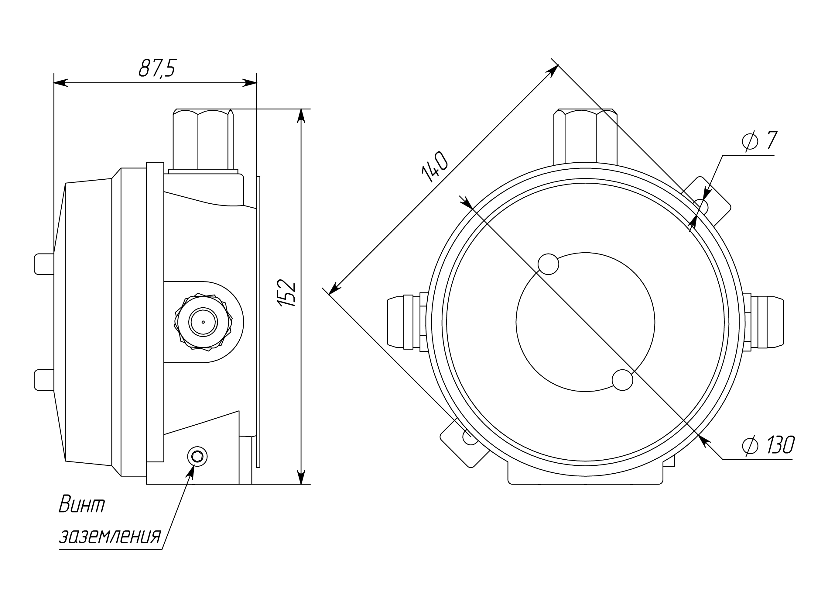
Чертежи
| Модель | Размеры | Чертеж | |
| -FT | exm | ![]() |
РИЗУР.ТБ.FТ.0хх.0хх Exm |
| exd | ![]() |
РИЗУР.ТБ.FТ.0хх.0хх Exd | |
| -ST | ![]() |
РИЗУР.ТБ.ST.001.ххх | |
| ТБ-S | ![]() |
Терморегулятор S-типа 1 | |
Схема подключения


Терморегуляторы РИЗУР-ТБ Конфигуратор
| Сертификат по сейсмостойкости на терморегуляторы и обогреватели.pdf | Скачать |
| Сертификат взрывозащиты.pdf | Скачать |
| Руководство по эксплуатации РИЗУР-ТБ-F-FT.docx | Скачать |
| Сертификат электромагнитной совместимости ТР ТС 020 на терморегуляторы.pdf | Скачать |
| Код заказа РИЗУР-ТБ.pdf | Скачать |
| Описание РИЗУР-ТБ.pdf | Скачать |
| Каталог ВЗРЫВОЗАЩИЩЕННЫЕ НАГРЕВАТЕЛЬНЫЕ СИСТЕМЫ РИЗУР.pdf | Скачать |



