Расходомеры ультразвуковые с накладными излучателями АКРОН-02
| Номер в ГРСИ РФ: | 52513-13 |
|---|---|
| Категория: | Расходомеры |
| Производитель / заявитель: | НПП "Сигнур", г.Москва |
|
52513-13: Описание типа
2024-52513-13.pdf
|
Скачать | 375.4 КБ | |
|
52513-13: Описание типа
2025-52513-13-1.pdf
|
Скачать | 274.5 КБ | |
|
52513-13: Описание типа
2026-52513-13.pdf
|
Скачать | 283.4 КБ | |
|
52513-13: Методика поверки
АЦПР.407154.014 РЭ
2026-mp52513-13.pdf
|
Скачать | 6.9 MБ | |
| Свидетельство об утверждении типа СИ | Открыть | ... |
Расходомеры ультразвуковые с накладными излучателями АКРОН-02 (далее -расходомеры) предназначены для измерений объемного расхода и суммарного (интегрального) объема (количества) звукопроводящих жидкостей, в том числе сточных вод, протекающих в напорных трубопроводах.
Информация по Госреестру
| Основные данные | |
|---|---|
| Номер по Госреестру | 52513-13 |
| Действует | по 21.11.2027 |
| Наименование | Расходомеры ультразвуковые с накладными излучателями |
| Модель | АКРОН-02 |
| Модификации |
АКРОН-02-1 АКРОН-02-2 АКРОН-02-3 |
| Приказы |
№2245 от
20.10.2025
— О внесении изменений в сведения об утвержденных типах средств измерений
№315 от
24.02.2026
— О внесении изменений в сведения об утвержденных типах средств измерений
|
| Код идентификации производства |
ОС
СИ не соответствует критериям подтверждения производства на территории
РФ в соответствии с постановлением №719
|
| Характер производства | Серийное |
| Идентификатор записи ФИФ ОЕИ | 85154288-a6ab-89e4-94de-b7241022dce3 |
| Год регистрации | 2013 |
| Общие данные | |
|---|---|
| Класс СИ | 29.01.02 |
| Год регистрации | 2013 |
| Страна-производитель | Россия |
| Информация о сертификате | |
| Срок действия сертификата | 23.01.2018 |
| Тип сертификата (C - серия/E - партия) | C |
| Дата протокола | Приказ 34 п. 02 от 23.01.2013 |
Производитель / Заявитель
ООО «ПНП СИГНУР», РОССИЯ, 123458, г. Москва, вн. тер. г. муниципальный округ СТРОГИНО, ул. Твардовского, д. 8
Россия
Поверка
| Методика поверки / информация о поверке |
АЦПР.407154.014 РЭ Расходомеры ультразвуковые с накладными излучателями. Руководство по эксплуатации. Раздел 27 «Поверка»
|
| Межповерочный интервал / Периодичность поверки |
3 года
|
| Зарегистрировано поверок |
2019
|
| Найдено поверителей | |
| Успешных поверок (СИ пригодно) | 2001 (99%) |
| Неуспешных поверок (СИ непригодно) | 18 (1 %) |
| Актуальность информации | 02.04.2026 |
Поверители
Скачать
|
52513-13: Описание типа
2024-52513-13.pdf
|
Скачать | 375.4 КБ | |
|
52513-13: Методика поверки
2022-mp52513-13.pdf
Файл устарел
|
Скачать | 73.9 КБ | |
|
52513-13: Описание типа
2024-52513-13-1.pdf
Файл устарел
|
Скачать | 375.4 КБ | |
|
52513-13: Описание типа
2025-52513-13.pdf
Файл устарел
|
Скачать | 274.5 КБ | |
|
52513-13: Методика поверки
2022-mp52513-13-1.pdf
Файл устарел
|
Скачать | 73.9 КБ | |
|
52513-13: Описание типа
2025-52513-13-1.pdf
|
Скачать | 274.5 КБ | |
|
52513-13: Описание типа
2026-52513-13.pdf
|
Скачать | 283.4 КБ | |
|
52513-13: Методика поверки
АЦПР.407154.014 РЭ
2022-mp52513-13-2.pdf
Файл устарел
|
Скачать | 73.9 КБ | |
|
52513-13: Методика поверки
АЦПР.407154.014 РЭ
2026-mp52513-13.pdf
|
Скачать | 6.9 MБ | |
| Свидетельство об утверждении типа СИ | Открыть | ... |
Описание типа
Назначение
Расходомеры ультразвуковые с накладными излучателями АКРОН-02 (далее -расходомеры) предназначены для измерений объемного расхода и суммарного (интегрального) объема (количества) звукопроводящих жидкостей, в том числе сточных вод, протекающих в напорных трубопроводах.
Описание
Принцип действия расходомера основан на измерении разности времени распространения ультразвуковых колебаний, пересекающих поток контролируемой среды под углом к оси трубопровода в двух противоположных направлениях: по потоку и против потока.
Расходомеры выпускаются в трех исполнениях:
- АКРОН-02-1 - для измерений на трубопроводах при значительном расстоянии от объекта измерения до места установки электронного блока (I < 1200 м); включает в себя первичный преобразователь ПП-1 и блоки электронные БЭ-3 и БЭ-4;
- АКРОН-02-2 - для измерений на двух трубопроводах одновременно (двухканальный); включает в себя два комплекта первичных преобразователей ПП-1 и блок электронный БЭ-5;
- АКРОН-02-3 - для измерений на трубопроводах с деформированными потоками жидкости при измерении в двух плоскостях (двухлучевой); включает в себя два комплекта первичных преобразователей ПП-1 и блок электронный БЭ-6.
ПП-1 состоит из двух ультразвуковых излучателей и устройства крепления их на трубопроводе. Ультразвуковые излучатели-приемники предназначены для преобразования подводимых к ним электрических сигналов в акустические колебания. Основой излучателя-приемника является пьезокерамический элемент, работающий на одной из резонансных частот.
Электронный блок БЭ-3 преобразует разность времен распространения акустических колебаний в контролируемой среде в последовательный код по протоколу MODBUS, который передается по интерфейсу RS-485 на блок БЭ-4, преобразующий его в показания дисплея; электронные блоки БЭ-5 и БЭ-6 предназначены для преобразования разности времен распространения акустических колебаний в контролируемой среде в показания дисплея.
На жидкокристаллическом дисплее электронных блоков БЭ-4, БЭ-5 и БЭ-6 отображается следующая информация:
объемный расход жидкости, м3/ч;
суммарный (интегральный) объем (количество) жидкости, протекающей в прямом и обратном направлении, м3;
скорость потока жидкости. м/с;
время работы прибора, ч;
дата и время;
содержимое архивов;
параметры трубопровода;
тип контролируемой жидкости (холодная, горячая вода, мазут, сточные воды и т.д.);
индикация настройки акустического канала при монтаже;
диагностические сообщения.
Внешний вид прибора приведен на рисунке 1.
Рисунок 1 - Внешний вид расходомера
Расходомер может иметь токовый выход с выходными сигналами 0-5; 0-20; 4-20 мА, пропорциональными измеряемому объемному расходу, релейный выход (сухие контакты реле) или импульсный выход с нормированным «весом» импульса, возможность вывода информации на компьютер через встроенный интерфейс RS-232 или RS-485, а также возможность подключения к GSM-модему для беспроводной передачи информации.
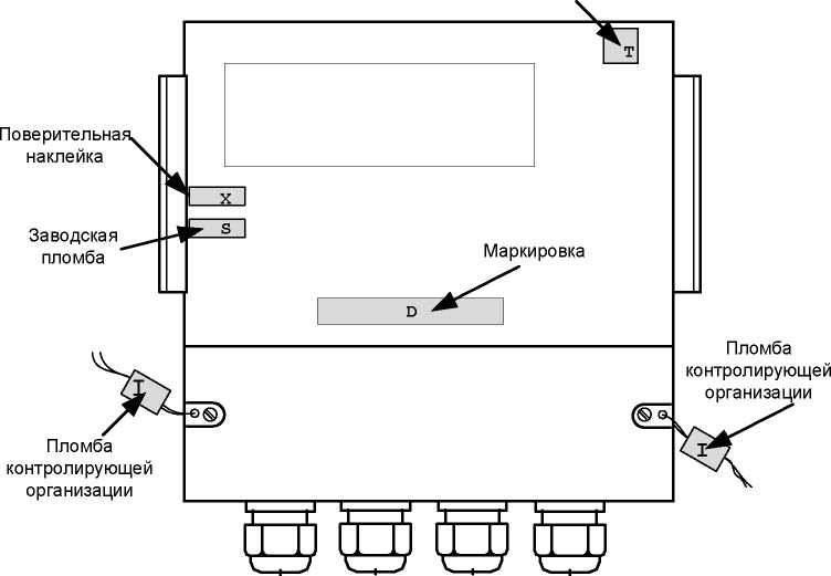
На рисунке 2 указаны места пломбировки от несанкционированного доступа и место размещения наклеек, в том числе о поверке.
Ламинированный шильдик, изготовленный типографским способом, с серийным номером (в буквенно-цифровом формате) блока электронного БЭ-1м и БЭ-2м и годом выпуска прибора расположен на лицевой панели за стеклом. Ламинирование обеспечивает сохранность надписи в процессе эксплуатации.
Т - место размещения знака утверждения типа;
D - маркировка;
S - заводские пломбы;
I - пломбы контролирующей организации;
Х - место поверительной наклейки.
Знак утверждения
типа
Рисунок 2 - Места пломбировки и размещения наклеек
Программное обеспечение
В расходомере применяется программное обеспечение (ПО) AKR2-1 (2,3)-2011, которое осуществляется преобразование измеренной разности времени распространения ультразвуковых колебаний, пересекающих поток контролируемой среды под углом к оси трубопровода в двух противоположных направлениях: по потоку и против потока,- в скорость потока жидкости и затем в объемный расход и суммарный (интегральный) объем (количество), а также обеспечивает связь прибора с компьютером и с оператором и ввод настроечных параметров и поправочных коэффициентов.
От несанкционированного изменения, ПО защищено четырехзначным кодом доступа, индивидуальным для каждого прибора.
Доступ к кнопке, разрешающей изменение параметров трубопровода, закрыт пломбой проверяющей организации.
Доступ к ПО через интерфейс невозможен. По интерфейсу возможен только вывод архивной информации и измеренных значений объемного расхода и суммарного объема.
Идентификационные данные программного обеспечения
Таблица 1
|
Наименование ПО |
Идентификационное наименование ПО |
№ версии ПО |
Цифровой идентификатор ПО (контрольная сумма) |
Алгоритм вычисления цифрового идентификатора ПО |
|
Прошивка (встроенная программа) AKR2-1-2011 |
328-17 |
В1(12011) |
483F |
CRC16 |
|
AKR2-2-2011 |
328-4 |
В2(22011) |
3528 | |
|
AKR2-3-2011 |
328-19 |
В3(32011) |
16A2 |
Уровень защиты ПО от непреднамеренных и преднамеренных изменений «С» по МИ3286-2010
Технические характеристики
Таблица 2
|
Наименование характеристики |
Значение | |
|
Диапазон измерений |
1:50 | |
|
Верхние пределы измеряемых расходов и ряд диаметров условного прохода трубопроводов |
Диаметр условного прохода, Ду, мм |
Верхние пределы измеряемых расходов, Q, м3/ч |
|
40 |
от 8 до 50 | |
|
50 |
от 10 до 100 | |
|
65 |
от 12,5 до 160 | |
|
80 |
от 16 до 250 | |
|
100 |
от 20 до 320 | |
|
125 |
от 25 до 400 | |
|
150 |
от 32 до 600 | |
|
200 |
от 40 до 1000 | |
|
250 |
от 50 до 1250 | |
|
350 |
от 60 до 1600 | |
|
400 |
от 80 до 2000 | |
|
500 |
от 100 до 3200 | |
|
650 |
от 125 до 4000 | |
|
800 |
от 160 до 8000 | |
|
1000 |
от 200 до 16000 | |
|
2000 |
от 400 до 40000 | |
|
Пределы допускаемой относительной погрешности при измерении объемного расхода и суммарного (интегрального) объема (количества) в пределах от 2 до 100 % диапазона измеряемых расходов (при длине прямолинейного участка трубопровода не менее Н=10 Ду - до места установки ПП-1 и не менее h=5 Ду - после места установкиПП-1) не превышают, % |
±2,0 | |
|
Наименование характеристики |
Значение |
|
Дополнительная погрешность от уменьшения длин прямолинейных участков при измерении объемного расхода и суммарного (интегрального) объема (количества) в пределах от 2 до 100 % диапазона измеряемых расходов при уменьшении Н и h относительно своих номинальных величин 10 Ду и 5 Ду на каждый 1 Ду не должна превышать, %: для АКРОН-02-1 и АКРОН-02-2 для АКРОН-02-3 |
±0,4 ±0,2 |
|
Пределы допускаемой относительной погрешности измерений времени работы прибора, % |
± 0,01 |
|
Диапазон температуры контролируемой среды, °С |
от -10 до +70 (до +120 по спецзаказу) |
|
Диапазон температуры окружающего воздуха, °С: для ПП-1 для БЭ-3 для БЭ-4, БЭ-5 и БЭ-6 |
от -40 до ±70 (до +120 по спецзаказу) от-40 до +50 от -20 до +50 |
|
Питание БЭ-4, БЭ-5 и БЭ-6 от сети переменного тока частотой (50±1) Гц напряжением, В |
220 -22 |
|
Потребляемая мощность не более, ВА |
10 |
|
Длина линии связи не более, м: между ПП-1 и БЭ-3 между БЭ-3 и БЭ-4 между ПП-1, БЭ-5 и БЭ-6 |
5 (до 10 м по спецзаказу) до 1200 м 10 (до 100 м по спецзаказу) |
|
Степень защиты от воздействия окружающей среды ПП-1 БЭ-3 БЭ-4, БЭ-5 и БЭ-6 |
IP67 IP67 IP65 |
|
Масса не более, кг: ПП-1 (без устройства крепления на трубопроводе) БЭ-3, БЭ-4 БЭ-5, БЭ-6 |
0,7 кг 1,5 кг 2 кг |
|
Габаритные размеры не более, мм: БЭ-3 (длина х ширина х высота) БЭ-4 (длина х ширина х высота) БЭ-5, БЭ-6 (длина х ширина х высота) |
178х168х65 190х190х103 230х215х115 |
Таблица 3 - Показатели надежности
|
Наименование характеристики |
Значение |
|
Время наработки на отказ не менее, ч |
67000 |
|
Средний срок службы, лет |
6 |
Знак утверждения типа
наносится на переднюю панель БЭ по технологии шелкографии, а также на титульный лист паспорта и руководства по эксплуатации типографским способом.
Комплектность
В зависимости от исполнения в комплект поставки расходомера входят:
Таблица 4.1
|
Наименование |
Обозначение |
Количество |
Примечание |
|
Расходомер ультразвуковой с накладными излучателями АКРОН-02-1: ПП-1, БЭ-3 и БЭ-4 |
АЦПР.407154.014 |
1 шт. | |
|
Блок токового выхода (0 - 5); (0 - 20); (4 - 20) мА |
АЦПР.407154.014 |
1 шт. |
по требованию заказчика |
|
Блок импульсного или релейного выхода |
АЦПР.407154.014 |
1 шт. |
по требованию заказчика |
|
Блок связи с компьютером RS-232 или RS-485 |
АЦПР.407154.014 |
1 шт. |
по требованию заказчика |
|
Паспорт |
АЦПР.407154.014 ПС |
1 экз. | |
|
Руководство по эксплуатации |
АЦПР.407154.014 РЭ |
1 экз. |
Допускается поставка в один адрес 1 экз. на 5 расходомеров |
Таблица 4.2
|
Наименование |
Обозначение |
Количество |
Примечание |
|
Расходомер ультразвуковой с накладными излучателями АКРОН-02-2: ПП-1-1, ПП-1-2 и БЭ-5 |
АЦПР.407154.014 |
1 шт. | |
|
Блок токового выхода (0 - 5); (0 -20); (4 - 20) мА |
АЦПР.407154.014 |
1 шт. |
по требованию заказчика |
|
Блок импульсного или релейного выхода |
АЦПР.407154.014 |
1 шт. |
по требованию заказчика |
|
Блок связи с компьютером RS-232 или RS-485 |
АЦПР.407154.014 |
1 шт. |
по требованию заказчика |
|
Паспорт |
АЦПР.407154.014 ПС |
1 экз. | |
|
Руководство по эксплуатации |
АЦПР.407154.014 РЭ |
1 экз. |
Допускается поставка в один адрес 1 экз. на 5 расходомеров |
Таблица 4.3
|
Наименование |
Обозначение |
Количество |
Примечание |
|
Расходомер ультразвуковой с накладными излучателями АКРОН-02-3: ПП-1-1, ПП-1-2 и БЭ-6 |
АЦПР.407154.014 |
1 шт. | |
|
Блок токового выхода (0 - 5); (0 -20); (4 - 20) мА |
АЦПР.407154.014 |
1 шт. |
по требованию заказчика |
|
Блок импульсного или релейного выхода |
АЦПР.407154.014 |
1 шт. |
по требованию заказчика |
|
Блок связи с компьютером RS-232 или RS-485 |
АЦПР.407154.014 |
1 шт. |
по требованию заказчика |
|
Паспорт |
АЦПР.407154.014 ПС |
1 экз. | |
|
Руководство по эксплуатации |
АЦПР.407154.014 РЭ |
1 экз. |
Допускается поставка в один адрес 1 экз. на 5 расходомеров |
Сведения о методах измерений
изложены в руководстве по эксплуатации АЦПР.407154.014 РЭ главы с 12 по 20.
Нормативные документы
ТУ 26.51.52-014-18623641-2025 (взамен ТУ 4213-014-18623641-11) Расходомеры ультразвуковые с накладными излучателями АКРОН-02. Технические условия
Другие Расходомеры
